指南生活
首页
美食营养
手工爱好
生活家居
返回
指南生活
首页
美食营养
游戏数码
手工爱好
生活家居
健康养生
运动户外
职场理财
情感交际
母婴教育
时尚美容
知识问答
生活知识
搜索
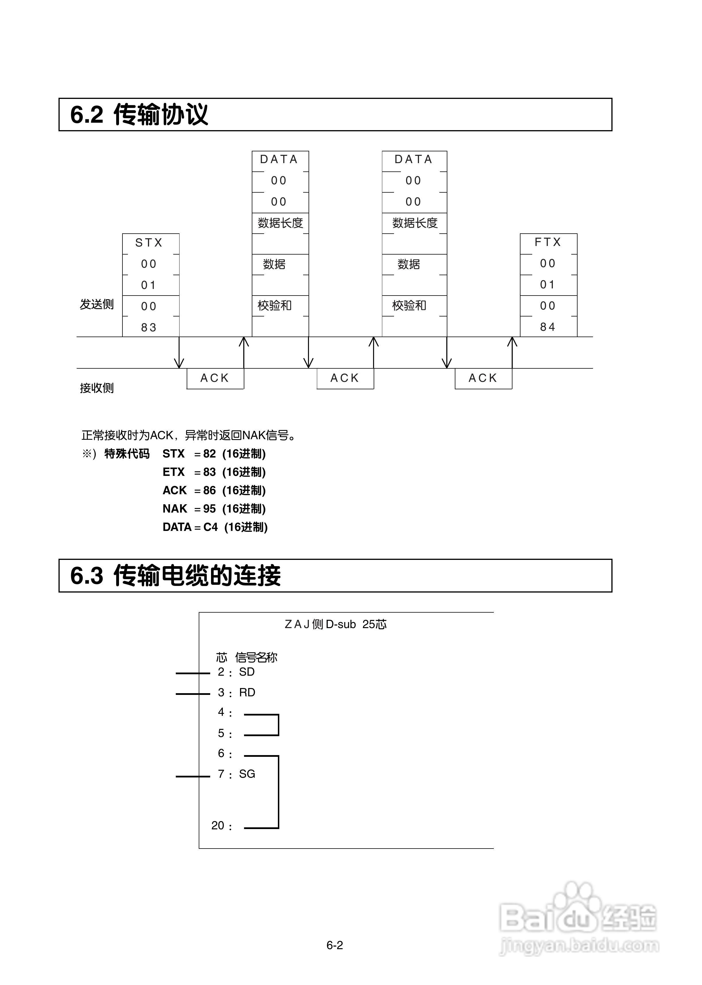
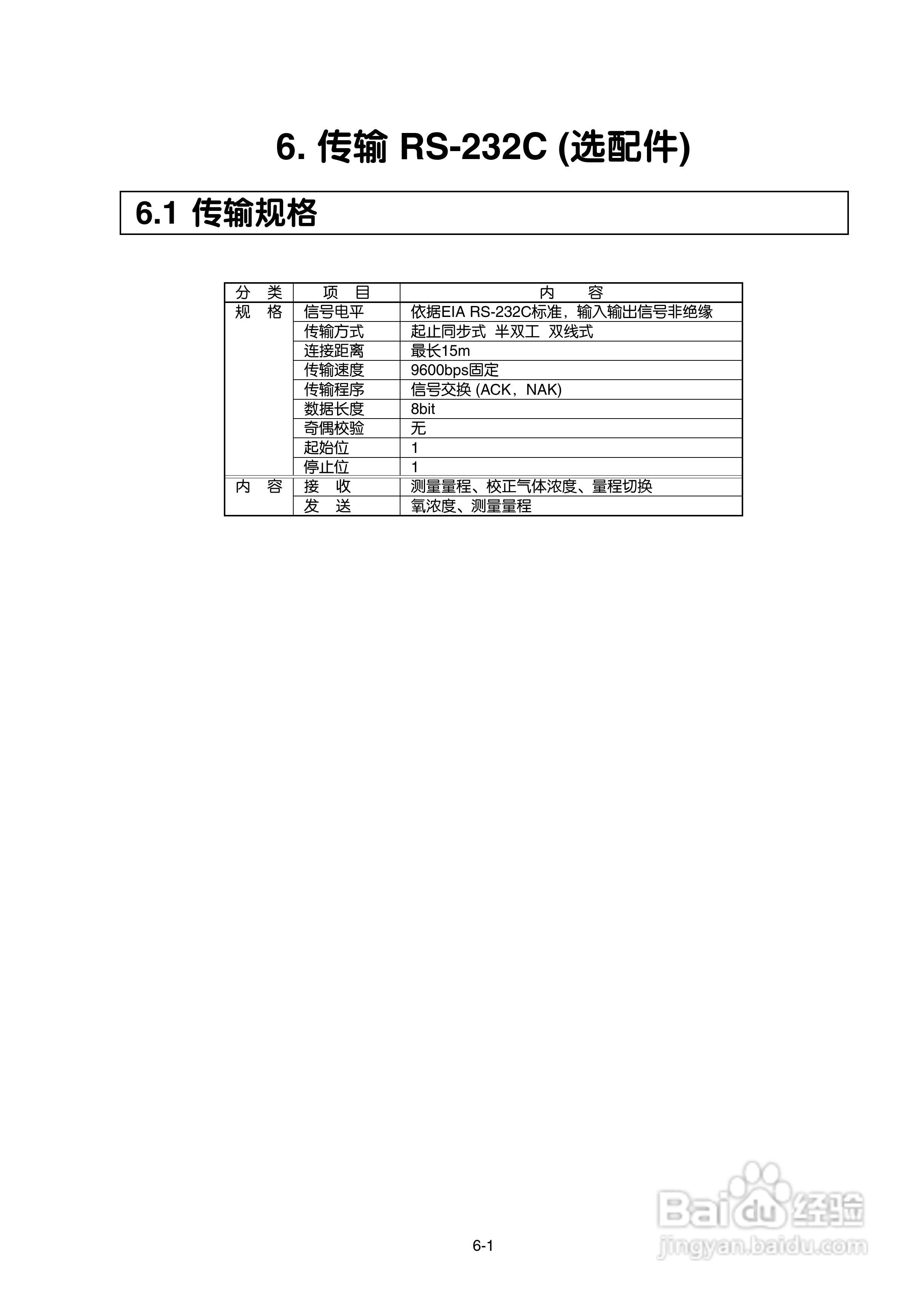
富士ZAJ磁氧分析仪使用手册:[4]
2025-12-20 00:43:37
本篇为《富士ZAJ磁氧分析仪使用手册》,主要介绍该产品的使用方法以及常见故障解决方案。
(共篇)
上一篇:
|
下一篇:
声明:
本网站引用、摘录或转载内容仅供网站访问者交流或参考,不代表本站立场,如存在版权或非法内容,请联系站长删除,联系邮箱:site.kefu@qq.com。
相关推荐
富士ZAJ磁氧分析仪使用手册:[3]
阅读量:23
富士ZAF 热导式气体分析仪使用手册:[4]
阅读量:177
富士ZAF 热导式气体分析仪使用手册:[3]
阅读量:148
富士ZAF 热导式气体分析仪使用手册:[6]
阅读量:36
富士ZAF 热导式气体分析仪使用手册:[2]
阅读量:131
猜你喜欢
猫须草的功效与作用
花生的功效与作用
叶酸什么牌子的好
理中丸的功效与作用
什么是平水韵
安全教育知识
捕风捉影什么意思
做寿司用什么米
甘草的作用
竹茹的功效与作用
猜你喜欢
什么叫阴吹
被男朋友啪醒是一种什么体验
人设什么意思
中学生运动会
拔罐作用
看病人送什么
保密知识测试题及答案
光子嫩肤有什么作用
股票知识
知识竞赛策划书