车床控制电路图汇总
1、 第一张 C650车床控制电路原理图。(能分析其工作原理)

2、第二张 Z3040摇臂钻控制原理电路图。(能分析其工作原理)

3、第三张 XA6132型万能铣床控制原理电路图。(能分析其工作原理)

4、第四张 T68卧式镗床控制原理电路图。(能分析其工作原理)

5、第五张 M7130型平面磨床控制原理电路图。(能分析其工作原理)

6、第六张 组合机床控制原理电路图。(能分析其工作原理)

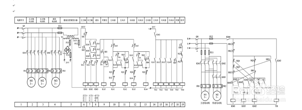
7、第七张 小型通用桥式起重机控制原理电路图。(能分析其工作原理)

8、第八张 小型通用桥式起重机控制凸轮控制过程保护。(能分析其工作原理)

声明:本网站引用、摘录或转载内容仅供网站访问者交流或参考,不代表本站立场,如存在版权或非法内容,请联系站长删除,联系邮箱:site.kefu@qq.com。
阅读量:157
阅读量:150
阅读量:52
阅读量:168
阅读量:125