指南生活
首页
美食营养
手工爱好
生活家居
返回
指南生活
首页
美食营养
游戏数码
手工爱好
生活家居
健康养生
运动户外
职场理财
情感交际
母婴教育
时尚美容
搜索
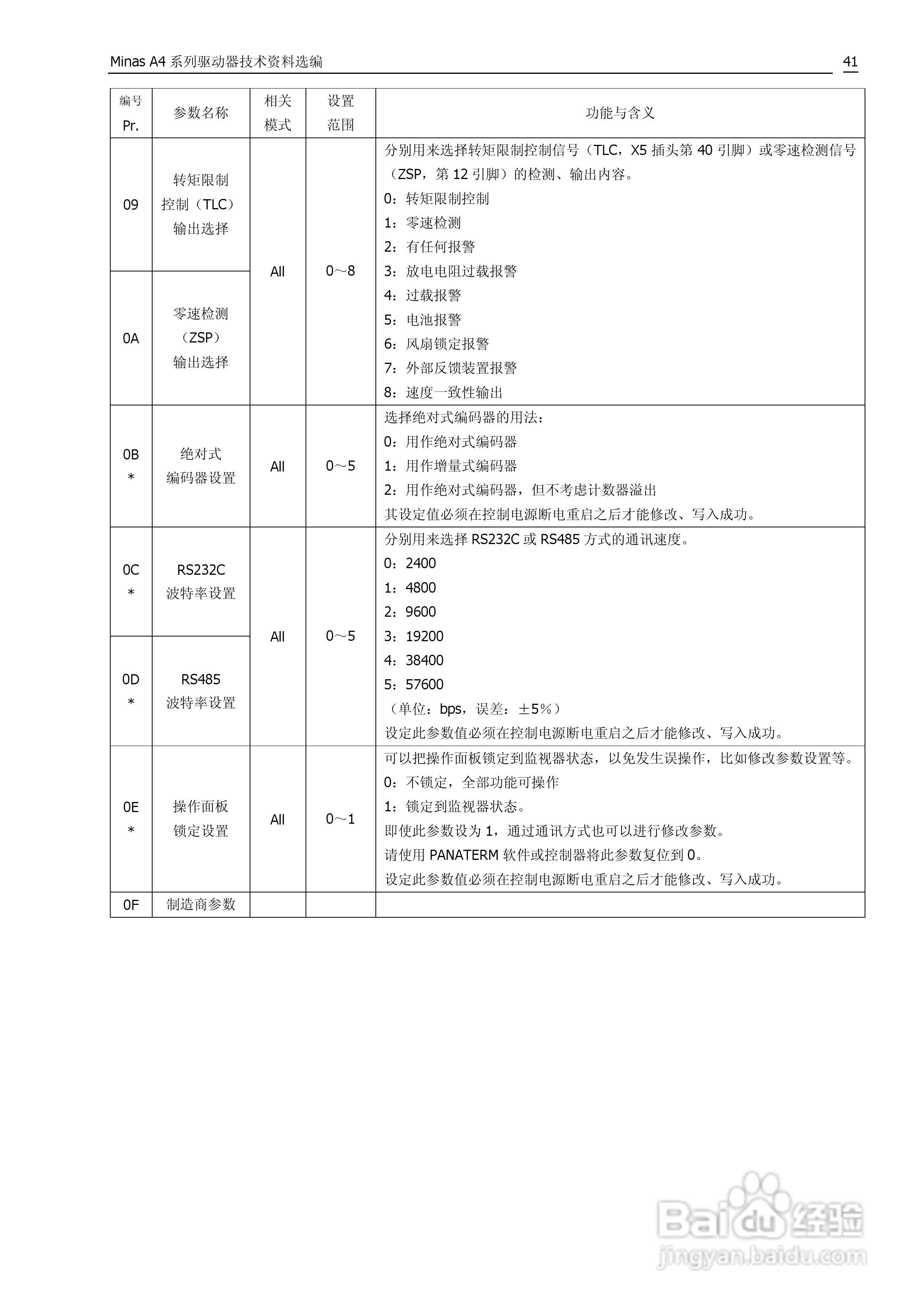
日本松下MADDT3120伺服驱动器手册:[5]
2025-11-04 03:49:56
本篇为《日本松下MADDT3120伺服驱动器手册》,主要介绍该产品的使用方法以及常见故障解决方案。
(共篇)
上一篇:
|
下一篇:
声明:
本网站引用、摘录或转载内容仅供网站访问者交流或参考,不代表本站立场,如存在版权或非法内容,请联系站长删除,联系邮箱:site.kefu@qq.com。
相关推荐
松下双开双控接线方法
阅读量:191
东元伺服驱动器TSTA操作手册:[5]
阅读量:138
东元伺服驱动器TSTE操作手册:[5]
阅读量:183
PSDD系列伺服驱动器使用手册:[5]
阅读量:61
线性伺服驱动器
阅读量:139
猜你喜欢
肇庆有什么旅游景点
pleasure是什么意思
notice是什么意思
rgb是什么意思
引咎辞职什么意思
画pcb板用什么软件
经常熬夜的人喝什么汤
卫衣里面穿什么
生日祝福图片
男朋友生日祝福语
猜你喜欢
祝福生日快乐的话
压马路是什么意思
风号浪吼什么意思
秋浦歌的意思
手忙脚乱是什么意思
元旦节祝福语简短
一本正经是什么意思
elf是什么意思
望闻问切分别指什么
定向招生是什么意思