指南生活
首页
美食营养
手工爱好
生活家居
返回
指南生活
首页
美食营养
游戏数码
手工爱好
生活家居
健康养生
运动户外
职场理财
情感交际
母婴教育
时尚美容
知识问答
生活知识
搜索
南瑞RCS-985TS_B电厂变压器保护装置使用说明书:[3]
2025-12-28 06:02:56
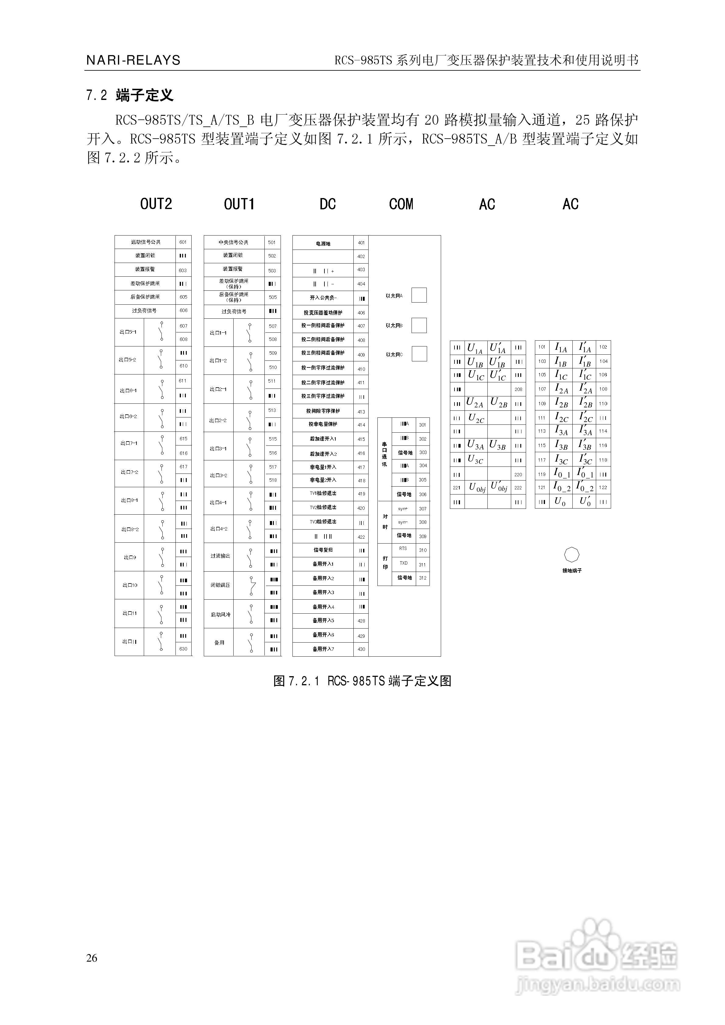
本篇为《南瑞RCS-985TS_B电厂变压器保护装置使用说明书》,主要介绍该产品的使用方法以及常见故障解决方案。
(共篇)
上一篇:
|
下一篇:
声明:
本网站引用、摘录或转载内容仅供网站访问者交流或参考,不代表本站立场,如存在版权或非法内容,请联系站长删除,联系邮箱:site.kefu@qq.com。
相关推荐
南瑞RCS-985G发电机变压器成套保护装置技术说明书:[3]
阅读量:76
南瑞RCS-985G发电机变压器成套保护装置技术说明书:[8]
阅读量:76
南瑞RCS-985G发电机变压器成套保护装置技术说明书:[20]
阅读量:151
变压器有载分接开关测试仪使用方法
阅读量:121
变压器有载分接开关测试仪操作方法
阅读量:42
猜你喜欢
吃阿胶上火怎么办
电视盒子怎么用
荣威怎么样
老年人腿疼怎么治
刷牙出血是怎么回事
outlook怎么发邮件
绵羊皮皮衣怎么保养
退票怎么退
现代悦动怎么样
孩子不爱写作业怎么办
猜你喜欢
电脑微信怎么看朋友圈
电脑标点符号怎么打
ps高光怎么做
皮肤暗黄怎么办
重庆电子工程职业学院怎么样
前脚掌疼是怎么回事
天津职业技术师范大学怎么样
无聊用英语怎么说
体内寒气重怎么办
cad半圆怎么画