指南生活
首页
美食营养
手工爱好
生活家居
返回
指南生活
首页
美食营养
游戏数码
手工爱好
生活家居
健康养生
运动户外
职场理财
情感交际
母婴教育
时尚美容
知识问答
生活知识
生活百科
搜索
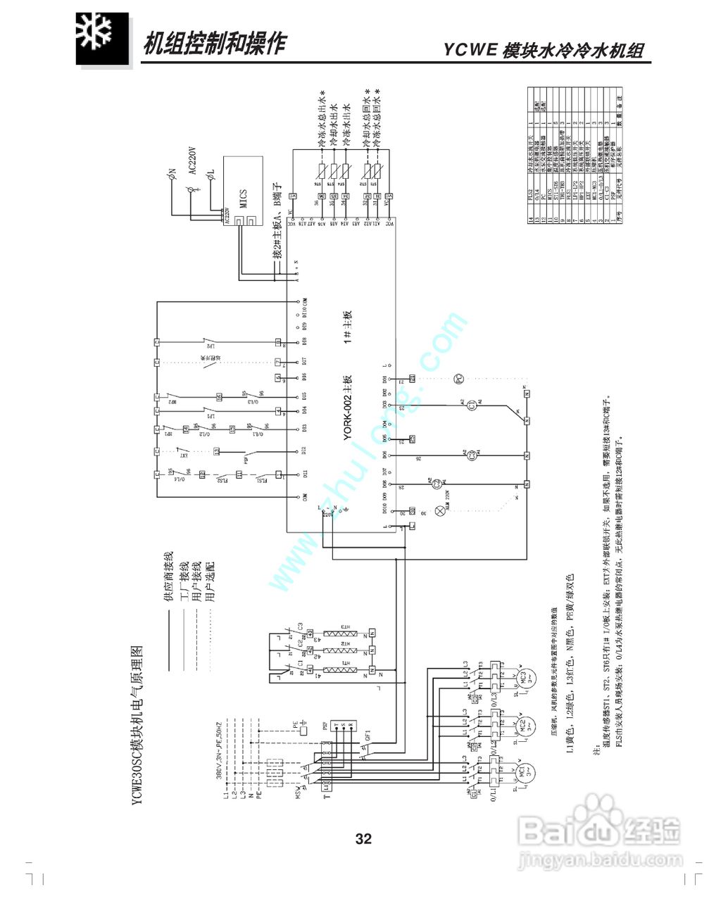
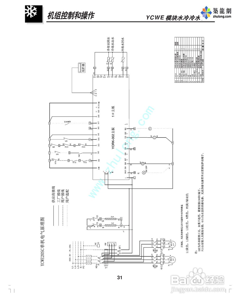
约克YCWE30SC模块水冷冷水机组安装维护手册:[4]
2026-04-23 19:07:10
(共篇)
上一篇:
|
下一篇:
声明:
本网站引用、摘录或转载内容仅供网站访问者交流或参考,不代表本站立场,如存在版权或非法内容,请联系站长删除,联系邮箱:site.kefu@qq.com。
相关推荐
埃及金字塔图标设计
阅读量:173
火锅店优惠券如何设计
阅读量:88
怎样在网上查福卡的余额
阅读量:65
Word2016 第5课 图形中怎样输入文字
阅读量:33
房屋的拼音怎么拼写
阅读量:32
猜你喜欢
爱要怎么说出口 林俊杰
若不是你突然闯进我生活
如何移民
生活的启示
脾的作用和功能是什么
舌头发麻是什么原因
day是什么意思
生活中的百分数
诗婷露雅化妆品怎么样
一起生活吧
猜你喜欢
生活感悟经典句子
如何强身健体
耳鸣是什么原因引起的
怎么样治疗脱发
剖切符号方向怎么看
达令是什么意思
优理氏的产品怎么样
升学宴祝词怎么说
日语我爱你怎么发音
矜持是什么意思