指南生活
首页
美食营养
手工爱好
生活家居
返回
指南生活
首页
美食营养
游戏数码
手工爱好
生活家居
健康养生
运动户外
职场理财
情感交际
母婴教育
时尚美容
知识问答
生活知识
搜索
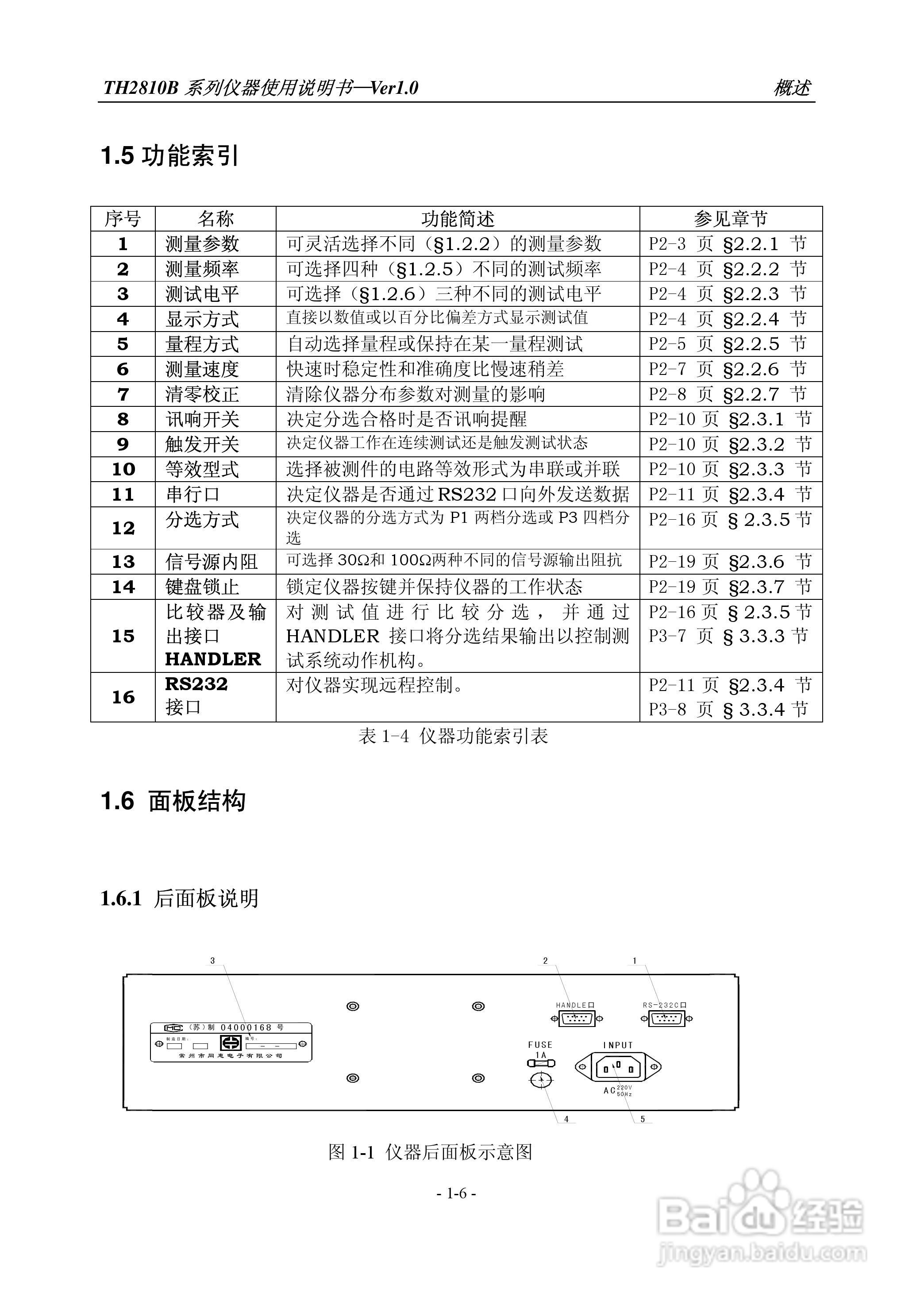
常州同惠TH2810B,2618B,2775B数字电桥说明书:[2]
2025-12-27 19:16:01
本篇为《常州同惠TH2810B,2618B,2775B数字电桥说明书》,主要介绍该产品的使用方法以及常见故障解决方案。
(共篇)
上一篇:
|
下一篇:
声明:
本网站引用、摘录或转载内容仅供网站访问者交流或参考,不代表本站立场,如存在版权或非法内容,请联系站长删除,联系邮箱:site.kefu@qq.com。
相关推荐
常州同惠TH2810B,2618B,2775B数字电桥说明书:[3]
阅读量:80
TH2816B型LCR数字电桥使用说明书:[2]
阅读量:177
TH2816B型LCR数字电桥使用说明书:[3]
阅读量:39
TH2816B型LCR数字电桥使用说明书:[1]
阅读量:158
TH2816B型LCR数字电桥使用说明书:[6]
阅读量:172
猜你喜欢
经典祝福语
义愤填膺是什么意思
tvoc是什么意思
红杏出墙是什么意思
灯不拨不亮理不辩不明的意思
心乱如麻的意思
做销售什么行业好
.dwg用什么软件打开
rural是什么意思
不解之谜的意思
猜你喜欢
婴儿爬行垫什么牌子好
社保卡补办需要什么
睥睨的意思
忍俊不禁的意思是什么
什么牌子的羊毛衫好
三眼一板的意思
春来江水绿如蓝的意思
直男是什么意思简单点
风餐露宿是什么意思
韩国买什么便宜