指南生活
首页
美食营养
手工爱好
生活家居
返回
指南生活
首页
美食营养
游戏数码
手工爱好
生活家居
健康养生
运动户外
职场理财
情感交际
母婴教育
时尚美容
知识问答
生活知识
生活百科
搜索
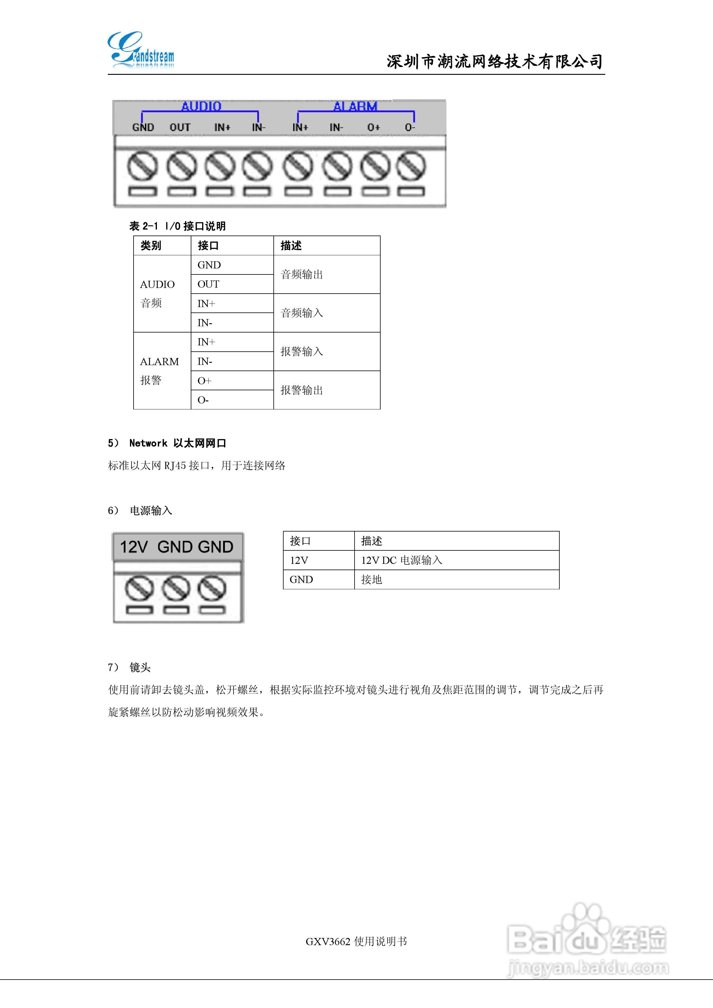
潮流网络 GXV3662系列网络半球使用说明书:[1]
2026-05-13 13:33:13
本篇为《潮流网络 GXV3662系列网络半球使用说明书》,主要介绍该产品的使用方法以及常见故障解决方案。
(共篇)
下一篇:
声明:
本网站引用、摘录或转载内容仅供网站访问者交流或参考,不代表本站立场,如存在版权或非法内容,请联系站长删除,联系邮箱:site.kefu@qq.com。
相关推荐
潮流网络 GXV3662系列网络半球使用说明书:[4]
阅读量:142
糖果怪兽Cut theRope蒸汽盒攻略
阅读量:104
春节窗花剪纸的制作图解
阅读量:34
头脑王者第二十三关过关攻略
阅读量:146
用七巧板怎样拼跳扇子舞的女子?
阅读量:179
猜你喜欢
tuesday是什么意思
985211是什么意思
歧义是什么意思
古人的婚礼在什么时间举行
gt是什么意思
政治面貌填什么
抹胸是什么
好像的近义词是什么
车前草有什么功效
经常落枕是什么原因
猜你喜欢
什么是素数
5月10日是什么星座
人均gdp是什么意思
什么的头发
地球是什么形状
七月七是什么节日
什么的夕阳
五万左右买什么车好
salad是什么意思
手心脚心发热是什么原因引起的