指南生活
首页
美食营养
手工爱好
生活家居
返回
指南生活
首页
美食营养
游戏数码
手工爱好
生活家居
健康养生
运动户外
职场理财
情感交际
母婴教育
时尚美容
知识问答
生活知识
生活百科
搜索
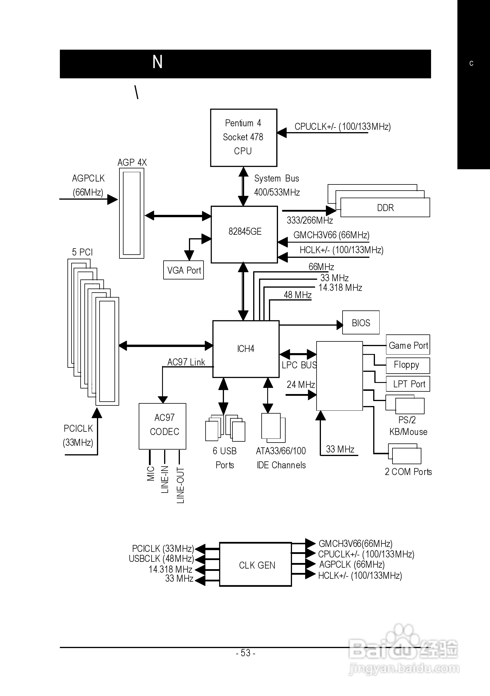
技嘉 GA-8GE800主板说明书:[6]
2026-03-31 01:57:55
本篇为《技嘉 GA-8GE800主板说明书》,主要介绍该产品的使用方法以及常见故障解决方案。
(共篇)
上一篇:
|
下一篇:
声明:
本网站引用、摘录或转载内容仅供网站访问者交流或参考,不代表本站立场,如存在版权或非法内容,请联系站长删除,联系邮箱:site.kefu@qq.com。
相关推荐
技嘉 GA-8GE800主板说明书:[8]
阅读量:105
技嘉 GA-8GE800主板说明书:[4]
阅读量:54
技嘉GA-8GE800 Pro型主板说明书:[11]
阅读量:20
技嘉主板bios升级教程
阅读量:140
技嘉主板如何设置内存频率
阅读量:105
猜你喜欢
玩世不恭是什么意思
仙人板板是什么意思
打两个喷嚏是什么意思
文人墨客的意思
fork是什么意思
守望相助的意思
一贫如洗的意思
见光死是什么意思
食言的意思
毅力的意思
猜你喜欢
誉满天下的意思
灯不拨不亮理不辩不明的意思
光彩夺目意思
爱不释手是什么意思
占空比是什么意思
balance是什么意思
江河日下的意思
劳动节祝福
校庆祝福语
tik tok什么意思