指南生活
首页
美食营养
手工爱好
生活家居
返回
指南生活
首页
美食营养
游戏数码
手工爱好
生活家居
健康养生
运动户外
职场理财
情感交际
母婴教育
时尚美容
知识问答
生活知识
搜索
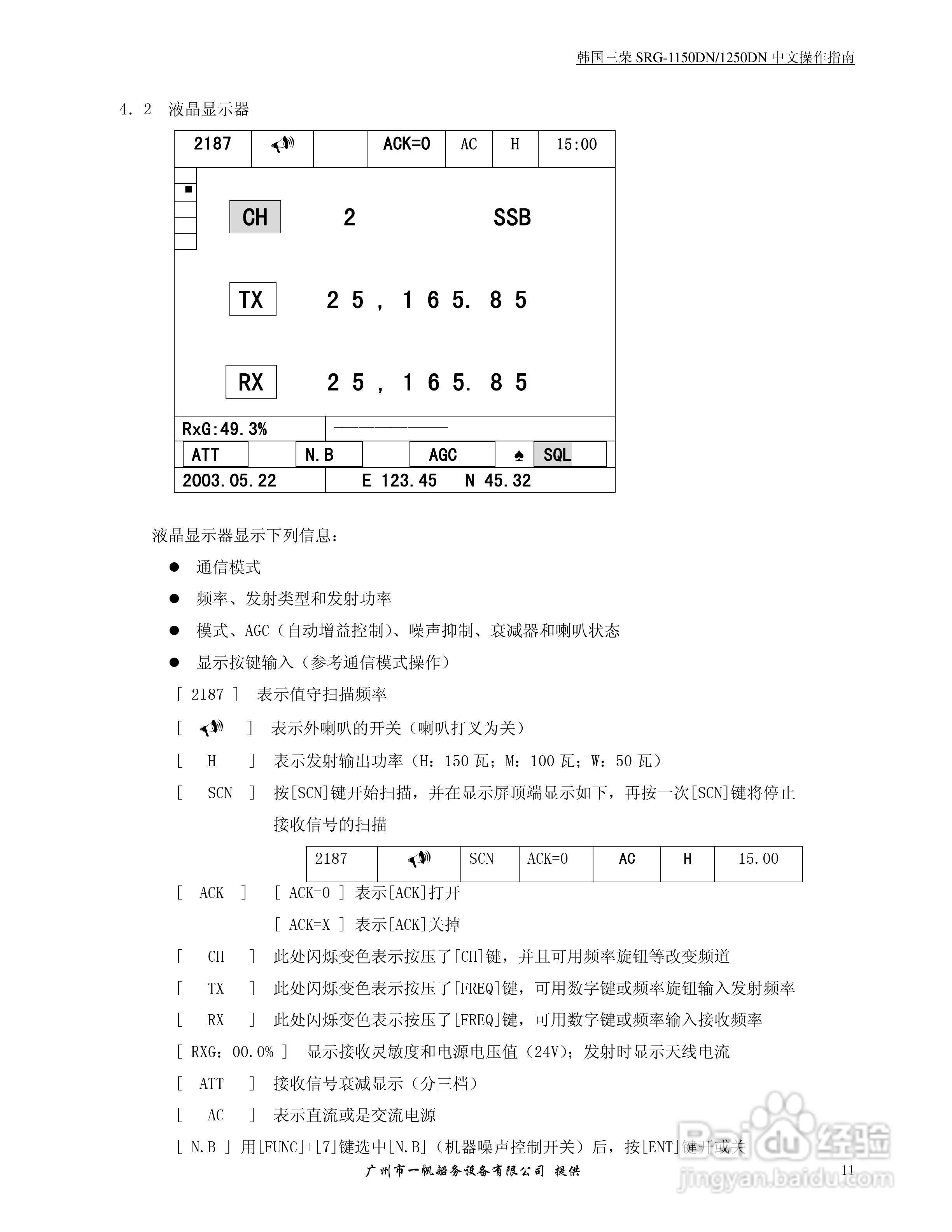
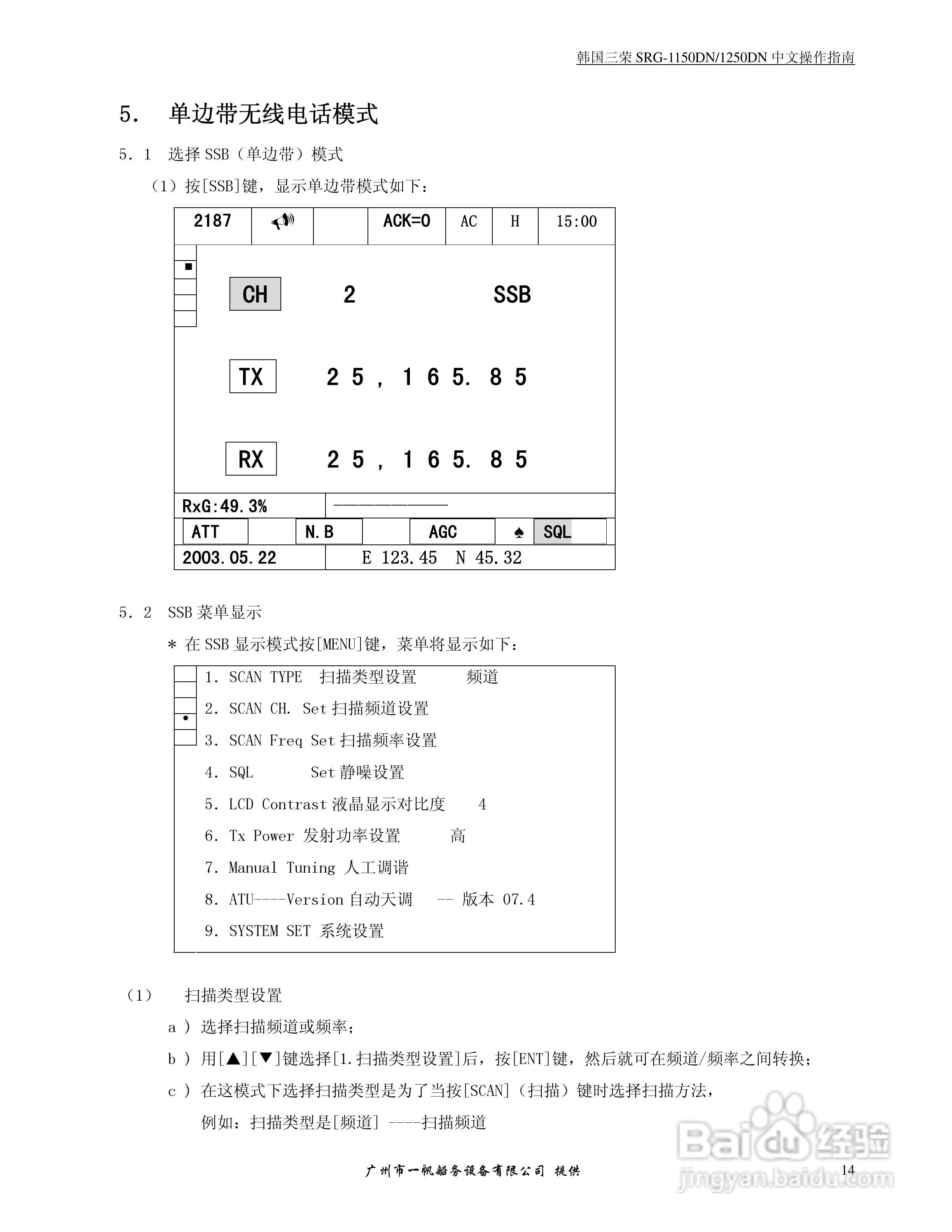
SRG-1150DN/SRG-1250DN MF/HF/DSC收发机中文操作手册:[2]
2025-12-29 22:22:30
本篇为《SRG-1150DN/SRG-1250DN MF/HF/DSC收发机中文操作手册》,主要介绍该产品的使用方法以及常见故障解决方案。
(共篇)
上一篇:
|
下一篇:
声明:
本网站引用、摘录或转载内容仅供网站访问者交流或参考,不代表本站立场,如存在版权或非法内容,请联系站长删除,联系邮箱:site.kefu@qq.com。
相关推荐
SRG-1150DN/SRG-1250DN MF/HF/DSC收发机中文操作手册:[1]
阅读量:157
SRG-1150DN/SRG-1250DN MF/HF/DSC收发机中文操作手册:[3]
阅读量:183
三荣电子SRG-1150N收发机操作手册:[6]
阅读量:47
三荣电子SRG-1150N收发机操作手册:[7]
阅读量:162
三荣电子SRG-1150N收发机操作手册:[8]
阅读量:134
猜你喜欢
项目简介怎么写
魅族手机怎么样
月饼怎么画?
微信视频通话怎么美颜
烂嘴角是怎么回事
高粱米怎么吃
电脑c盘满了怎么办
京东购物卡怎么用
深圳怎么去香港
小鲫鱼怎么做好吃
猜你喜欢
重庆大学怎么样
苦瓜怎么吃
qq邮箱地址怎么写
法令纹怎么消除
台灯的拼音怎么写
衣服染色怎么洗掉
万用表怎么用
平均速度怎么求
宇宙是怎么形成的
疫情手抄报内容怎么写