指南生活
首页
美食营养
手工爱好
生活家居
返回
指南生活
首页
美食营养
游戏数码
手工爱好
生活家居
健康养生
运动户外
职场理财
情感交际
母婴教育
时尚美容
知识问答
生活知识
生活百科
搜索
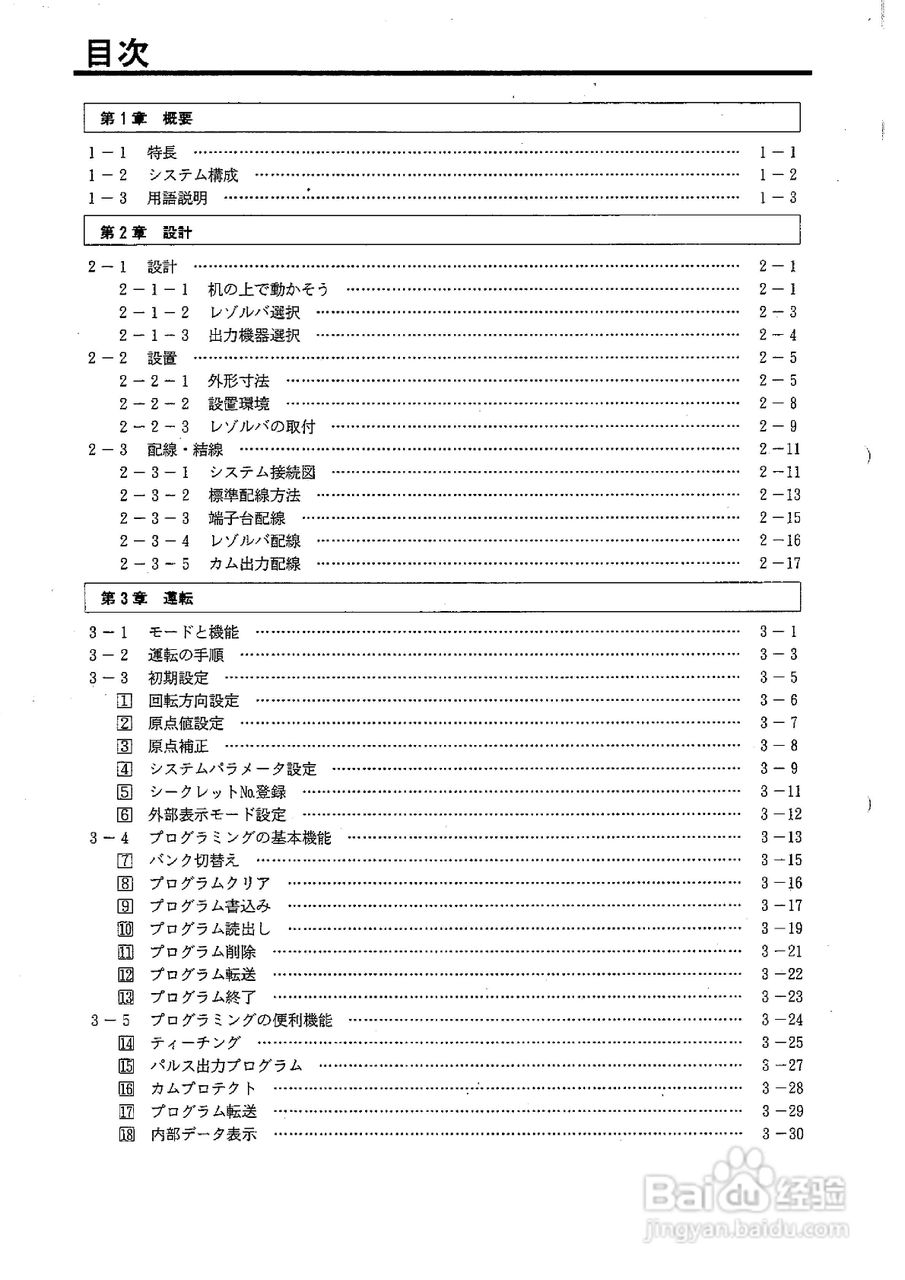
OMRON 3F88L-155凸轮定位器使用说明书:[1]
2026-05-08 14:57:16
本篇为《OMRON 3F88L-155凸轮定位器使用说明书》,主要介绍该产品的使用方法以及常见故障解决方案。
(共篇)
下一篇:
声明:
本网站引用、摘录或转载内容仅供网站访问者交流或参考,不代表本站立场,如存在版权或非法内容,请联系站长删除,联系邮箱:site.kefu@qq.com。
相关推荐
OMRON 3F88L-155凸轮定位器使用说明书:[10]
阅读量:172
OMRON 3F88L-155凸轮定位器使用说明书:[11]
阅读量:121
怎样使用solidworks画凸轮
阅读量:176
FLASH凸轮机构
阅读量:193
凸轮轴轴端间隙的检查
阅读量:183
猜你喜欢
安全知识图片
普法知识
松茸菌的功效与作用及食用方法
运动鞋除臭
薄荷的功效与作用
山楂干的功效与作用
一劳永逸什么意思
知识产权专业
什么音乐好听
生活中的物理知识
猜你喜欢
六神曲的功效与作用
心绞痛什么症状
趣味知识竞赛题库
什么牌子好
榴莲的功效与作用
物理电学知识点
猴赛雷什么意思
深海鱼油的作用
菊花的作用与功效
供给侧什么意思