指南生活
首页
美食营养
手工爱好
生活家居
返回
指南生活
首页
美食营养
游戏数码
手工爱好
生活家居
健康养生
运动户外
职场理财
情感交际
母婴教育
时尚美容
知识问答
生活知识
搜索
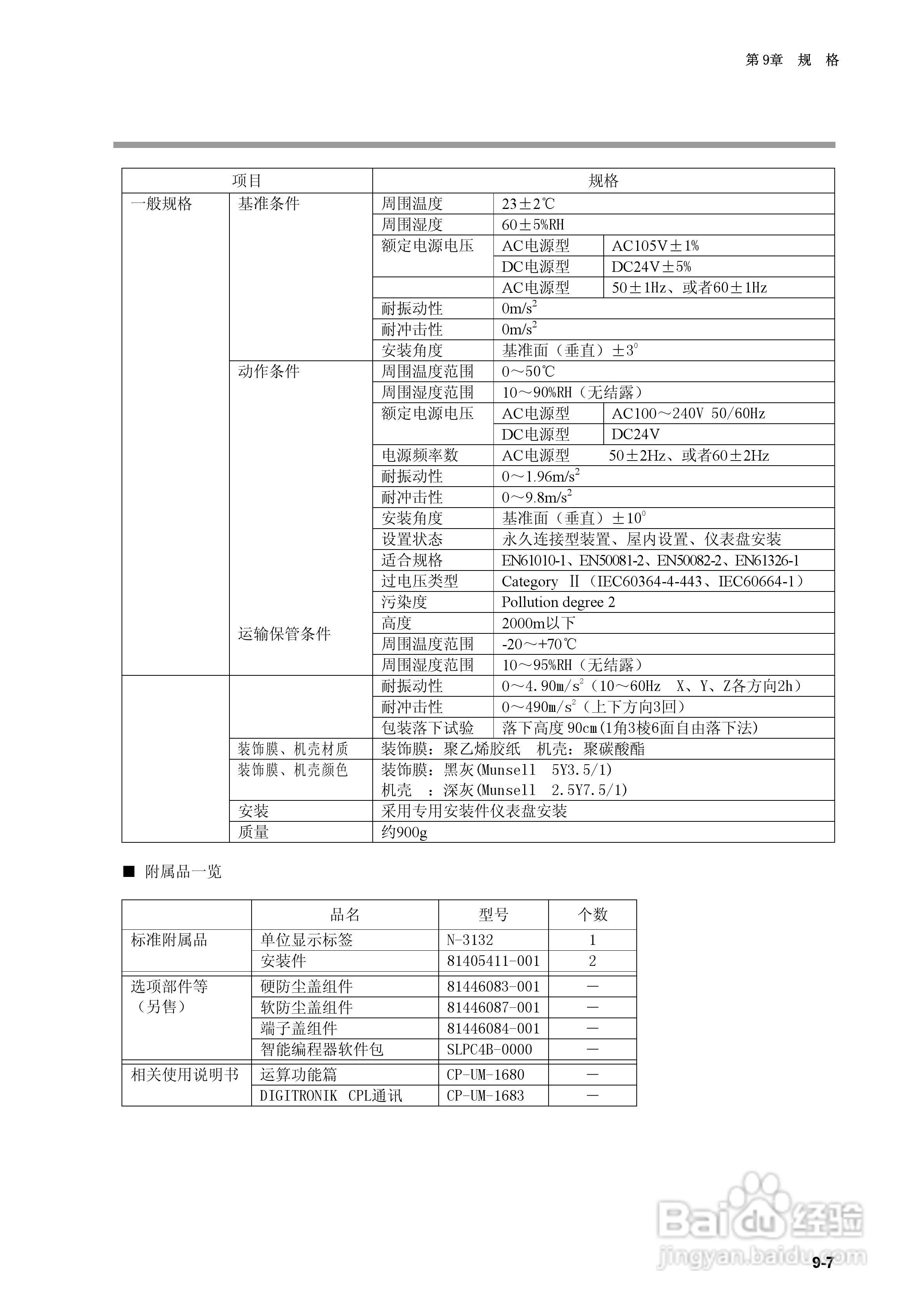
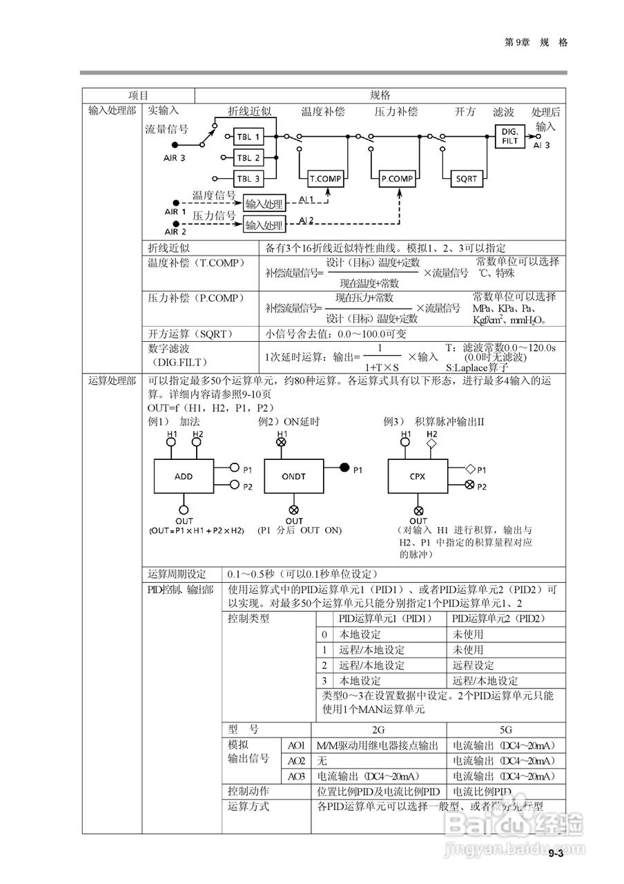
日本山武指示调节器SDC40B使用说明书:[17]
2025-12-31 07:17:15
本篇为《日本山武指示调节器SDC40B使用说明书》,主要介绍该产品的使用方法以及常见故障解决方案。
(共篇)
上一篇:
|
下一篇:
声明:
本网站引用、摘录或转载内容仅供网站访问者交流或参考,不代表本站立场,如存在版权或非法内容,请联系站长删除,联系邮箱:site.kefu@qq.com。
相关推荐
日本山武指示调节器SDC40B使用说明书:[16]
阅读量:64
日本山武指示调节器SDC40B使用说明书:[12]
阅读量:178
使用说明书封面怎么做
阅读量:96
使用说明书wf2651使用指南
阅读量:94
日本山武指示调节器SDC40B使用说明书:[14]
阅读量:142
猜你喜欢
如何安慰失恋的人
如何设置ip
开户行是什么
意淫是什么意思
生活中的化学小常识
培训学校如何招生
生活在别处
如何做好淘宝
梦天木门质量怎么样
滑精怎么治疗
猜你喜欢
唐氏综合征是什么病
脸上的毛孔粗大怎么办
cg是什么意思的
二手房中介费怎么算
十二月是什么星座
尼康d5100怎么样
root后怎么还原
血糖高是什么原因引起的
home键是什么意思
怎么样治疗脱发