指南生活
首页
美食营养
手工爱好
生活家居
返回
指南生活
首页
美食营养
游戏数码
手工爱好
生活家居
健康养生
运动户外
职场理财
情感交际
母婴教育
时尚美容
知识问答
生活知识
搜索
浪潮英信服务器NP110G2用户手册说明书:[1]
2025-12-16 00:10:13
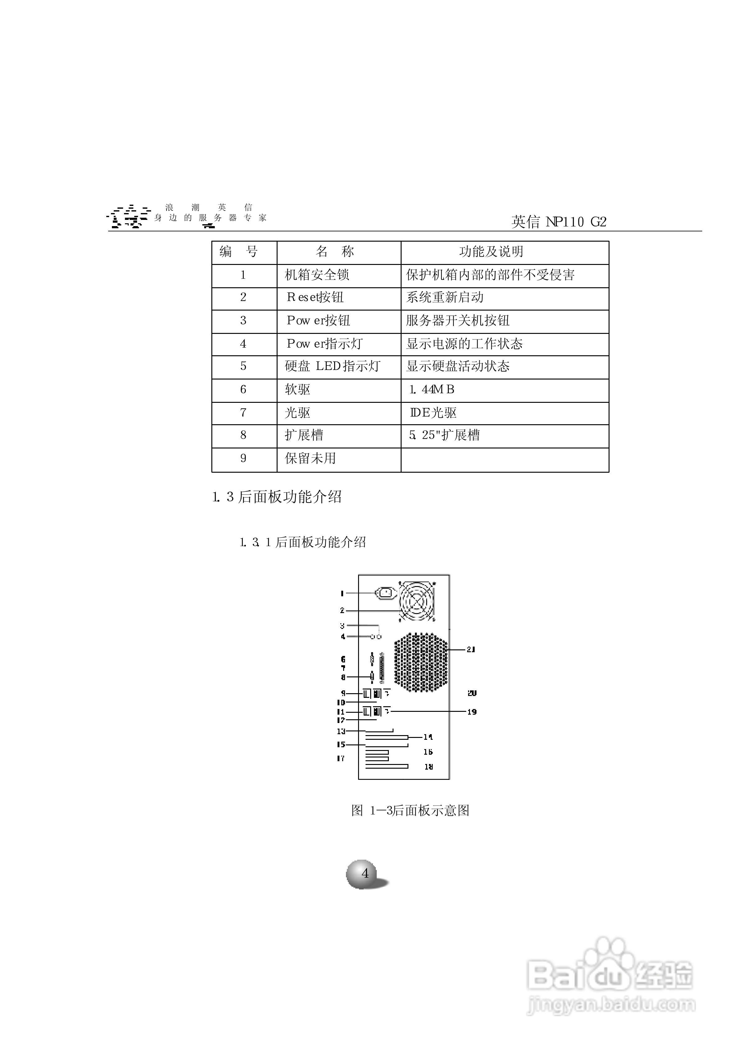
本篇为《浪潮英信服务器NP110G2用户手册说明书》,主要介绍该产品的使用方法以及常见故障解决方案。
(共篇)
下一篇:
声明:
本网站引用、摘录或转载内容仅供网站访问者交流或参考,不代表本站立场,如存在版权或非法内容,请联系站长删除,联系邮箱:site.kefu@qq.com。
相关推荐
浪潮英信服务器NP110G2用户手册说明书:[2]
阅读量:65
浪潮英信服务器NP110G2用户手册说明书:[4]
阅读量:172
浪潮英信服务器NP110用户手册说明书:[6]
阅读量:195
浪潮服务器系统安装
阅读量:24
浪潮服务器热备盘配置
阅读量:141
猜你喜欢
君子坦荡荡小人长戚戚的意思
干百合的功效与作用
领结婚证需要带什么证件
金霉素软膏的作用
粉身碎骨的意思
how do you do是什么意思
事倍功半的意思
直男是什么意思啊
饥寒交迫的意思
么么哒是什么意思
猜你喜欢
tag是什么意思啊
什么酒价格最贵
什么是信用卡透支
心急如焚的意思
滚球什么意思
呵呵是什么意思啊
乳酸菌饮料的作用
年少轻狂什么意思
propose什么意思
中二是什么意思