Cprinter GP-7635Ⅲ/7645/7645II 撞击点阵式打印机使:[2]

2026-03-28 10:53:30

本篇为《Cprinter GP-7635Ⅲ/7645/7645II 撞击点阵式打印机使》,主要介绍该产品的使用方法以及常见故障解决方案。


Cprinter GP-7635Ⅲ/7645/7645II 撞击点阵式打印机使:[2]

Cprinter GP-7635Ⅲ/7645/7645II 撞击点阵式打印机使:[2]

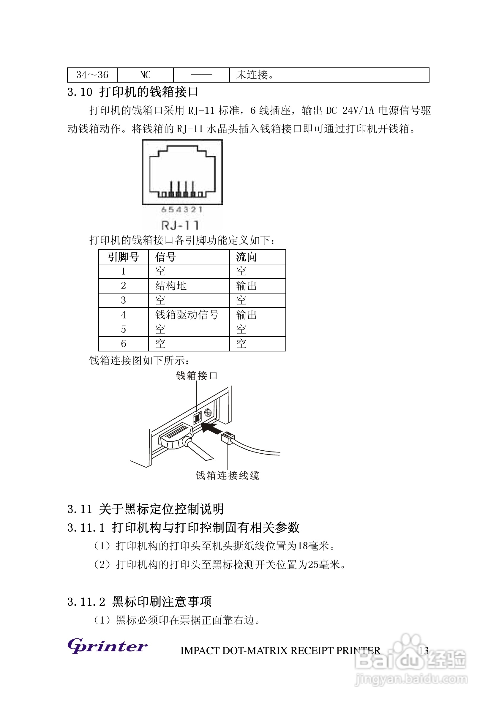
Cprinter GP-7635Ⅲ/7645/7645II 撞击点阵式打印机使:[2]

Cprinter GP-7635Ⅲ/7645/7645II 撞击点阵式打印机使:[2]

Cprinter GP-7635Ⅲ/7645/7645II 撞击点阵式打印机使:[2]

Cprinter GP-7635Ⅲ/7645/7645II 撞击点阵式打印机使:[2]

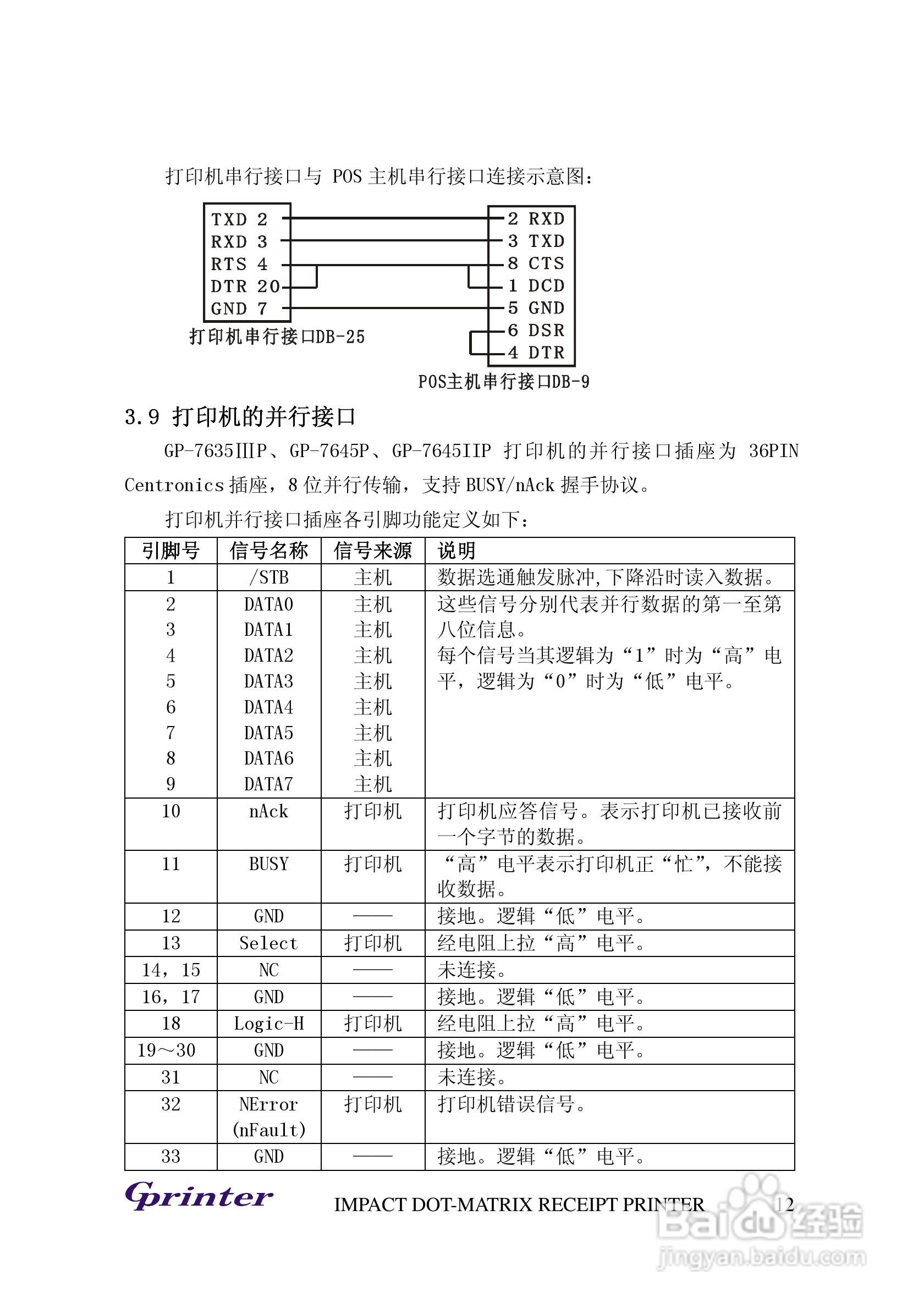
Cprinter GP-7635Ⅲ/7645/7645II 撞击点阵式打印机使:[2]

Cprinter GP-7635Ⅲ/7645/7645II 撞击点阵式打印机使:[2]

Cprinter GP-7635Ⅲ/7645/7645II 撞击点阵式打印机使:[2]

Cprinter GP-7635Ⅲ/7645/7645II 撞击点阵式打印机使:[2]

(共篇)上一篇:
声明:本网站引用、摘录或转载内容仅供网站访问者交流或参考,不代表本站立场,如存在版权或非法内容,请联系站长删除,联系邮箱:site.kefu@qq.com。
相关推荐
  • 阅读量:53
  • 阅读量:113
  • 阅读量:152
  • 阅读量:181
  • 阅读量:148
  • 猜你喜欢