指南生活
首页
美食营养
手工爱好
生活家居
返回
指南生活
首页
美食营养
游戏数码
手工爱好
生活家居
健康养生
运动户外
职场理财
情感交际
母婴教育
时尚美容
知识问答
生活知识
生活百科
搜索
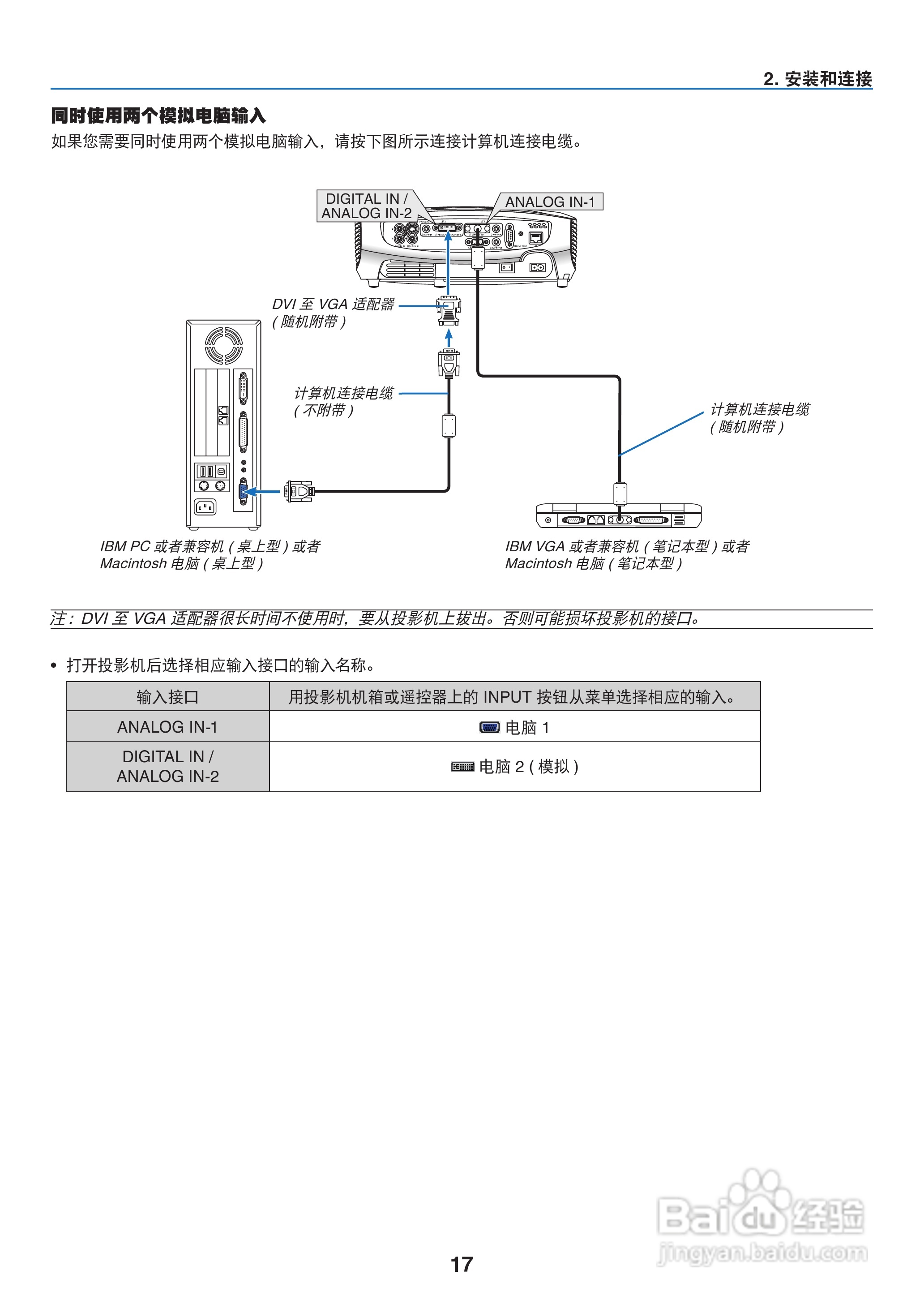
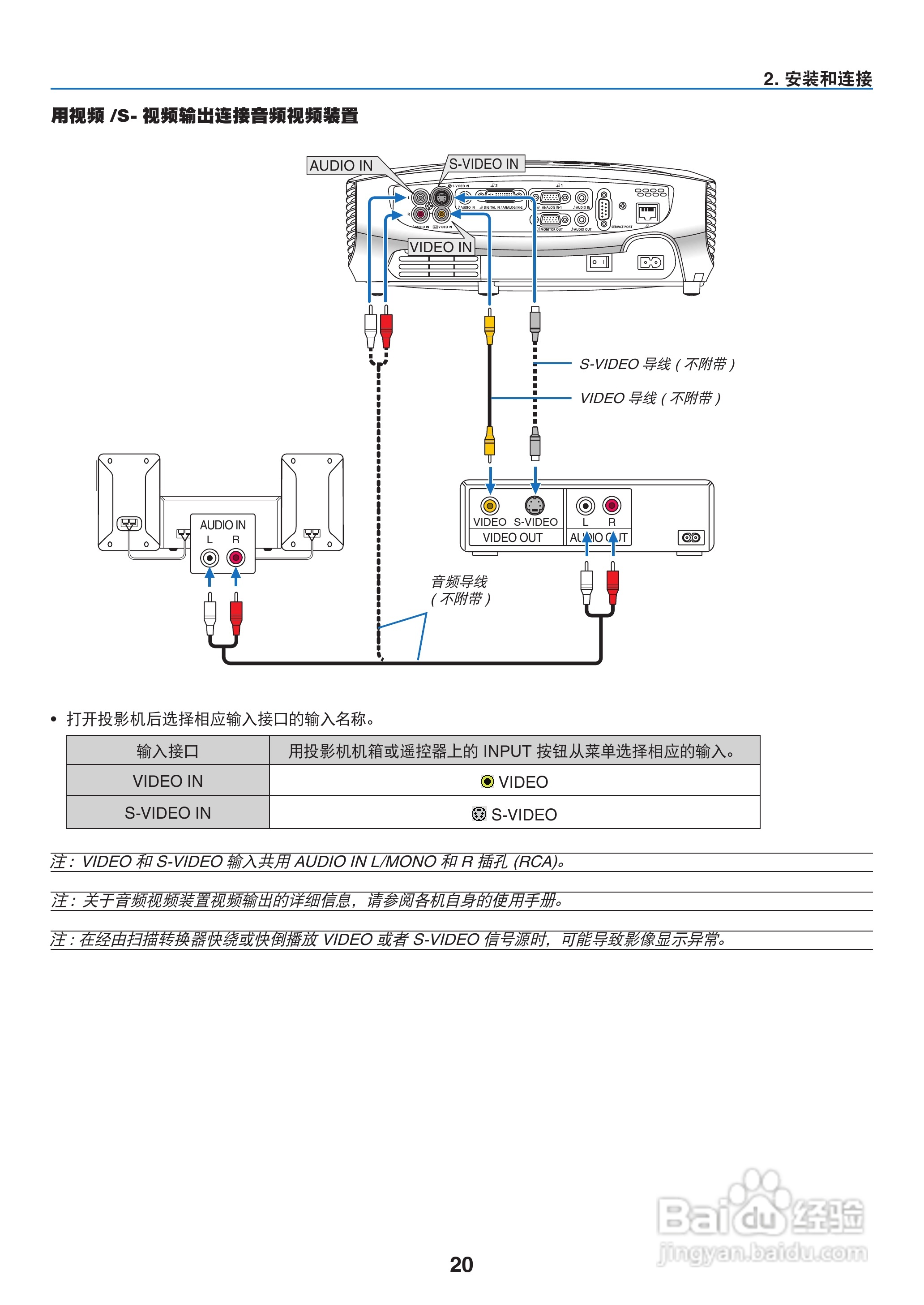
佳能LV-7370投影机使用说明书:[3]
2026-04-07 14:38:17
本篇为《佳能LV-7370投影机使用说明书》,主要介绍该产品的使用方法以及常见故障解决方案。
(共篇)
上一篇:
|
下一篇:
声明:
本网站引用、摘录或转载内容仅供网站访问者交流或参考,不代表本站立场,如存在版权或非法内容,请联系站长删除,联系邮箱:site.kefu@qq.com。
相关推荐
佳能LV-7370投影机使用说明书:[1]
阅读量:98
佳能LV-7370投影机使用说明书:[4]
阅读量:55
佳能LV-7375投影机使用说明书:[3]
阅读量:104
佳能LV-8300投影机使用说明书:[3]
阅读量:59
投影机重影怎么调整
阅读量:149
猜你喜欢
打印机碳粉怎么加
遮瑕笔怎么用
abcd级车怎么区分
鼻屎怎么清理
没关系英语怎么说
英语怎么拼
闯禁行怎么处罚
川字纹怎么消除
索尼电视怎么样
清宫表怎么看
猜你喜欢
怎么修改图片大小
小麦胚芽怎么吃
植发怎么样
怎么删除分隔符
tplink路由器怎么设置
路由器怎么连接电脑
婴儿老吐奶怎么办
鼻子痒是怎么回事
嘴唇干怎么办
云南白药胶囊怎么吃