指南生活
首页
美食营养
手工爱好
生活家居
返回
指南生活
首页
美食营养
游戏数码
手工爱好
生活家居
健康养生
运动户外
职场理财
情感交际
母婴教育
时尚美容
知识问答
生活知识
搜索
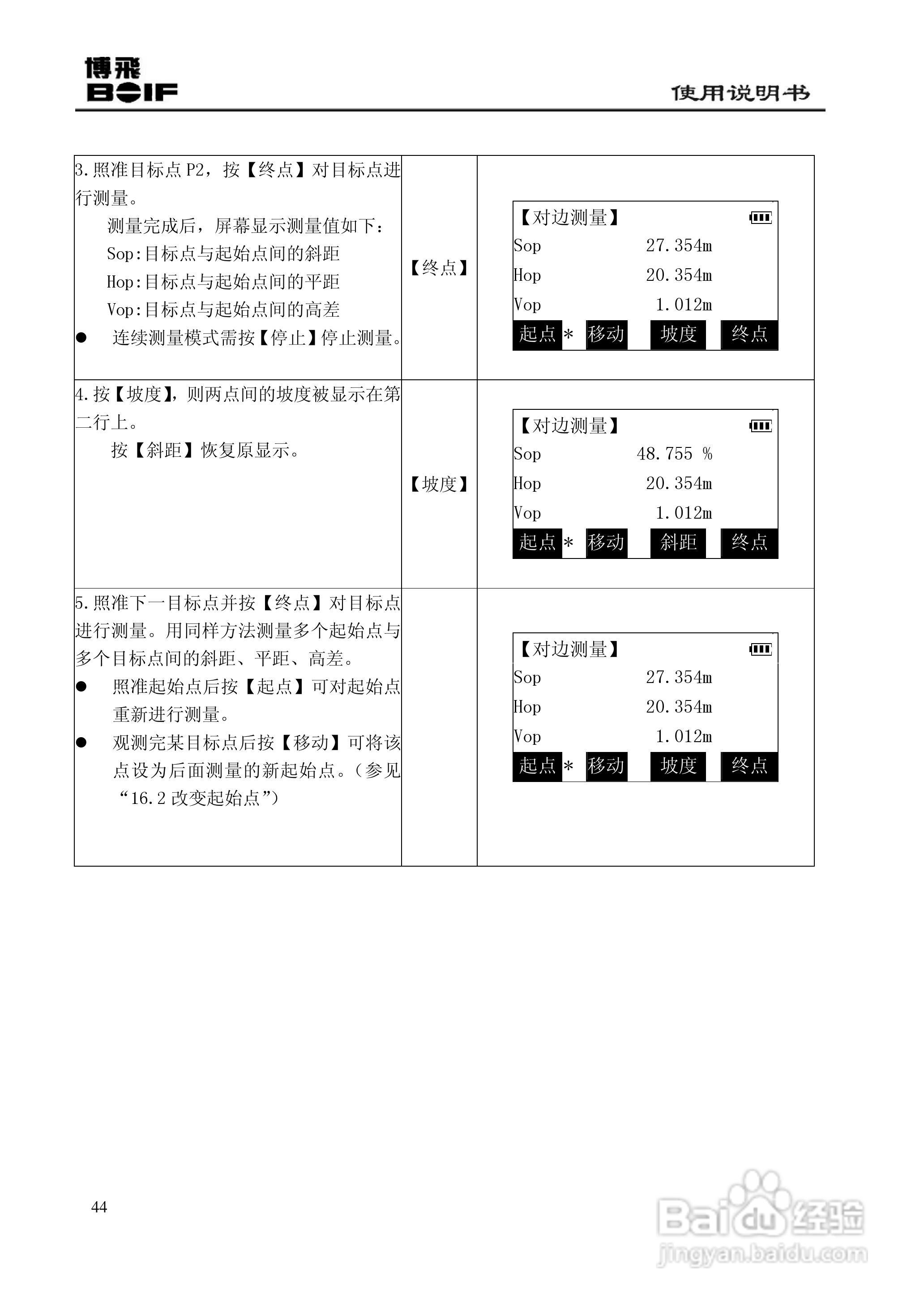
博飞BTS800系列全站仪说明书:[5]
2026-02-27 20:06:09
本篇为《博飞BTS800系列全站仪说明书》,主要介绍该产品的使用方法以及常见故障解决方案。
(共篇)
上一篇:
|
下一篇:
声明:
本网站引用、摘录或转载内容仅供网站访问者交流或参考,不代表本站立场,如存在版权或非法内容,请联系站长删除,联系邮箱:site.kefu@qq.com。
相关推荐
博飞BTS800系列全站仪说明书:[11]
阅读量:185
全站仪使用方法
阅读量:158
全站仪使用说明书
阅读量:45
全站仪obs 码率如何设置
阅读量:60
全站仪的操作技巧
阅读量:38
猜你喜欢
知识英文
叶酸的作用
决明子菊花茶的功效与作用及禁忌
香蕉的功效与作用
田径运动员
石榴皮的作用
什么是冲锋衣
奥司他韦的作用与功效
扁豆的功效与作用
什么奶粉最接近母乳
猜你喜欢
消防知识安全常识
七上英语知识点
蚊子喜欢叮咬什么血型的人
什么药补肾
什么样的书最香
鸡蛋吃多了有什么坏处
情人节送男朋友什么礼物
黄小米的功效与作用
防风的功效与作用
连花清瘟胶囊的功效与作用