指南生活
首页
美食营养
手工爱好
生活家居
返回
指南生活
首页
美食营养
游戏数码
手工爱好
生活家居
健康养生
运动户外
职场理财
情感交际
母婴教育
时尚美容
知识问答
生活知识
搜索
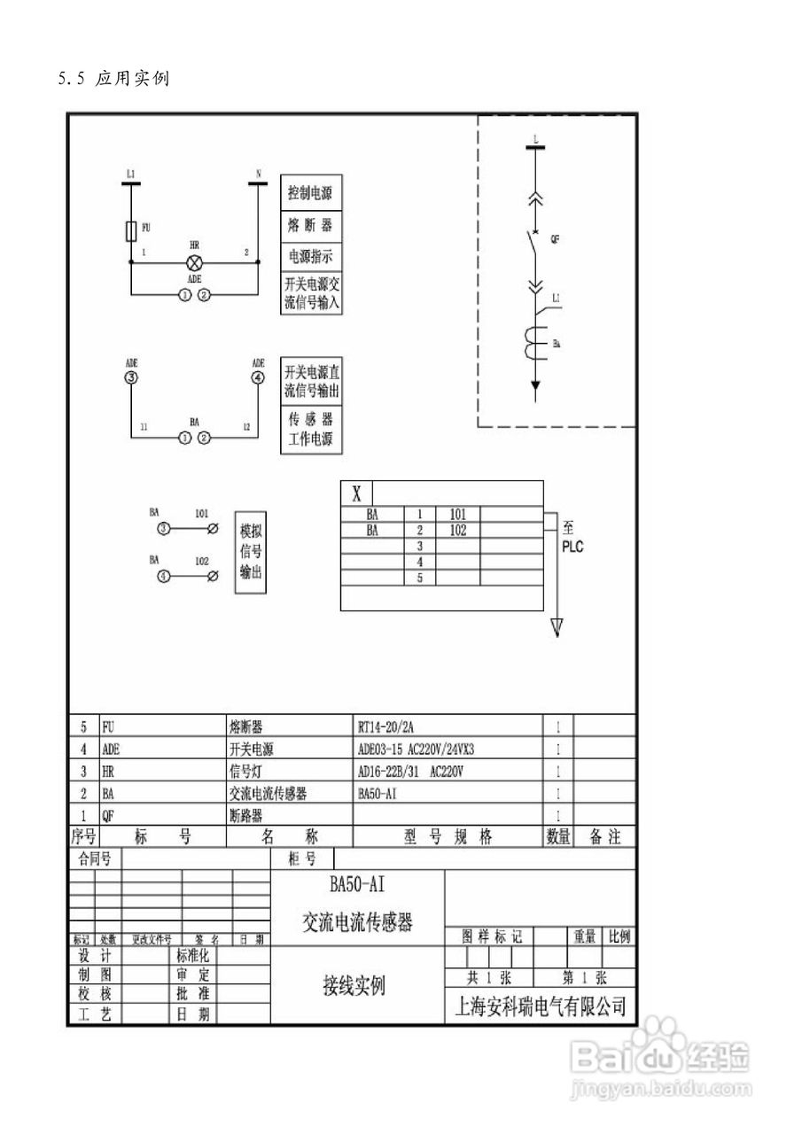
安科瑞BA系列交流电流传感器说明书
2025-12-13 04:05:02
声明:
本网站引用、摘录或转载内容仅供网站访问者交流或参考,不代表本站立场,如存在版权或非法内容,请联系站长删除,联系邮箱:site.kefu@qq.com。
相关推荐
安科瑞 ARD3智能电动机保护器使用说明书:[2]
阅读量:181
安科瑞 ARD3智能电动机保护器使用说明书:[3]
阅读量:95
安科瑞 ARD3智能电动机保护器使用说明书:[4]
阅读量:66
安科瑞 ARD3智能电动机保护器使用说明书:[1]
阅读量:149
安科瑞 ARD3智能电动机保护器使用说明书:[5]
阅读量:82
猜你喜欢
fbi是什么
打印机卡纸是什么原因
hear是什么意思
独显是什么意思
有什么仙侠手游
八字刘海适合什么脸型
晚安是什么意思
子宫内膜厚是什么原因引起的
词又称什么
智齿是什么
猜你喜欢
ecn是什么意思
9月11日是什么星座
后知后觉什么意思
琪字五行属什么
千什么百什么的成语
土木工程专业学什么
strict是什么意思
12月17日是什么星座
宁古塔是现今什么地方
hid是什么意思