指南生活
首页
美食营养
手工爱好
生活家居
返回
指南生活
首页
美食营养
游戏数码
手工爱好
生活家居
健康养生
运动户外
职场理财
情感交际
母婴教育
时尚美容
知识问答
生活知识
搜索
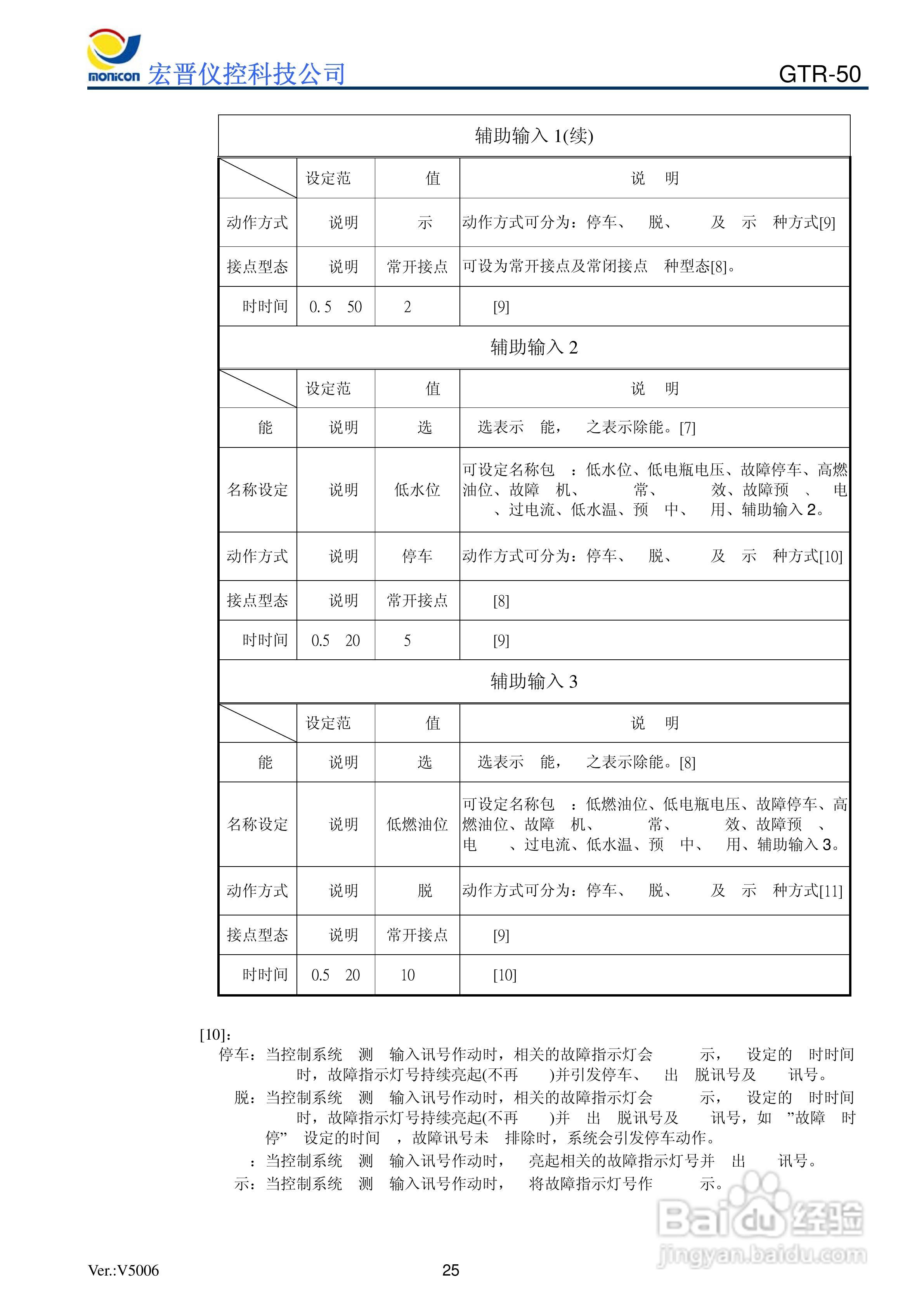
GTR-50发电机控制器说明书:[3]
2025-12-19 04:23:49
本篇为《GTR-50发电机控制器说明书》,主要介绍该产品的使用方法以及常见故障解决方案。
(共篇)
上一篇:
声明:
本网站引用、摘录或转载内容仅供网站访问者交流或参考,不代表本站立场,如存在版权或非法内容,请联系站长删除,联系邮箱:site.kefu@qq.com。
相关推荐
GTR-50发电机控制器说明书:[1]
阅读量:21
GTR-85发电机控制器说明书:[3]
阅读量:177
GTR-85发电机控制器说明书:[1]
阅读量:165
GTR-85发电机控制器说明书:[4]
阅读量:77
GTR-80发电机控制器:[3]
阅读量:101
猜你喜欢
加盟是什么意思
10月19日是什么星座
ce认证是什么认证
女人的排卵期是什么时候
读万卷书行万里路什么意思
爱的人正在路上是什么歌
封闭针是什么
旗舰机是什么意思
pda是什么
诚实的反义词是什么
猜你喜欢
轻盈的反义词是什么
4月30日是什么星座
属猪的和什么属相最配
精子是什么味道
盗汗是什么意思
sku是什么意思
3月8日是什么星座
后背疼是什么病
什么是成熟
殖民地是什么意思