指南生活
首页
美食营养
手工爱好
生活家居
返回
指南生活
首页
美食营养
游戏数码
手工爱好
生活家居
健康养生
运动户外
职场理财
情感交际
母婴教育
时尚美容
知识问答
生活知识
生活百科
搜索
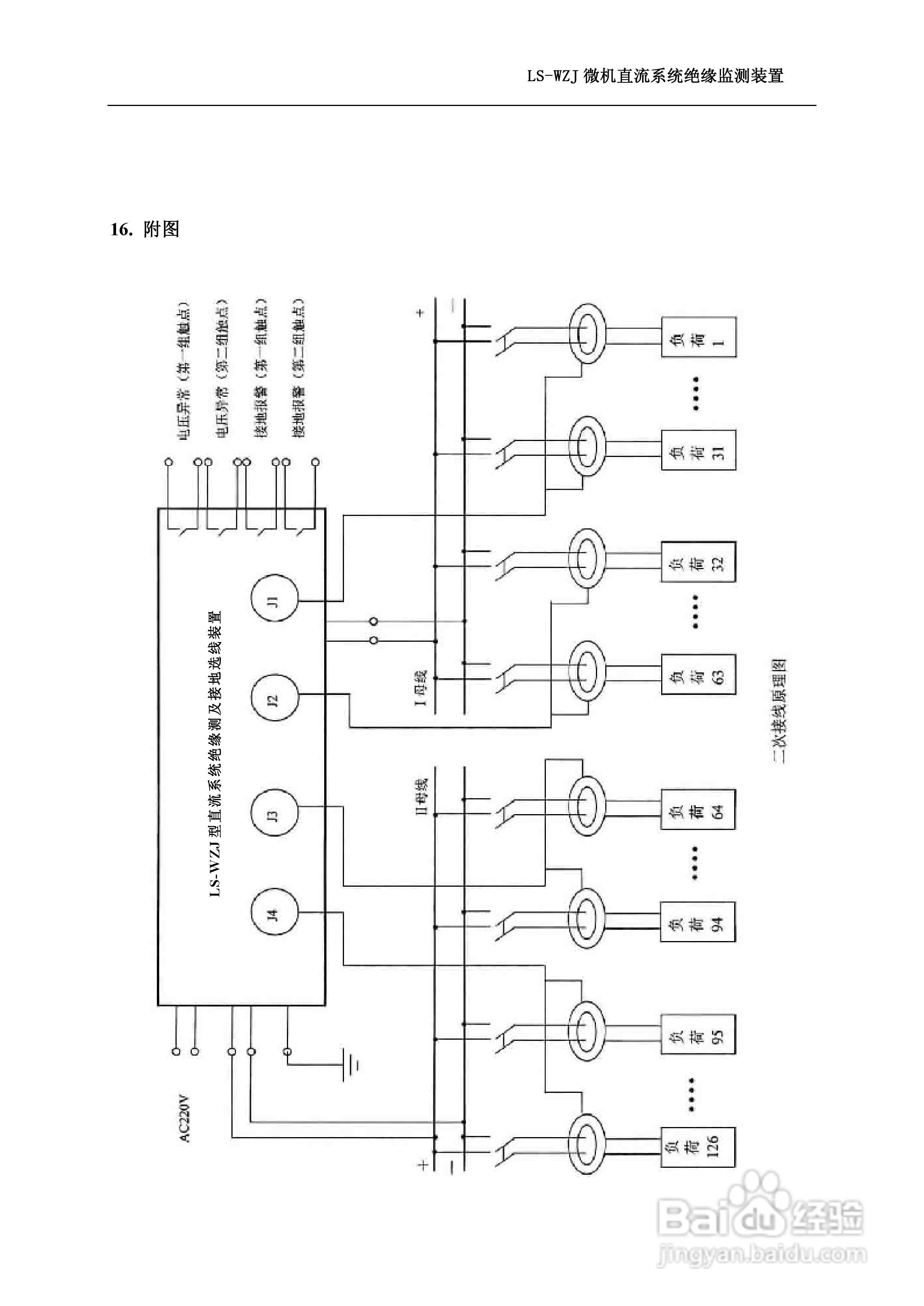
隆胜LS-WZ微机直流系统绝缘监测装置使用说明书:[2]
2026-04-23 01:06:05
本篇为《隆胜LS-WZ微机直流系统绝缘监测装置使用说明书》,主要介绍该产品的使用方法以及常见故障解决方案。
(共篇)
上一篇:
声明:
本网站引用、摘录或转载内容仅供网站访问者交流或参考,不代表本站立场,如存在版权或非法内容,请联系站长删除,联系邮箱:site.kefu@qq.com。
相关推荐
LYBSY-3交流采样变送器校验装置
阅读量:151
富士FXW手持通信器使用说明书:[4]
阅读量:170
SK-M6594VE6嵌入式多网口主板用户手册:[4]
阅读量:108
HP 85662A频谱分析仪使用说明书:[11]
阅读量:39
SZSW2190防爆掌上探照灯
阅读量:147
猜你喜欢
广东工程职业技术学院怎么样
supreme是什么意思
小资生活加盟
平淡的生活
除号怎么输入
朝鲜人的生活
晚上哭的早晨如何消肿
如何炸鸡翅
面部红血丝怎么去除
承兑汇票丢失怎么办
猜你喜欢
身体瘦弱如何增肥
中国女人性色生活视频
如何设置网络共享
被扶养人生活费
偏旁部首怎么打
怎么下载视频到u盘里
乐生活
网球肘如何治疗
如何清理手机垃圾
如何去除u盘写保护