指南生活
首页
美食营养
手工爱好
生活家居
返回
指南生活
首页
美食营养
游戏数码
手工爱好
生活家居
健康养生
运动户外
职场理财
情感交际
母婴教育
时尚美容
知识问答
生活知识
搜索
2000/3600 115/230V隔离变压器用户手册:[3]
2026-03-06 08:07:43
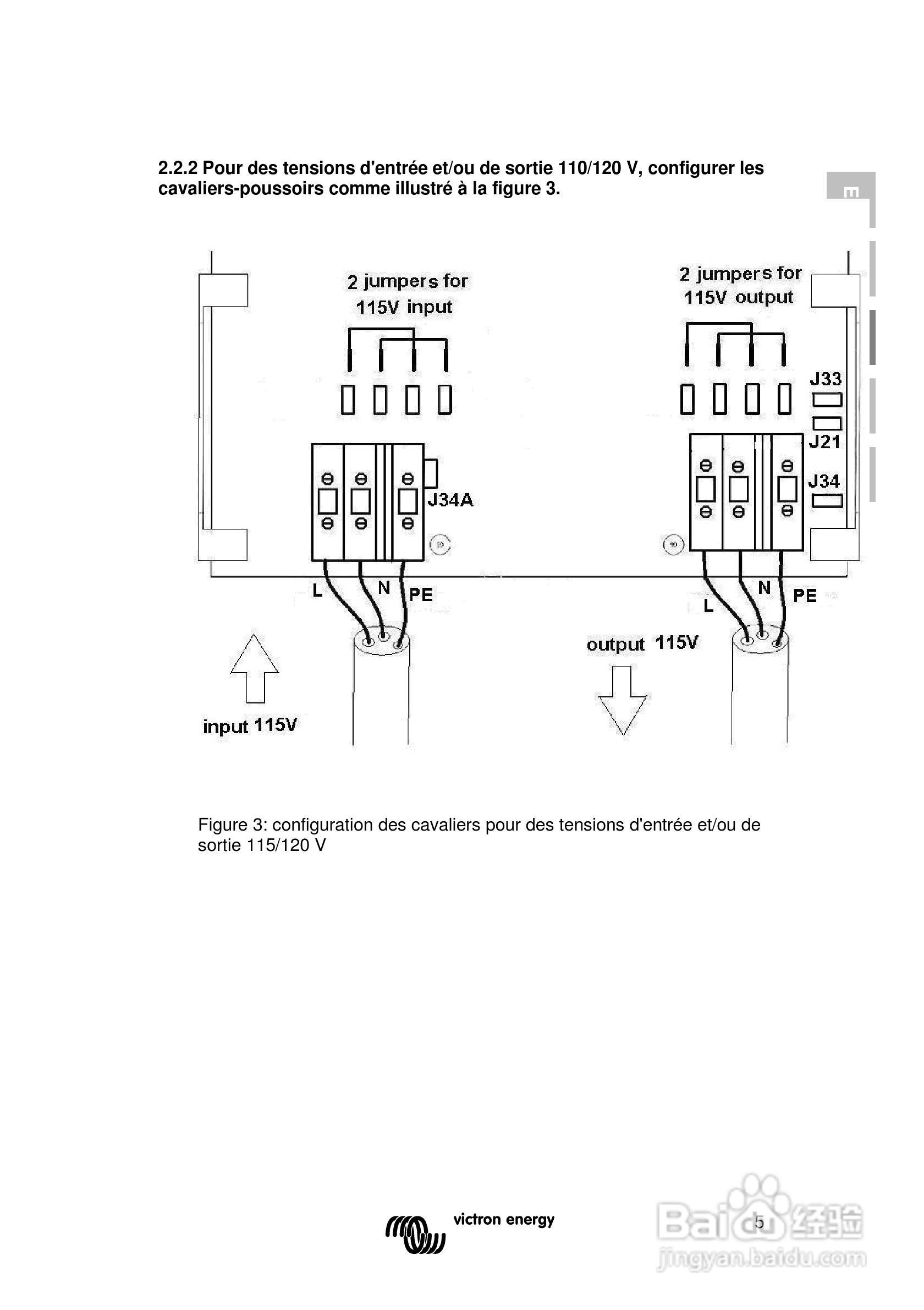
本篇为《2000/3600 115/230V隔离变压器用户手册》,主要介绍该产品的使用方法以及常见故障解决方案。
(共篇)
上一篇:
|
下一篇:
声明:
本网站引用、摘录或转载内容仅供网站访问者交流或参考,不代表本站立场,如存在版权或非法内容,请联系站长删除,联系邮箱:site.kefu@qq.com。
相关推荐
2000/3600 115/230V隔离变压器用户手册:[4]
阅读量:177
怎样制作隔离变压器之 小功率维修电源
阅读量:97
安装变压器过程
阅读量:131
怎样改焊机为大功率隔离变压器
阅读量:113
如何挑选变压器?
阅读量:142
猜你喜欢
洋槐花怎么做好吃
消化不好怎么办
软键盘怎么调出来
怎么查上升星座
怎么清理注册表
安全警告怎么关闭
小米充电宝怎么充电
ps怎么画箭头
婴儿拉肚子怎么办
宝宝红屁股怎么办
猜你喜欢
qq怎么解冻
乙的五笔怎么打
首行缩进怎么设置
作者简介怎么写
狐臭怎么彻底去除
怎么把歌曲变成伴奏
花粉怎么吃
战斗砖块剧场怎么双人
哺乳期便秘怎么办
细小怎么治