指南生活
首页
美食营养
手工爱好
生活家居
返回
指南生活
首页
美食营养
游戏数码
手工爱好
生活家居
健康养生
运动户外
职场理财
情感交际
母婴教育
时尚美容
知识问答
生活知识
生活百科
搜索
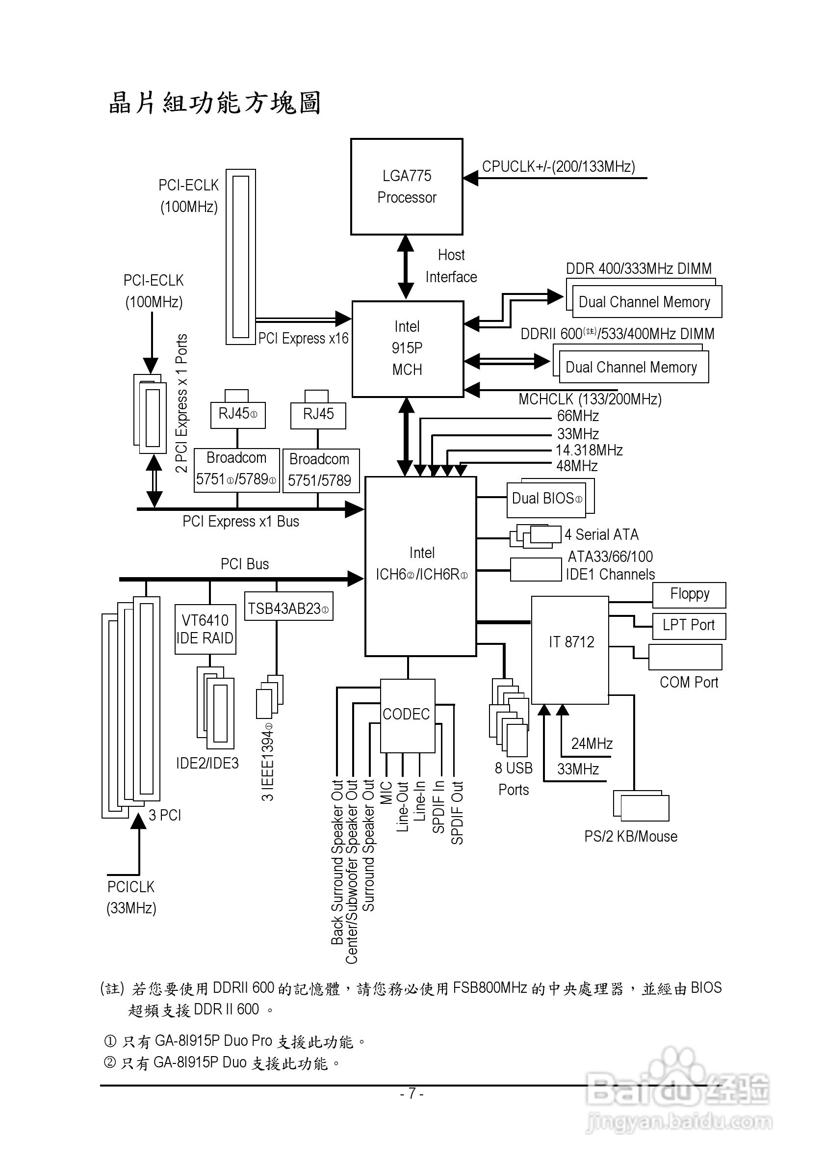
技嘉GA-8I915P Duo型主板说明书:[1]
2026-05-16 01:33:59
本篇为《技嘉GA-8I915P Duo型主板说明书》,主要介绍该产品的使用方法以及常见故障解决方案。
(共篇)
下一篇:
声明:
本网站引用、摘录或转载内容仅供网站访问者交流或参考,不代表本站立场,如存在版权或非法内容,请联系站长删除,联系邮箱:site.kefu@qq.com。
相关推荐
技嘉 GA-8I915P-MF主板说明书:[1]
阅读量:103
技嘉 GA-8I915P-MF主板说明书:[3]
阅读量:160
技嘉 GA-8I915P-D主板说明书:[5]
阅读量:61
技嘉 GA-8I915P-D主板说明书:[6]
阅读量:166
技嘉主板bios设置固态硬盘启动
阅读量:72
猜你喜欢
祝福语公司
爬行垫什么材质的好
凌乱的意思
待产包里都有什么
考试祝福语
chest是什么意思
湿吻是什么意思
cellular是什么意思
stem是什么意思
sentence是什么意思
猜你喜欢
养什么好养又赚钱
羡慕的意思是什么
秋天煲什么汤
狂妄的意思
qfii是什么意思
accept是什么意思
高考祝福语 八个字
2014什么生肖
什么是多士炉
由来的意思