指南生活
首页
美食营养
手工爱好
生活家居
返回
指南生活
首页
美食营养
游戏数码
手工爱好
生活家居
健康养生
运动户外
职场理财
情感交际
母婴教育
时尚美容
知识问答
生活知识
搜索
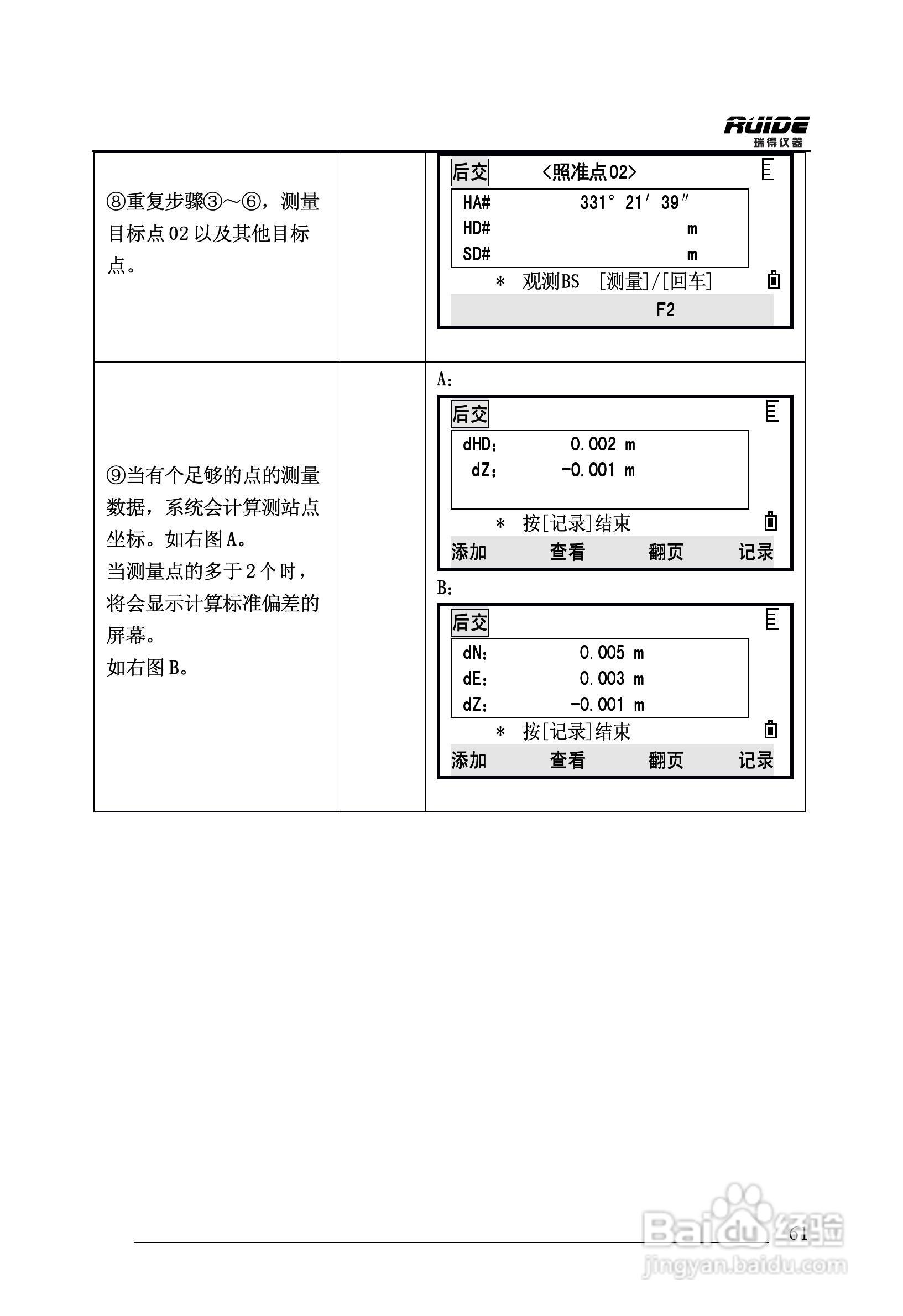
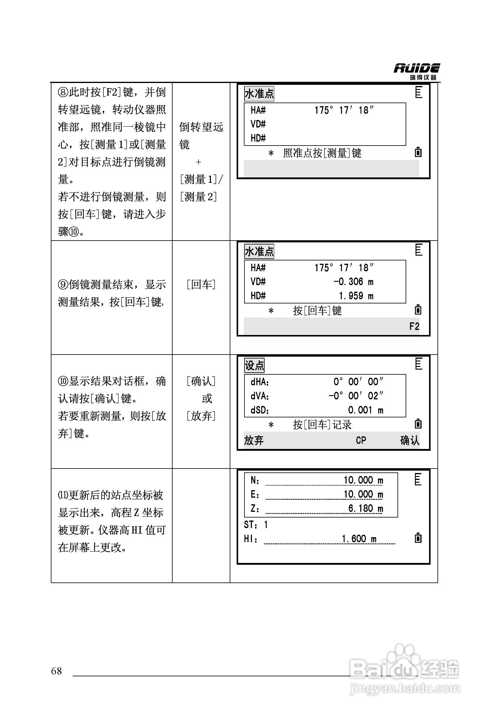
瑞得RTS-862/5R全站仪说明书:[7]
2026-03-02 12:51:53
本篇为《瑞得RTS-862/5R全站仪说明书》,主要介绍该产品的使用方法以及常见故障解决方案。
(共篇)
上一篇:
|
下一篇:
声明:
本网站引用、摘录或转载内容仅供网站访问者交流或参考,不代表本站立场,如存在版权或非法内容,请联系站长删除,联系邮箱:site.kefu@qq.com。
相关推荐
瑞得RTS-862/5R全站仪说明书:[23]
阅读量:169
全站仪的操作技巧
阅读量:173
全站仪使用方法
阅读量:155
全站仪进行距离测量的方法
阅读量:44
全站仪导线测量的方法
阅读量:67
猜你喜欢
小妮子是什么意思
无言以对是什么意思
学习c语言用什么软件
酸奶什么时候喝好
赶快的近义词是什么
迁户口需要什么证件
什么是人口红利
ppap是什么意思
合肥有什么好玩的
community是什么意思
猜你喜欢
media是什么意思
办公室运动
三校生是什么
一二九运动
内能与什么有关
吃花生有什么好处
深什么浅什么的成语
天真是什么意思
钙铁锌硒维生素
四库全书是什么