指南生活
首页
美食营养
手工爱好
生活家居
返回
指南生活
首页
美食营养
游戏数码
手工爱好
生活家居
健康养生
运动户外
职场理财
情感交际
母婴教育
时尚美容
知识问答
生活知识
生活百科
搜索
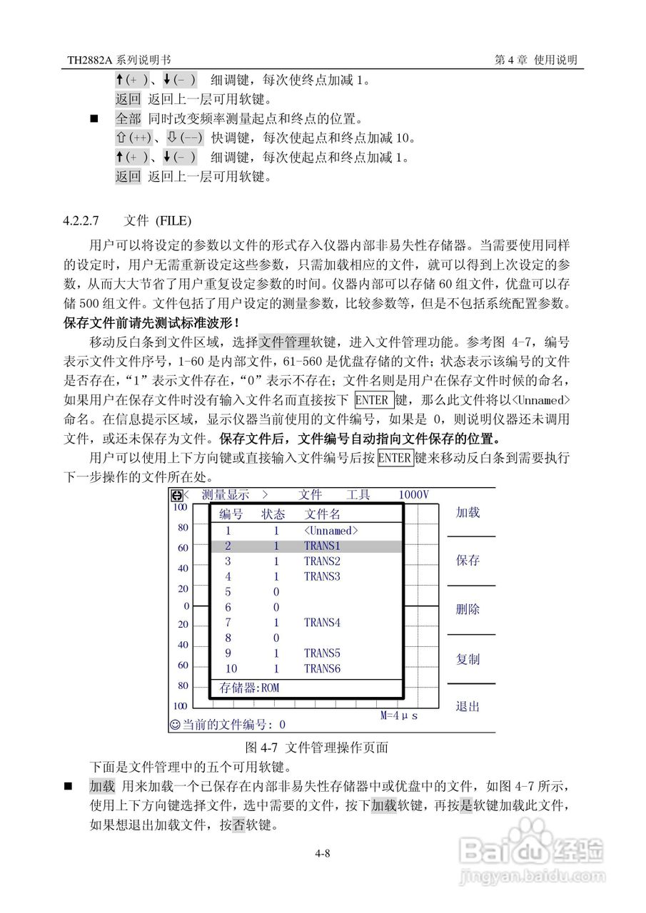
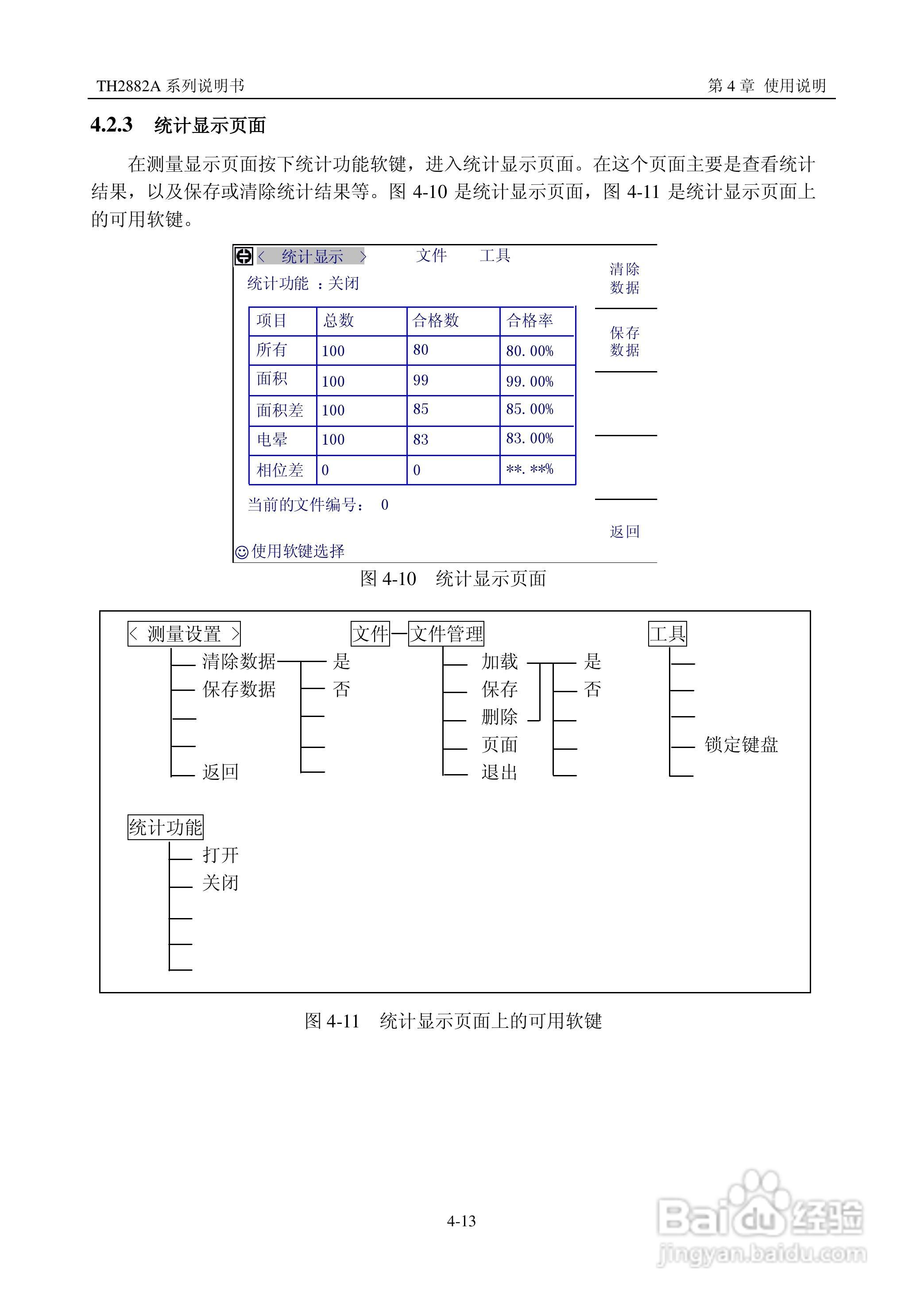
锦流源电子TH2882A-3 -5线圈类匝间绝缘测试仪说明书:[3]
2026-05-10 14:36:47
本篇为《锦流源电子TH2882A-3 -5线圈类匝间绝缘测试仪说明书》,主要介绍该产品的使用方法以及常见故障解决方案。
(共篇)
上一篇:
|
下一篇:
声明:
本网站引用、摘录或转载内容仅供网站访问者交流或参考,不代表本站立场,如存在版权或非法内容,请联系站长删除,联系邮箱:site.kefu@qq.com。
相关推荐
在WPS表格中怎样添加透视文本框
阅读量:144
excel怎么快速做柱形图?
阅读量:62
Excel中柱形图如何让柱形显示不同颜色
阅读量:144
PPT中怎么组合两个图表表现数据关系
阅读量:32
excel中如何将小时转换成秒,秒转换成小时?
阅读量:132
猜你喜欢
见解是什么意思
有什么好看的动漫
青葱岁月是什么意思
瘟疫是什么病
汽油什么时候涨价
5月15日是什么星座
mpa是什么单位
awsl什么意思
四个又念什么
5月14日是什么星座
猜你喜欢
aoc是什么牌子
晨字五行属什么
什么立什么群
前程似锦什么意思
营长是什么军衔
stay是什么意思
什么是快乐
痛苦的近义词是什么
什么的野花
6月19日是什么星座