华远ZX5晶闸管弧焊整流器说明书:[1]
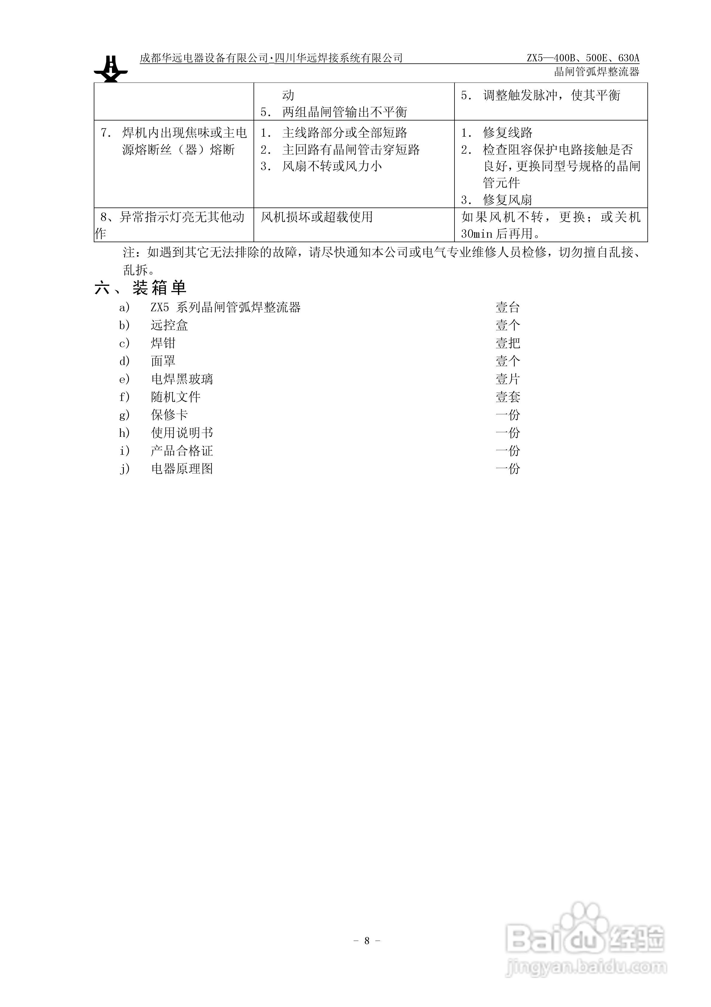
本篇为《华远ZX5晶闸管弧焊整流器说明书》,主要介绍该产品的使用方法以及常见故障解决方案。
![华远ZX5晶闸管弧焊整流器说明书:[1]](https://exp-picture.cdn.bcebos.com/ccc83ec5260f88351053186bce07880139708672.jpg)
![华远ZX5晶闸管弧焊整流器说明书:[1]](https://exp-picture.cdn.bcebos.com/a749bb0f94fc508c4317864d01775ddd894cfd72.jpg)
![华远ZX5晶闸管弧焊整流器说明书:[1]](https://exp-picture.cdn.bcebos.com/2947750192dd3340522ad032881c99c0aefcf172.jpg)
![华远ZX5晶闸管弧焊整流器说明书:[1]](https://exp-picture.cdn.bcebos.com/a9338a1fbee434da1f870b96f271fe1d97d8e472.jpg)
![华远ZX5晶闸管弧焊整流器说明书:[1]](https://exp-picture.cdn.bcebos.com/0d2fe5f202b375d762a2fa41515872dadf49d872.jpg)
![华远ZX5晶闸管弧焊整流器说明书:[1]](https://exp-picture.cdn.bcebos.com/604e9556ad042e681333105485f85856d43dd172.jpg)
![华远ZX5晶闸管弧焊整流器说明书:[1]](https://exp-picture.cdn.bcebos.com/cd93a566515985401ff04557b5a23a42a17ac472.jpg)
![华远ZX5晶闸管弧焊整流器说明书:[1]](https://exp-picture.cdn.bcebos.com/a31e1214c27bd2829b53e0f33cb1eef97ebd3673.jpg)
![华远ZX5晶闸管弧焊整流器说明书:[1]](https://exp-picture.cdn.bcebos.com/023cff37c97622bc561f8ed2a05fd54604962873.jpg)
![华远ZX5晶闸管弧焊整流器说明书:[1]](https://exp-picture.cdn.bcebos.com/47bf594ec28333bf033574fadbb8b43ea9db1d73.jpg)
声明:本网站引用、摘录或转载内容仅供网站访问者交流或参考,不代表本站立场,如存在版权或非法内容,请联系站长删除,联系邮箱:site.kefu@qq.com。
阅读量:61
阅读量:153
阅读量:111
阅读量:48
阅读量:187
本篇为《华远ZX5晶闸管弧焊整流器说明书》,主要介绍该产品的使用方法以及常见故障解决方案。
![华远ZX5晶闸管弧焊整流器说明书:[1]](https://exp-picture.cdn.bcebos.com/ccc83ec5260f88351053186bce07880139708672.jpg)
![华远ZX5晶闸管弧焊整流器说明书:[1]](https://exp-picture.cdn.bcebos.com/a749bb0f94fc508c4317864d01775ddd894cfd72.jpg)
![华远ZX5晶闸管弧焊整流器说明书:[1]](https://exp-picture.cdn.bcebos.com/2947750192dd3340522ad032881c99c0aefcf172.jpg)
![华远ZX5晶闸管弧焊整流器说明书:[1]](https://exp-picture.cdn.bcebos.com/a9338a1fbee434da1f870b96f271fe1d97d8e472.jpg)
![华远ZX5晶闸管弧焊整流器说明书:[1]](https://exp-picture.cdn.bcebos.com/0d2fe5f202b375d762a2fa41515872dadf49d872.jpg)
![华远ZX5晶闸管弧焊整流器说明书:[1]](https://exp-picture.cdn.bcebos.com/604e9556ad042e681333105485f85856d43dd172.jpg)
![华远ZX5晶闸管弧焊整流器说明书:[1]](https://exp-picture.cdn.bcebos.com/cd93a566515985401ff04557b5a23a42a17ac472.jpg)
![华远ZX5晶闸管弧焊整流器说明书:[1]](https://exp-picture.cdn.bcebos.com/a31e1214c27bd2829b53e0f33cb1eef97ebd3673.jpg)
![华远ZX5晶闸管弧焊整流器说明书:[1]](https://exp-picture.cdn.bcebos.com/023cff37c97622bc561f8ed2a05fd54604962873.jpg)
![华远ZX5晶闸管弧焊整流器说明书:[1]](https://exp-picture.cdn.bcebos.com/47bf594ec28333bf033574fadbb8b43ea9db1d73.jpg)