指南生活
首页
美食营养
手工爱好
生活家居
返回
指南生活
首页
美食营养
游戏数码
手工爱好
生活家居
健康养生
运动户外
职场理财
情感交际
母婴教育
时尚美容
知识问答
生活知识
搜索
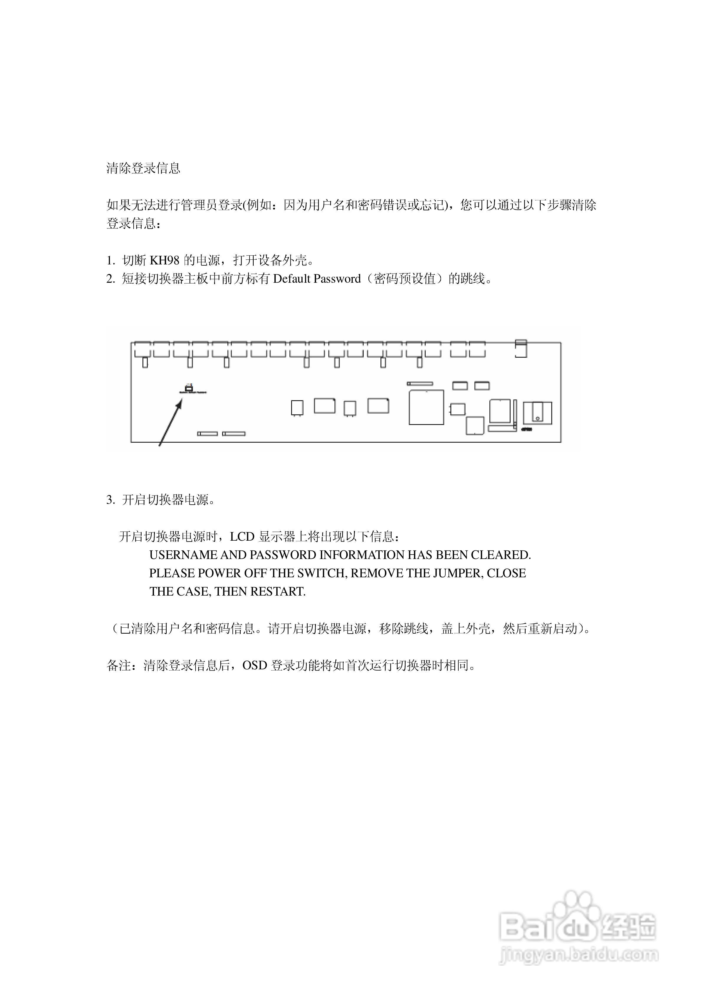
KH-98 KVM切换器用户手册:[7]
2025-12-27 11:08:53
本篇为《KH-98 KVM切换器用户手册》,主要介绍该产品的使用方法以及常见故障解决方案。
(共篇)
上一篇:
声明:
本网站引用、摘录或转载内容仅供网站访问者交流或参考,不代表本站立场,如存在版权或非法内容,请联系站长删除,联系邮箱:site.kefu@qq.com。
相关推荐
CS1308/CS1316 KVM切换器用户手册:[7]
阅读量:158
Cat 5 高密度KVM 切换器KH-1508/KH-1516 用户手册:[7]
阅读量:67
CS1308/CS1316 KVM切换器用户手册:[6]
阅读量:56
aten CS-228 KVM切换器用户手册:[3]
阅读量:141
CS1308/CS1316 KVM切换器用户手册:[1]
阅读量:63
猜你喜欢
图腾是什么意思
竹子代表什么人
良莠不齐的意思
什么的鸟巢
剥夺政治权利终身是什么意思
什么叫关联企业
达尔文发明了什么
同人是什么意思
风湿病有什么症状
碘酒的作用
猜你喜欢
手指上的月牙代表什么
纷至沓来的意思
leo是什么意思
dwg用什么软件打开
大蒜油的功效与作用
三支一扶是什么意思
浴帘什么材质好
貔貅读什么
什么是美瞳
shall是什么意思