指南生活
首页
美食营养
手工爱好
生活家居
返回
指南生活
首页
美食营养
游戏数码
手工爱好
生活家居
健康养生
运动户外
职场理财
情感交际
母婴教育
时尚美容
知识问答
生活知识
生活百科
搜索
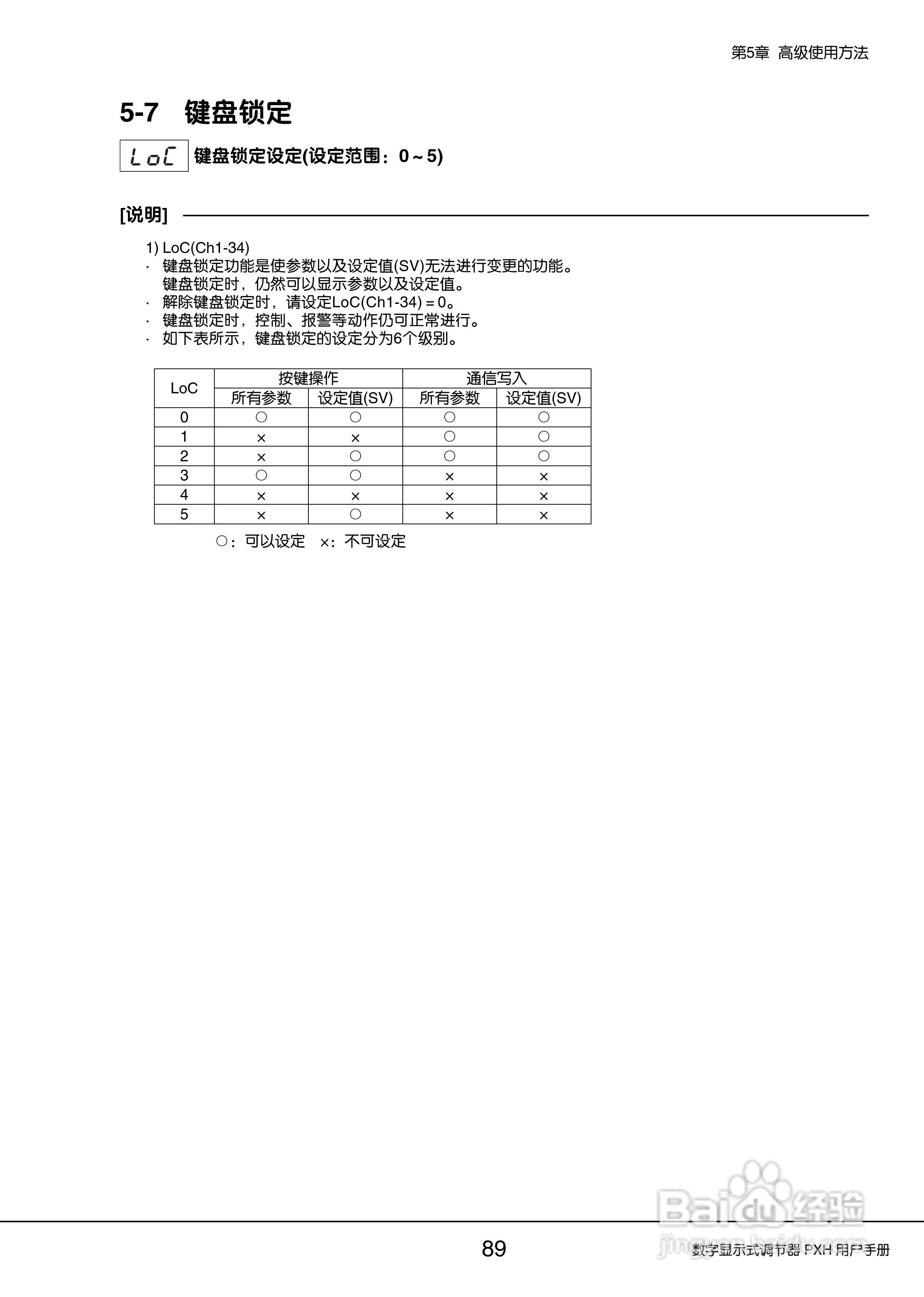
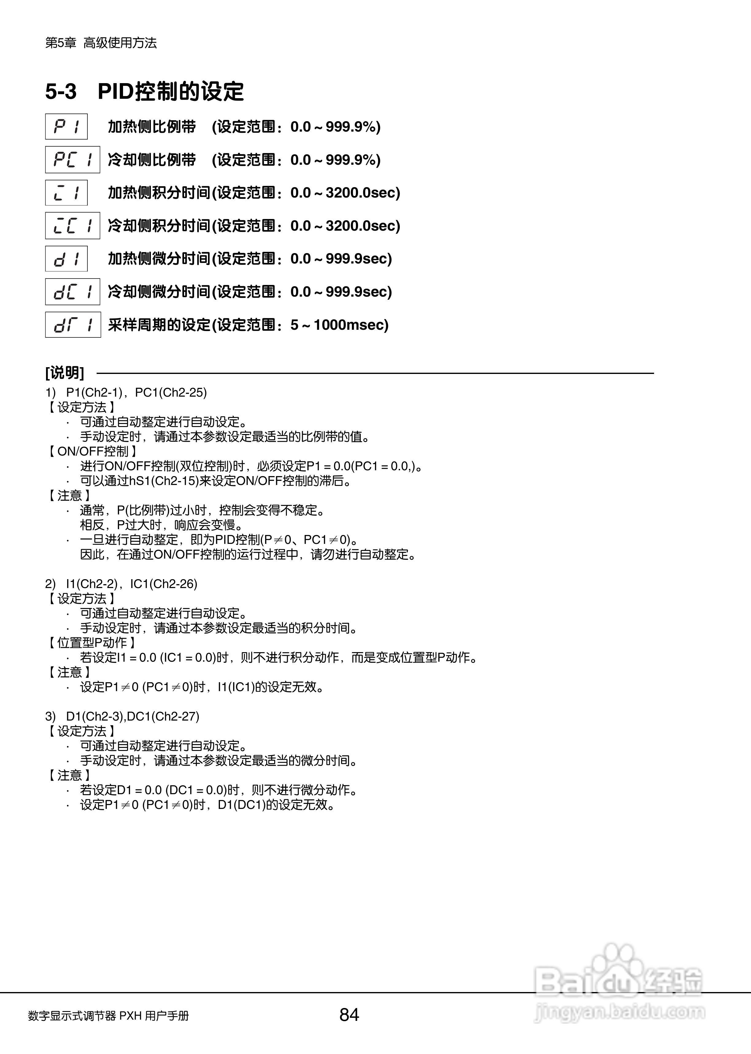
富士PXH加热/制冷控制型数字显示式调节器操作手册:[9]
2026-04-26 07:34:40
本篇为《富士PXH加热/制冷控制型数字显示式调节器操作手册》,主要介绍该产品的使用方法以及常见故障解决方案。
(共篇)
上一篇:
|
下一篇:
声明:
本网站引用、摘录或转载内容仅供网站访问者交流或参考,不代表本站立场,如存在版权或非法内容,请联系站长删除,联系邮箱:site.kefu@qq.com。
相关推荐
螺纹铁的养殖方法和注意事项
阅读量:105
降血糖的有效方法,怎么做降血糖
阅读量:59
如何接线Hamilton变送器
阅读量:136
海信LE55K610X3D液晶彩电使用说明书:[2]
阅读量:58
创新川菜鹅肝酱杏鲍菇的做法
阅读量:167
猜你喜欢
look是什么意思
中通快递什么时候上班
23333是什么意思
什么是尿等待
海纳百川的意思
偏心的意思
无限火力什么时候上线
惨淡经营的意思
拜金女是什么意思
我的世界红石有什么用
猜你喜欢
善的意思
无烟锅什么牌子好
隐患的意思
什么什么为什么成语
天衣无缝是什么意思
长城站什么时候落成
希望的意思
勤王是什么意思
腹背受敌的意思
牛郎星是属于什么星座