指南生活
首页
美食营养
手工爱好
生活家居
返回
指南生活
首页
美食营养
游戏数码
手工爱好
生活家居
健康养生
运动户外
职场理财
情感交际
母婴教育
时尚美容
知识问答
生活知识
搜索
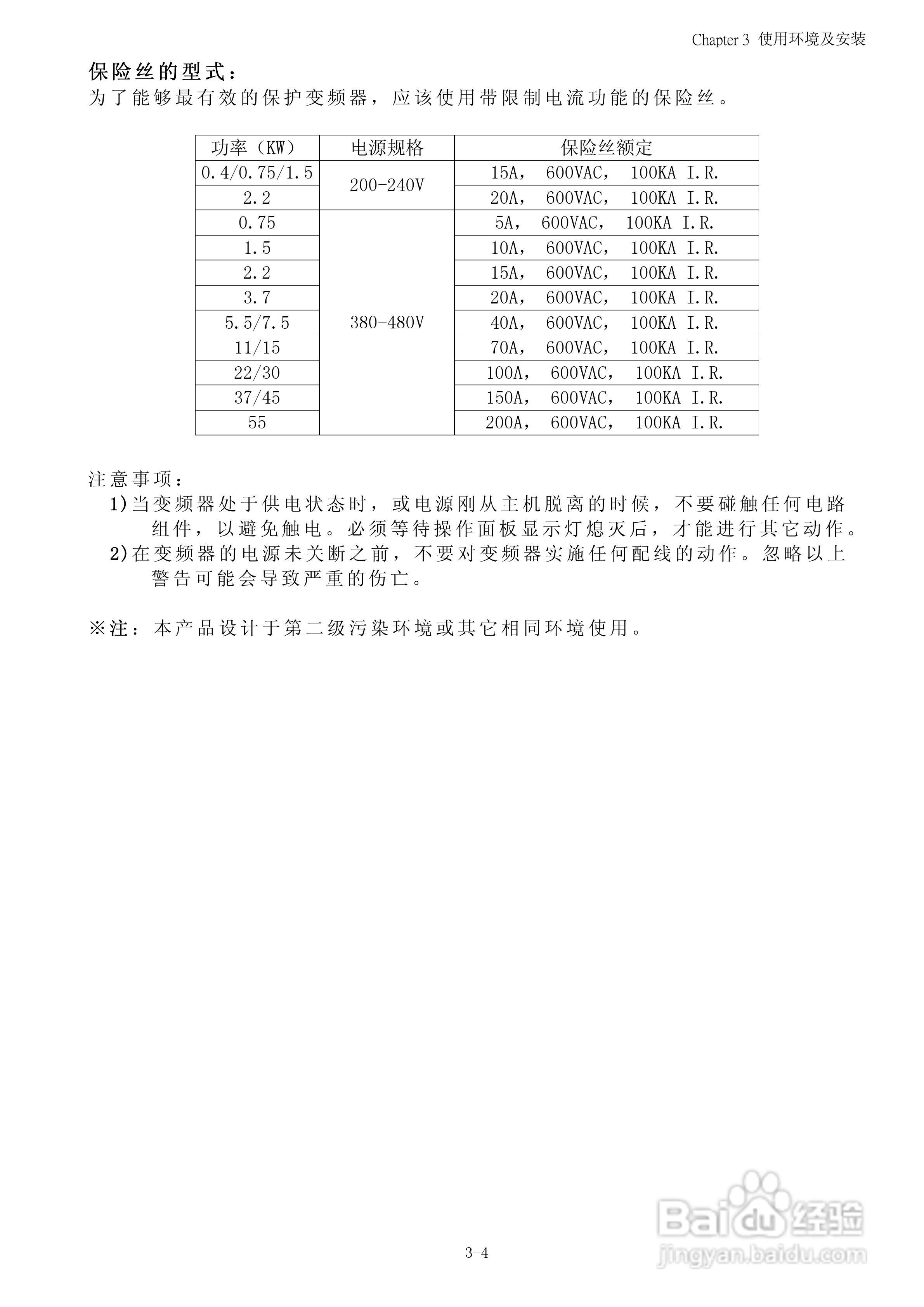
FATEK FID-N1-550-43X变频器使用说明书:[2]
2025-12-28 09:22:04
本篇为《FATEK FID-N1-550-43X变频器使用说明书》,主要介绍该产品的使用方法以及常见故障解决方案。
(共篇)
上一篇:
|
下一篇:
声明:
本网站引用、摘录或转载内容仅供网站访问者交流或参考,不代表本站立场,如存在版权或非法内容,请联系站长删除,联系邮箱:site.kefu@qq.com。
相关推荐
FATEK FID-N1-550-43X变频器使用说明书:[10]
阅读量:81
FATEK FID-S1-015-21变频器使用说明书:[2]
阅读量:58
FATEK FID-S1-015-21变频器使用说明书:[1]
阅读量:98
使用说明书wf2651使用指南
阅读量:172
使用说明书封面怎么做
阅读量:55
猜你喜欢
道不同不相为谋什么意思
amp是什么意思
专升本是什么意思
尕是什么意思
8月3日是什么节日
银行什么时候上班
鼠和什么生肖最配
基数是什么意思
梦到棺材是什么意思
用什么洗脸可以美白
猜你喜欢
背离是什么意思
献血有什么好处
zip和rar有什么区别
c1增驾b2需要什么条件
ce认证是什么认证
木讷是什么意思
收官是什么意思
一鲸落万物生什么意思
ssid是什么意思
塞班是什么意思