指南生活
首页
美食营养
手工爱好
生活家居
返回
指南生活
首页
美食营养
游戏数码
手工爱好
生活家居
健康养生
运动户外
职场理财
情感交际
母婴教育
时尚美容
知识问答
生活知识
生活百科
搜索
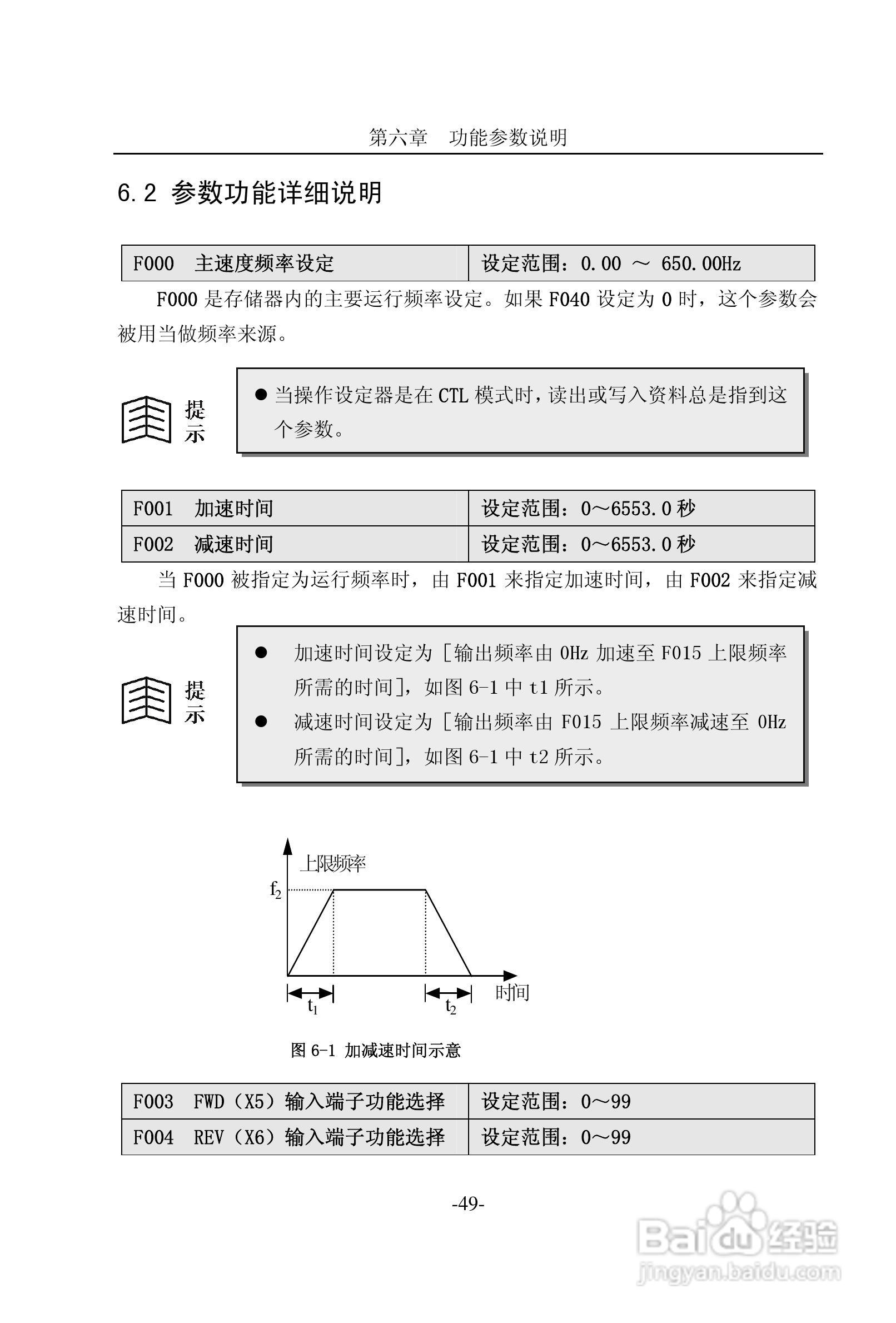
CM2000E系列变频器说明书:[6]
2026-03-29 04:26:54
本篇为《CM2000E系列变频器说明书》,主要介绍该产品的使用方法以及常见故障解决方案。
(共篇)
上一篇:
声明:
本网站引用、摘录或转载内容仅供网站访问者交流或参考,不代表本站立场,如存在版权或非法内容,请联系站长删除,联系邮箱:site.kefu@qq.com。
相关推荐
CM2000E系列变频器说明书:[5]
阅读量:169
威科达V8系列变频器说明书:[6]
阅读量:158
KVF2000系列变频器使用说明书:[4]
阅读量:188
RY300系列变频器远程操作器说明书:[2]
阅读量:83
KVF2000系列变频器使用说明书:[6]
阅读量:118
猜你喜欢
什么隔离霜好
有教无类的意思
多头和空头什么意思
不置可否是什么意思
醋泡黑豆什么时候吃
域名是什么意思
高风亮节是什么意思
逝者如斯夫的意思
念念有词是什么意思
什么洗发水能生发
猜你喜欢
opp是什么意思
四通八达的意思
女人学点什么技术好
18k是什么意思
贯通的意思
柚子在什么季节成熟
管中窥豹的意思
如沐春风是什么意思
来自星星的你2什么时候上映
blood是什么意思