指南生活
首页
美食营养
手工爱好
生活家居
返回
指南生活
首页
美食营养
游戏数码
手工爱好
生活家居
健康养生
运动户外
职场理财
情感交际
母婴教育
时尚美容
知识问答
生活知识
生活百科
搜索
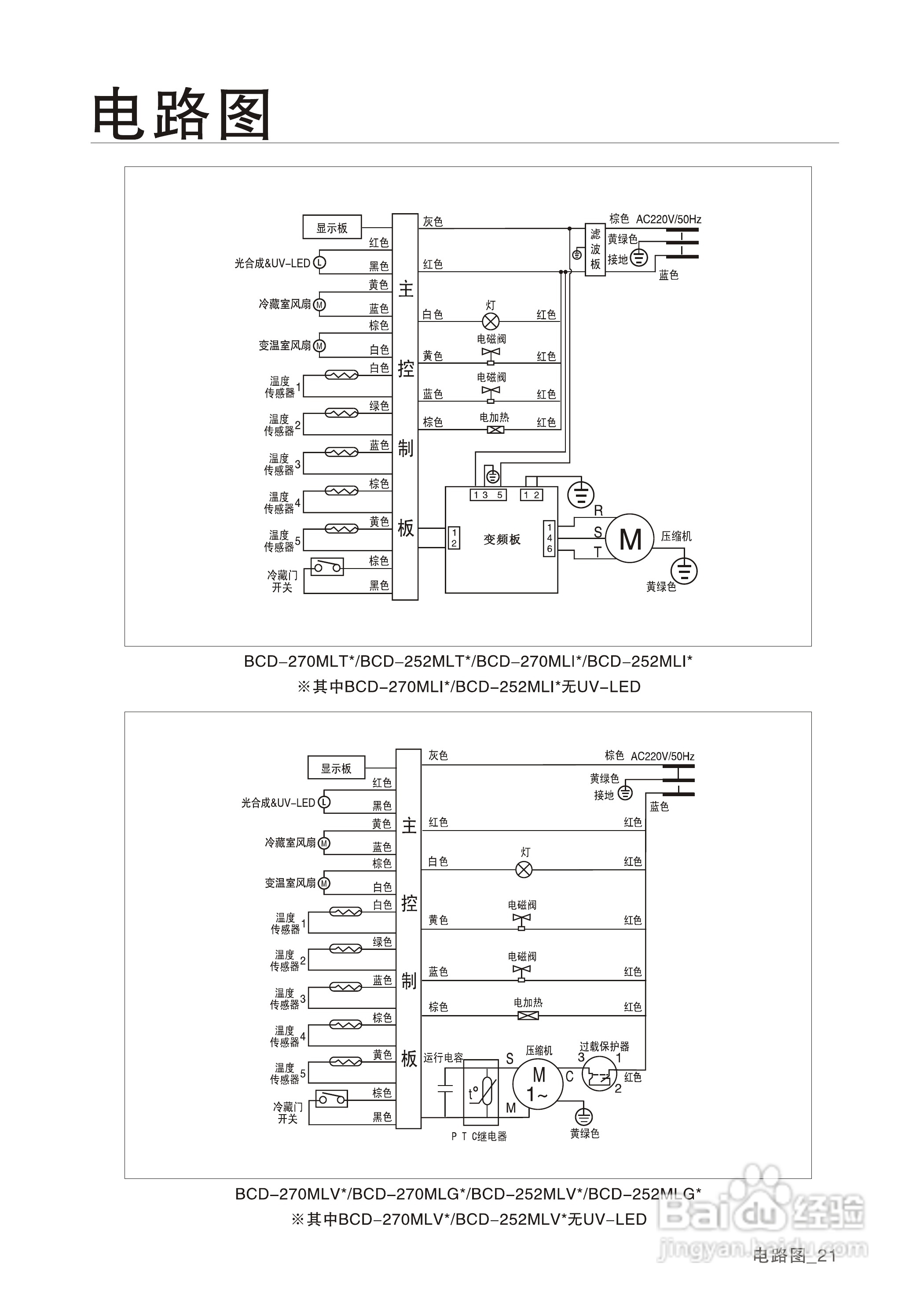
三星BCD-252MLGH电冰箱使用说明书:[3]
2026-04-13 00:16:45
(共篇)
上一篇:
声明:
本网站引用、摘录或转载内容仅供网站访问者交流或参考,不代表本站立场,如存在版权或非法内容,请联系站长删除,联系邮箱:site.kefu@qq.com。
相关推荐
2020蜜桃泡芙做法
阅读量:97
谁都能做好的龙利鱼黄瓜
阅读量:54
煎香蕉
阅读量:165
鲜虾意大利面
阅读量:73
如何做好吃的青椒炒翅根
阅读量:53
猜你喜欢
骤雨的意思
290什么意思
舍得的意思
人为什么会出现幻觉
开花店需要准备什么
令堂是什么意思
什么是液晶电视
珠联璧合的意思
莘莘学子的意思
但愿人长久千里共婵娟的婵娟是什么意思
猜你喜欢
australia是什么意思
什么叫编者按
忧国忧民的意思
prior什么意思
换身份证需要什么证件
毫不气馁的意思
清标是什么意思
农村养什么致富
打道回府的意思
fight是什么意思