指南生活
首页
美食营养
手工爱好
生活家居
返回
指南生活
首页
美食营养
游戏数码
手工爱好
生活家居
健康养生
运动户外
职场理财
情感交际
母婴教育
时尚美容
知识问答
搜索
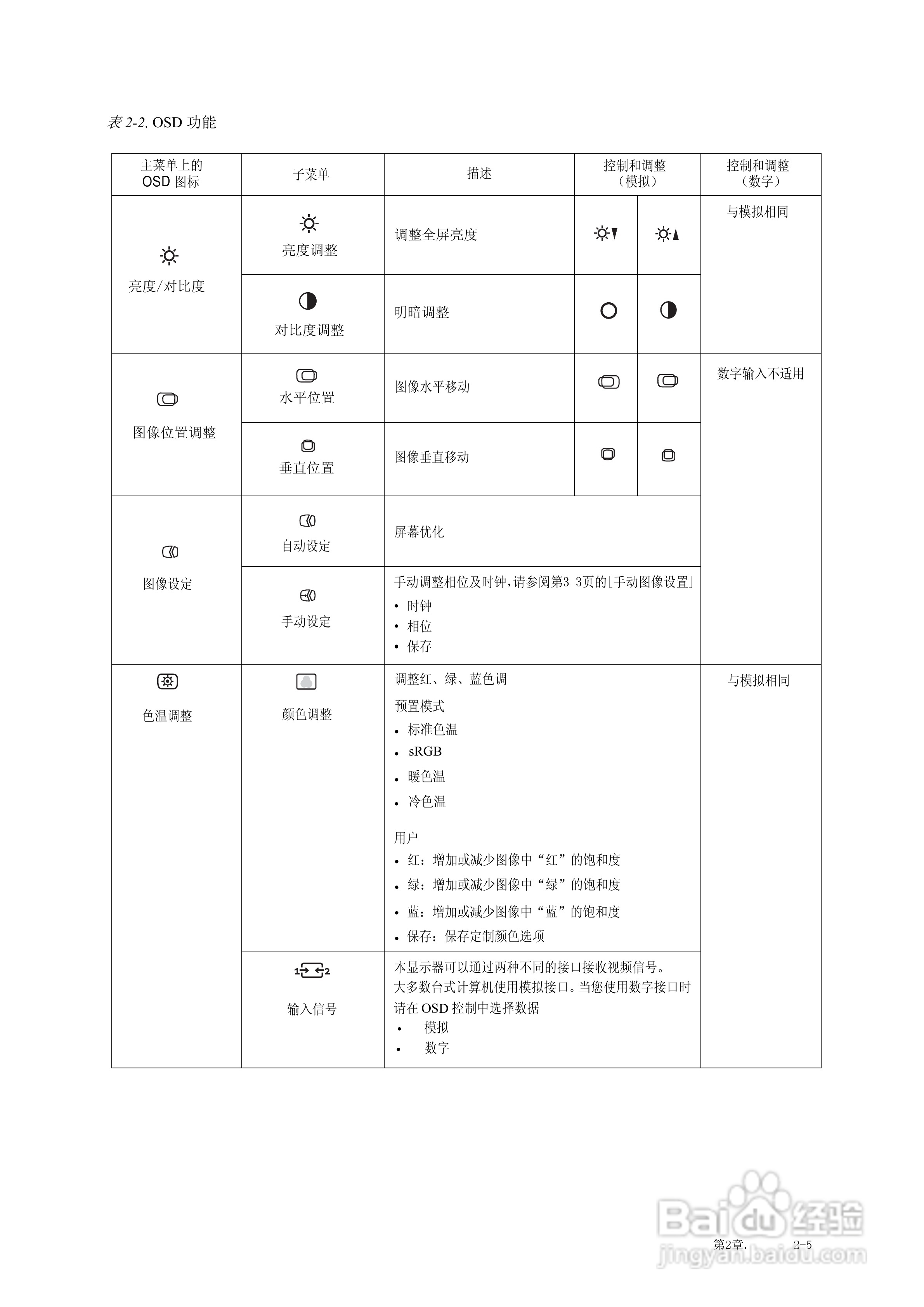
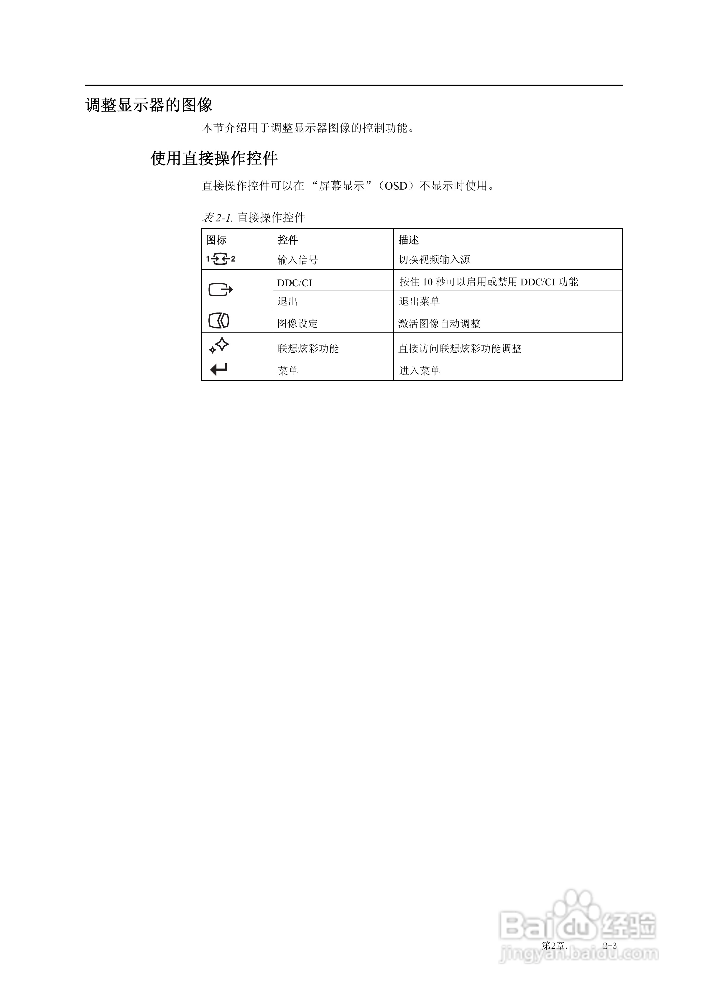
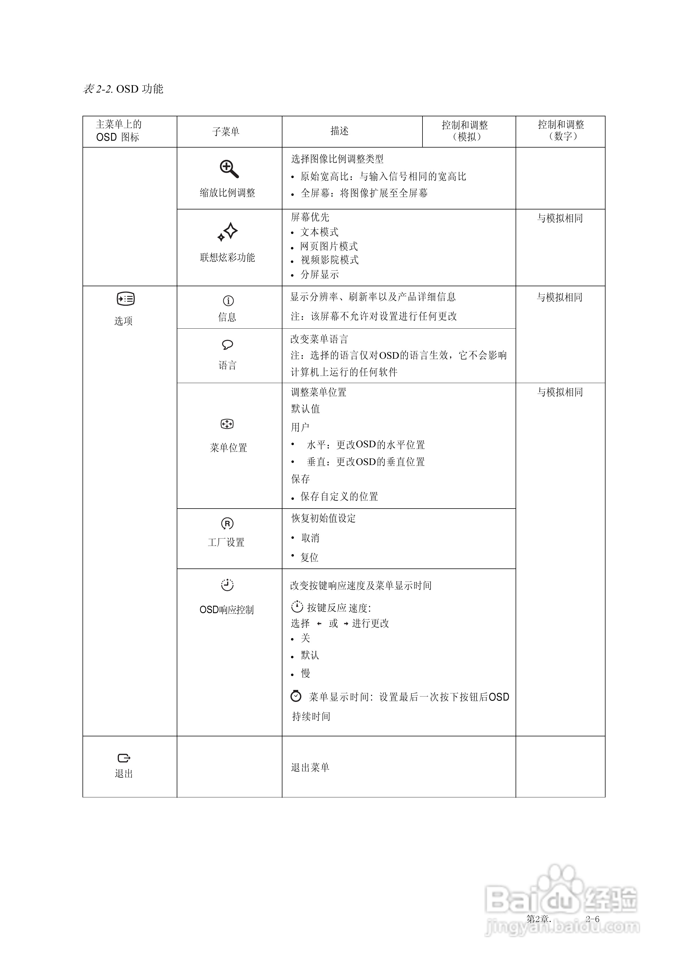
联想LI2063wA液晶显示器使用说明书:[2]
2025-11-20 02:34:05
(共篇)
上一篇:
|
下一篇:
声明:
本网站引用、摘录或转载内容仅供网站访问者交流或参考,不代表本站立场,如存在版权或非法内容,请联系站长删除,联系邮箱:site.kefu@qq.com。
相关推荐
联想LI1963wC液晶显示器使用说明书:[2]
阅读量:49
联想LI1963wC液晶显示器使用说明书:[3]
阅读量:32
联想D2081wA液晶显示器使用说明书:[3]
阅读量:111
明基G2000WA液晶显示器使用说明书:[2]
阅读量:151
联想LI2041wA显示器支架拆卸方法
阅读量:188
猜你喜欢
宝宝满月送什么礼物
刻舟求剑的意思是什么
长上影线代表什么
上行下效的意思
格力空调e享是什么意思
height是什么意思
confident是什么意思
surprised是什么意思
韦编三绝是什么意思
demon是什么意思
猜你喜欢
shadow是什么意思
大家闺秀是什么意思
好朋友的祝福
最有创意的结婚祝福语
闲游的意思
alarm是什么意思
后裔的意思
阿中是什么意思
自恋是什么意思
阿三是什么意思