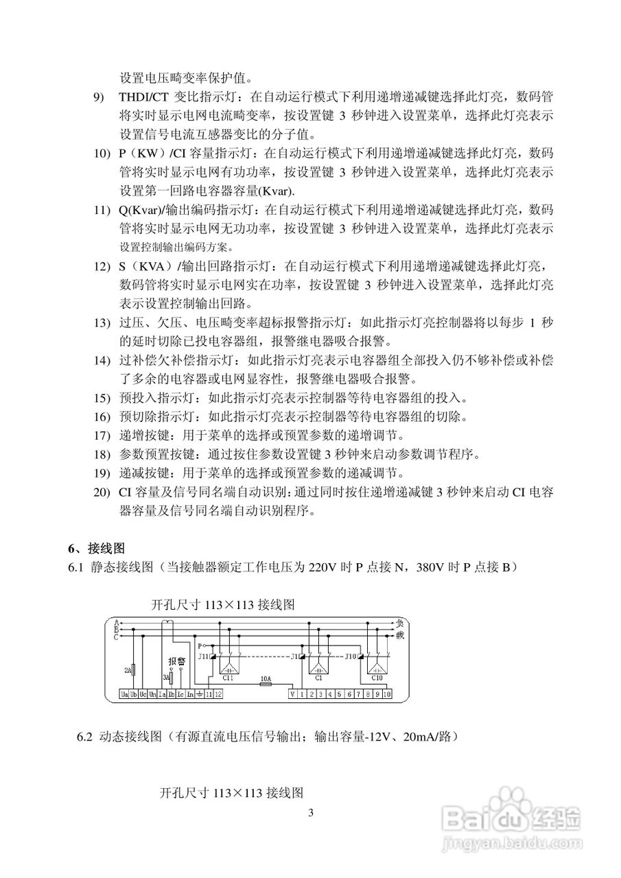
高山电子LGPFC系列智能无功功率自动补偿控制器使用说:[1]
本篇为《高山电子LGPFC系列智能无功功率自动补偿控制器使用说》,主要介绍该产品的使用方法以及常见故障解决方案。
![高山电子LGPFC系列智能无功功率自动补偿控制器使用说:[1]](https://exp-picture.cdn.bcebos.com/460fdc8333bf3bef65ae7a0d3f3ea8db564a1a7a.jpg)
![高山电子LGPFC系列智能无功功率自动补偿控制器使用说:[1]](https://exp-picture.cdn.bcebos.com/a1780d1fceecd3d90b94d871679959430501087a.jpg)
![高山电子LGPFC系列智能无功功率自动补偿控制器使用说:[1]](https://exp-picture.cdn.bcebos.com/bf6e59704618dfda91da113389214f579256777a.jpg)
![高山电子LGPFC系列智能无功功率自动补偿控制器使用说:[1]](https://exp-picture.cdn.bcebos.com/30601b6104a355e9014fc262d22ae3efe178687a.jpg)
![高山电子LGPFC系列智能无功功率自动补偿控制器使用说:[1]](https://exp-picture.cdn.bcebos.com/988e1c532f6323856fd7c824cce833e038725d7a.jpg)
![高山电子LGPFC系列智能无功功率自动补偿控制器使用说:[1]](https://exp-picture.cdn.bcebos.com/31097f43d7d448319f0adc12d40f822b75ee517a.jpg)
![高山电子LGPFC系列智能无功功率自动补偿控制器使用说:[1]](https://exp-picture.cdn.bcebos.com/506d92f1d8a72633ee65e756c02c56ee7a7f447a.jpg)
![高山电子LGPFC系列智能无功功率自动补偿控制器使用说:[1]](https://exp-picture.cdn.bcebos.com/fdb4f00d3aceaad7c08a2657eee7340f6578b87a.jpg)
![高山电子LGPFC系列智能无功功率自动补偿控制器使用说:[1]](https://exp-picture.cdn.bcebos.com/777f3fc2bbd6e1d0d009b0d40d254193cfe8af7a.jpg)
![高山电子LGPFC系列智能无功功率自动补偿控制器使用说:[1]](https://exp-picture.cdn.bcebos.com/f367139a310e179920cb900dc9406afec214a37a.jpg)
声明:本网站引用、摘录或转载内容仅供网站访问者交流或参考,不代表本站立场,如存在版权或非法内容,请联系站长删除,联系邮箱:site.kefu@qq.com。
阅读量:155
阅读量:158
阅读量:53
阅读量:159
阅读量:106
本篇为《高山电子LGPFC系列智能无功功率自动补偿控制器使用说》,主要介绍该产品的使用方法以及常见故障解决方案。
![高山电子LGPFC系列智能无功功率自动补偿控制器使用说:[1]](https://exp-picture.cdn.bcebos.com/460fdc8333bf3bef65ae7a0d3f3ea8db564a1a7a.jpg)
![高山电子LGPFC系列智能无功功率自动补偿控制器使用说:[1]](https://exp-picture.cdn.bcebos.com/a1780d1fceecd3d90b94d871679959430501087a.jpg)
![高山电子LGPFC系列智能无功功率自动补偿控制器使用说:[1]](https://exp-picture.cdn.bcebos.com/bf6e59704618dfda91da113389214f579256777a.jpg)
![高山电子LGPFC系列智能无功功率自动补偿控制器使用说:[1]](https://exp-picture.cdn.bcebos.com/30601b6104a355e9014fc262d22ae3efe178687a.jpg)
![高山电子LGPFC系列智能无功功率自动补偿控制器使用说:[1]](https://exp-picture.cdn.bcebos.com/988e1c532f6323856fd7c824cce833e038725d7a.jpg)
![高山电子LGPFC系列智能无功功率自动补偿控制器使用说:[1]](https://exp-picture.cdn.bcebos.com/31097f43d7d448319f0adc12d40f822b75ee517a.jpg)
![高山电子LGPFC系列智能无功功率自动补偿控制器使用说:[1]](https://exp-picture.cdn.bcebos.com/506d92f1d8a72633ee65e756c02c56ee7a7f447a.jpg)
![高山电子LGPFC系列智能无功功率自动补偿控制器使用说:[1]](https://exp-picture.cdn.bcebos.com/fdb4f00d3aceaad7c08a2657eee7340f6578b87a.jpg)
![高山电子LGPFC系列智能无功功率自动补偿控制器使用说:[1]](https://exp-picture.cdn.bcebos.com/777f3fc2bbd6e1d0d009b0d40d254193cfe8af7a.jpg)
![高山电子LGPFC系列智能无功功率自动补偿控制器使用说:[1]](https://exp-picture.cdn.bcebos.com/f367139a310e179920cb900dc9406afec214a37a.jpg)