指南生活
首页
美食营养
手工爱好
生活家居
返回
指南生活
首页
美食营养
游戏数码
手工爱好
生活家居
健康养生
运动户外
职场理财
情感交际
母婴教育
时尚美容
知识问答
生活知识
生活百科
搜索
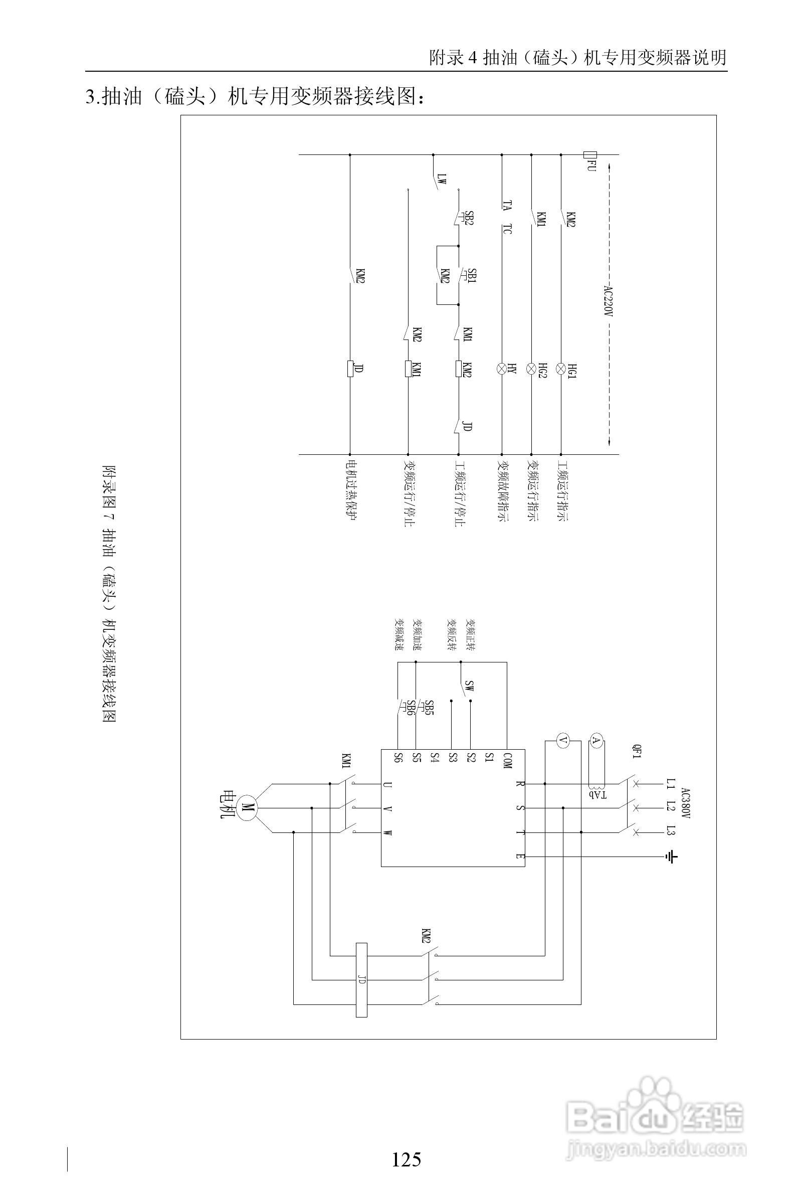
深川SVF-QM350T4G/F-ET变频器使用说明书:[13]
2026-04-24 02:20:45
本篇为《深川SVF-QM350T4G/F-ET变频器使用说明书》,主要介绍该产品的使用方法以及常见故障解决方案。
(共篇)
上一篇:
|
下一篇:
声明:
本网站引用、摘录或转载内容仅供网站访问者交流或参考,不代表本站立场,如存在版权或非法内容,请联系站长删除,联系邮箱:site.kefu@qq.com。
相关推荐
Flash如何制作摇动的木马
阅读量:66
粽子的来历、粽子的做法
阅读量:156
幼儿园悬浮地板,一款性价比高的地板!
阅读量:84
YL2-说明书
阅读量:171
怎么预防尘肺病
阅读量:98
猜你喜欢
小学生运动会投稿
乌药的功效与作用
姜茶的功效与作用
女生读什么职高好
胡萝卜素的功效与作用
光怪陆离什么意思
2012年什么年
肝在什么位置图片
消防知识宣传
桃胶的功效与作用禁忌
猜你喜欢
u盘什么牌子的好
松茸菌的功效与作用及食用方法
维生素b作用
明矾的作用
知识竞赛策划书
休闲运动装
什么样的路不能走
什么春来江水绿如蓝
什么牌子的耳机好
育儿知识小班