指南生活
首页
美食营养
手工爱好
生活家居
返回
指南生活
首页
美食营养
游戏数码
手工爱好
生活家居
健康养生
运动户外
职场理财
情感交际
母婴教育
时尚美容
知识问答
生活知识
搜索
ALTUSEN抽拉式LCD KVM切换器KL-1116用户手册:[2]
2025-12-12 00:01:00
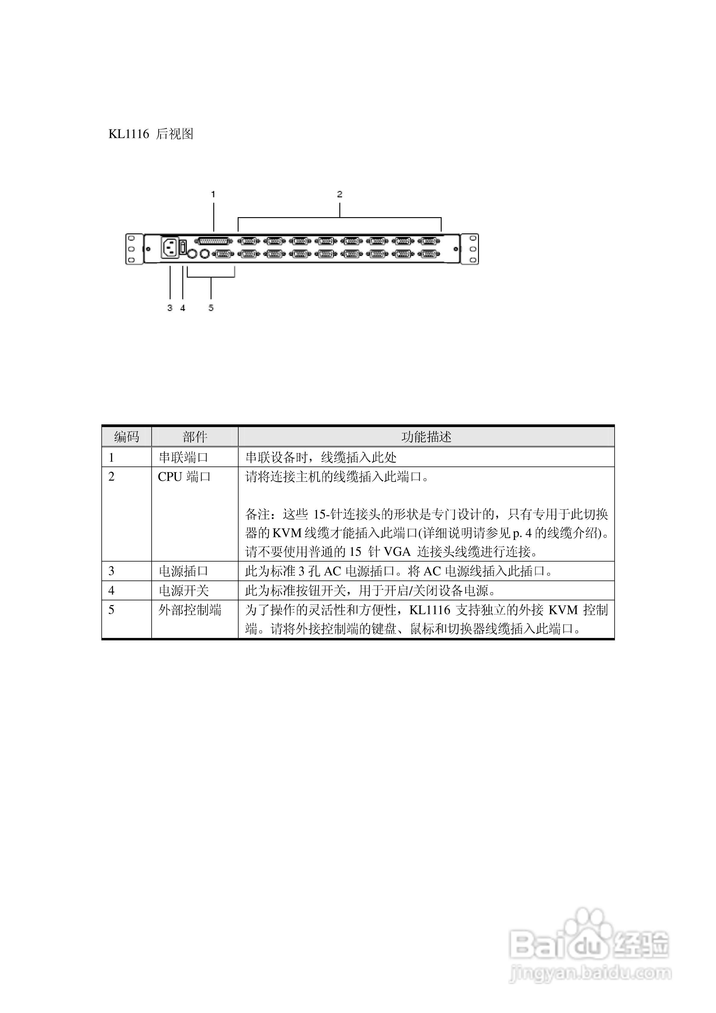
本篇为《ALTUSEN抽拉式LCD KVM切换器KL-1116用户手册》,主要介绍该产品的使用方法以及常见故障解决方案。
(共篇)
上一篇:
|
下一篇:
声明:
本网站引用、摘录或转载内容仅供网站访问者交流或参考,不代表本站立场,如存在版权或非法内容,请联系站长删除,联系邮箱:site.kefu@qq.com。
相关推荐
ALTUSEN抽拉式LCD KVM切换器KL-1116用户手册:[4]
阅读量:116
ALTUSEN抽拉式LCD KVM切换器KL-1116用户手册:[3]
阅读量:46
ALTUSEN 远程KVM多电脑切换器KN2124v用户手册:[22]
阅读量:103
ALTUSEN 远程KVM多电脑切换器KN2124v用户手册:[21]
阅读量:84
ALTUSEN 远程KVM多电脑切换器KN2124v用户手册:[23]
阅读量:64
猜你喜欢
梦见牙齿掉了是什么意思
so that是什么意思
汽车挂件有什么讲究
rainy是什么意思
沉重的意思
倒打一耙什么意思
洋具是什么意思
抖s和抖m是什么意思
内存大了有什么好处
麻痹的意思
猜你喜欢
不管发生什么别放开我的手
望眼欲穿是什么意思
九月九日忆山东兄弟古诗的意思
强聒不舍的意思
工欲善其事必先利其器的意思
皮皮虾什么梗
举目无亲的意思
贺知章被称为什么
换手率说明什么
什么是印刷术