指南生活
首页
美食营养
手工爱好
生活家居
返回
指南生活
首页
美食营养
游戏数码
手工爱好
生活家居
健康养生
运动户外
职场理财
情感交际
母婴教育
时尚美容
知识问答
生活知识
生活百科
搜索
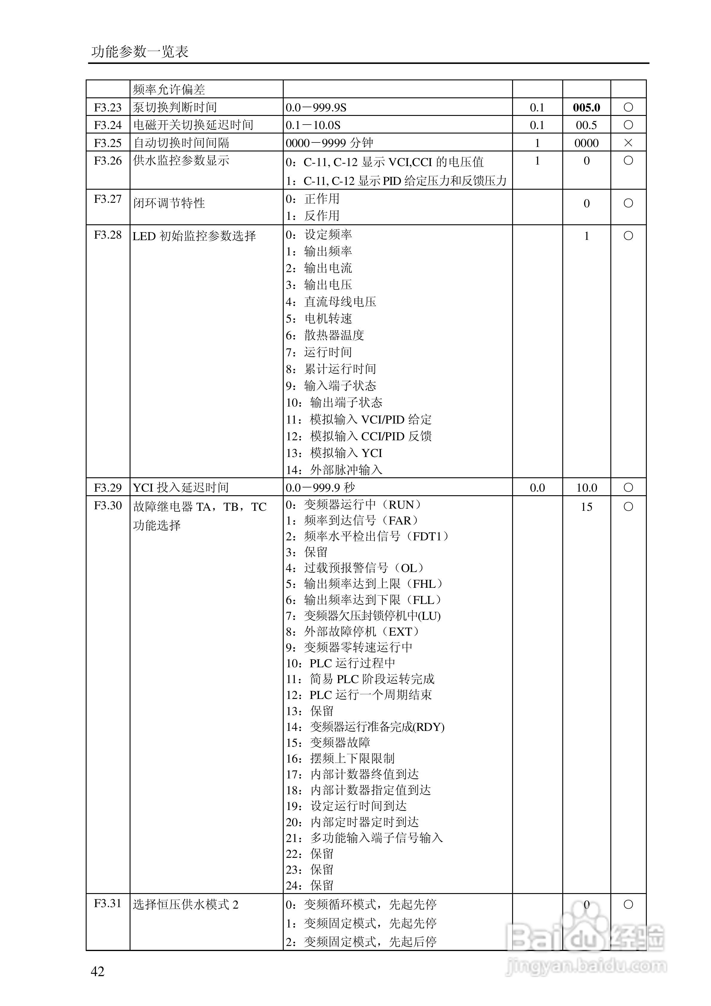
YMB9000X系列Ⅰ通用变频器说明书:[5]
2026-03-29 05:44:03
本篇为《YMB9000X系列Ⅰ通用变频器说明书》,主要介绍该产品的使用方法以及常见故障解决方案。
(共篇)
上一篇:
|
下一篇:
声明:
本网站引用、摘录或转载内容仅供网站访问者交流或参考,不代表本站立场,如存在版权或非法内容,请联系站长删除,联系邮箱:site.kefu@qq.com。
相关推荐
YMB9000X系列Ⅰ通用变频器说明书:[6]
阅读量:149
YMB9000X系列Ⅰ通用变频器说明书:[2]
阅读量:57
H6000系列变频器使用说明书:[5]
阅读量:134
CM2000E系列变频器说明书:[5]
阅读量:159
CM2000E系列变频器说明书:[2]
阅读量:148
猜你喜欢
怎么画眉毛自然
机智牢房生活
怎么看宽带是几兆的
如何进入pe系统
wlan密码怎么修改
低碳生活方式
成人如何自学英语
鼻子长黑头怎么办
游戏fps低怎么办
手机死机怎么刷机
猜你喜欢
st股票如何摘帽
乐不思蜀是什么意思
达令是什么意思
个人简介怎么写范文
ap是什么意思
美女生活照组图
wps如何制作表格
小米生活
带薪休假工资怎么算
光年是什么单位