指南生活
首页
美食营养
手工爱好
生活家居
返回
指南生活
首页
美食营养
游戏数码
手工爱好
生活家居
健康养生
运动户外
职场理财
情感交际
母婴教育
时尚美容
搜索
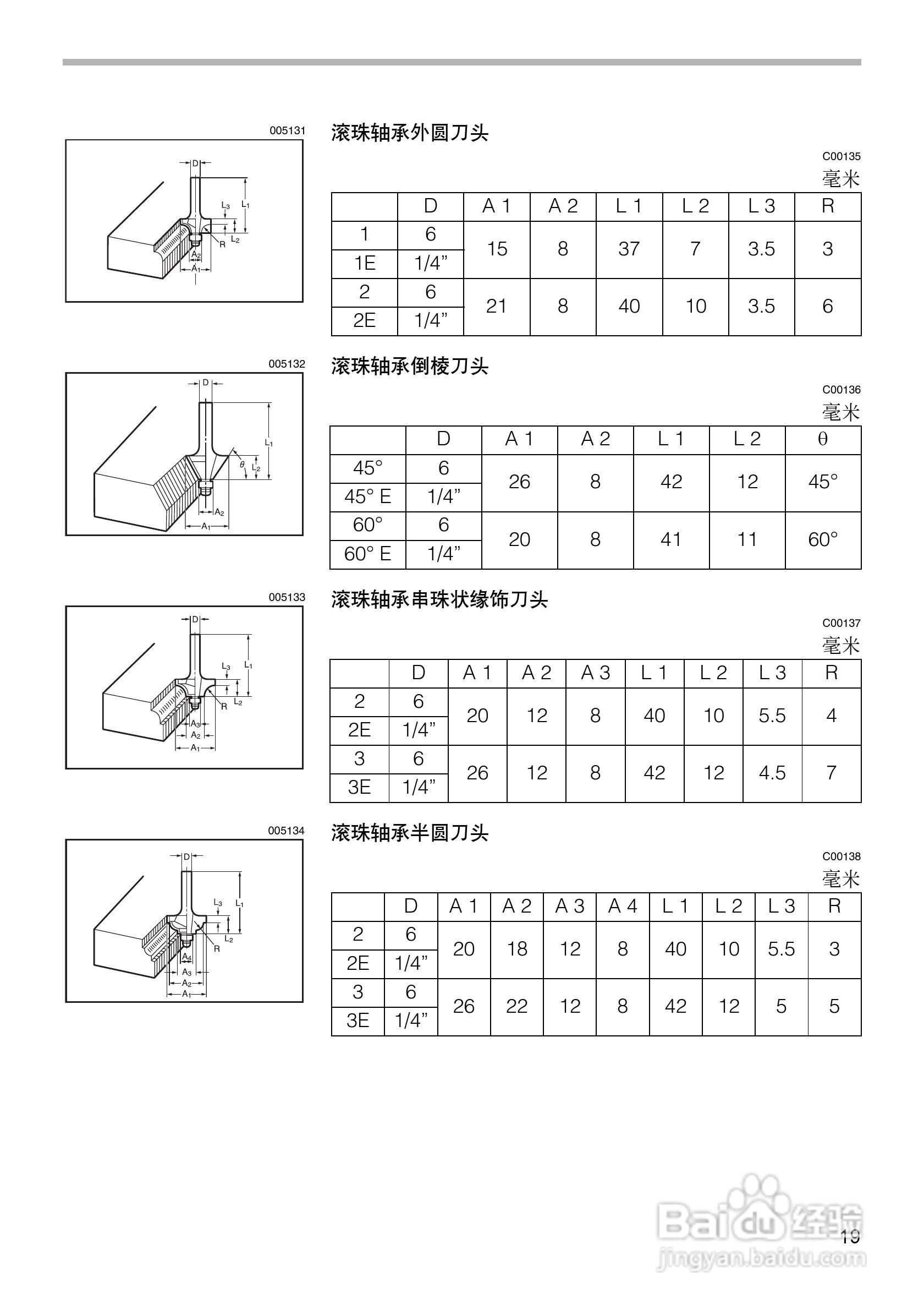
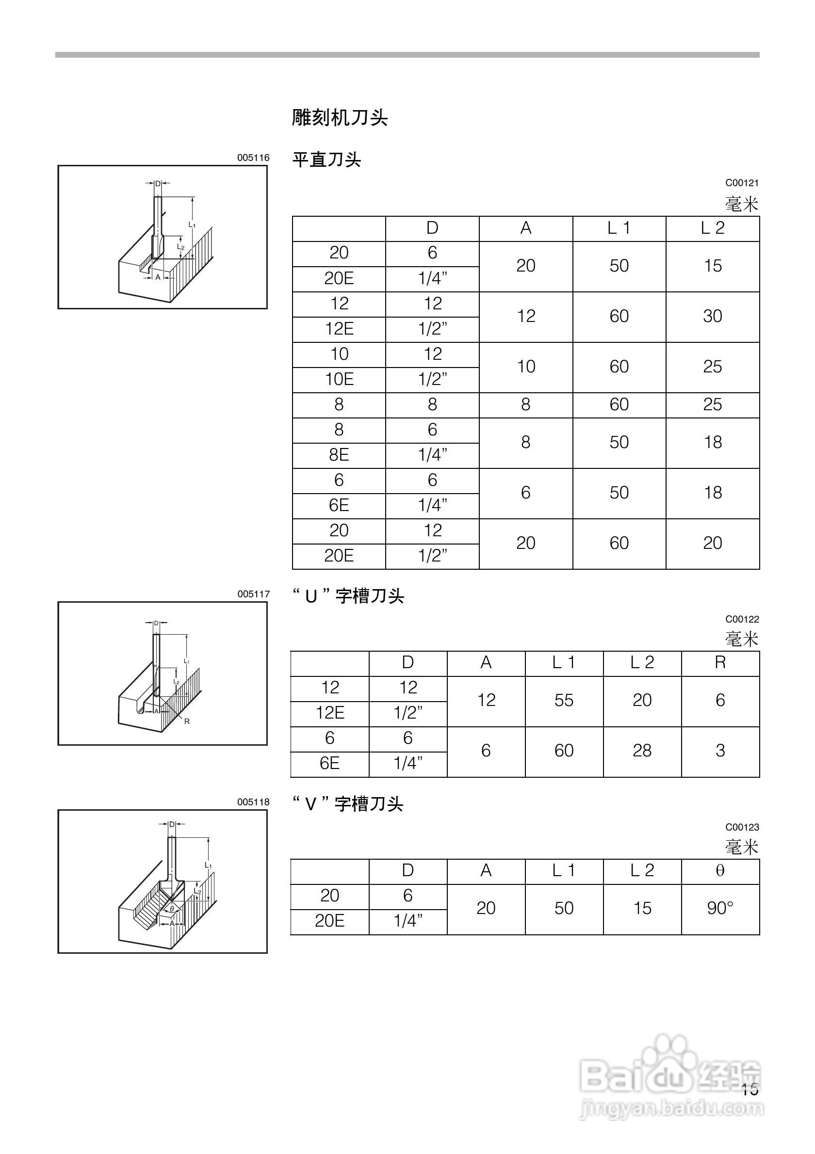
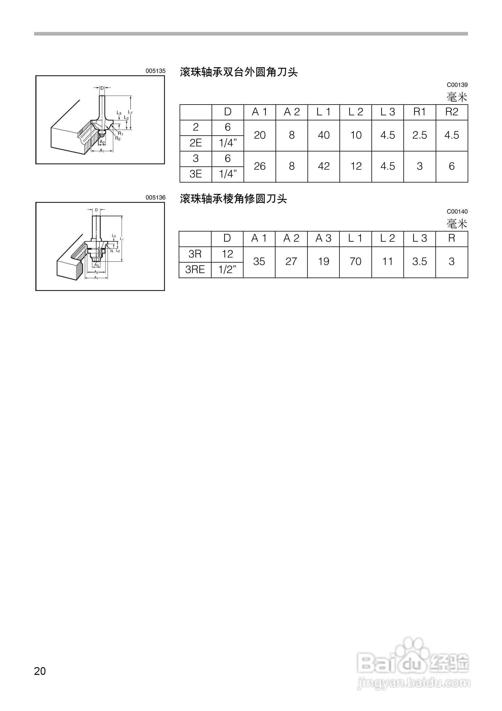
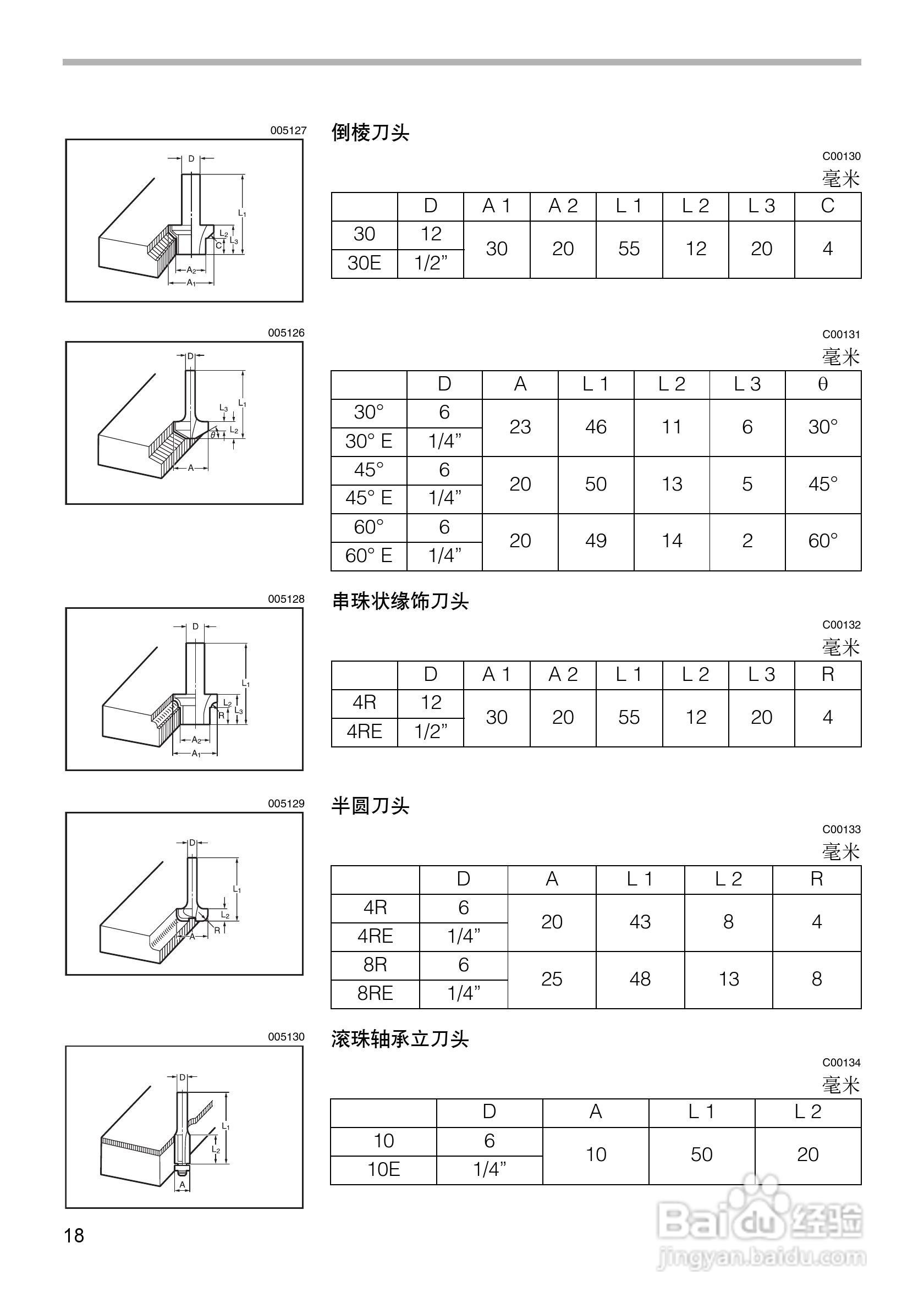
牧田木工雕刻机3612/3612C型使用说明书:[2]
2025-11-06 11:29:44
本篇为《牧田木工雕刻机3612/3612C型使用说明书》,主要介绍该产品的使用方法以及常见故障解决方案。
(共篇)
上一篇:
声明:
本网站引用、摘录或转载内容仅供网站访问者交流或参考,不代表本站立场,如存在版权或非法内容,请联系站长删除,联系邮箱:site.kefu@qq.com。
相关推荐
牧田木工雕刻机3612/3612C型使用说明书:[1]
阅读量:25
牧田电锤HR3200C 型使用说明书:[1]
阅读量:164
牧田电锤HR3000C型使用说明书:[1]
阅读量:92
牧田电锤HR3210C 型使用说明书:[1]
阅读量:66
木工雕刻机对u盘的使用方法
阅读量:172
猜你喜欢
video是什么意思
sharp是什么意思
颓废的意思
雷是什么意思
i want you是什么意思
什么视频软件最好用
什么是私信
灌木的意思
5s是什么意思
阳澄湖大闸蟹什么时候上市
猜你喜欢
cpu超频是什么意思
祝福话语 简洁的经典
opposite是什么意思
六一儿童节的祝福
inspire是什么意思
977是什么意思
increase是什么意思
布尔什维克是什么意思
挥汗如雨的意思
万籁俱寂是什么意思