指南生活
首页
美食营养
手工爱好
生活家居
返回
指南生活
首页
美食营养
游戏数码
手工爱好
生活家居
健康养生
运动户外
职场理财
情感交际
母婴教育
时尚美容
知识问答
生活知识
生活百科
搜索
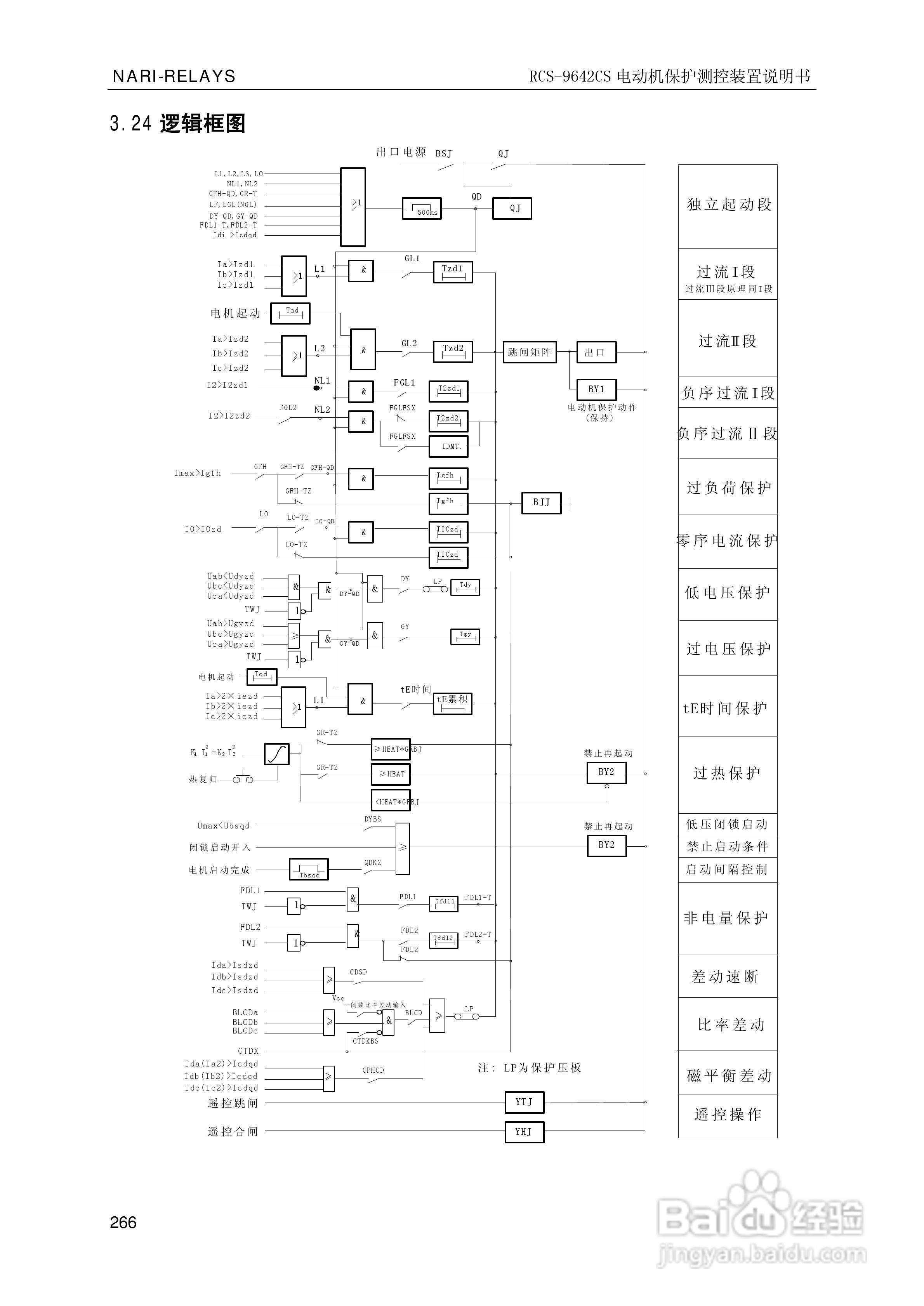
南瑞继保RCS-9681CS变压器后备保护测控装置说明书:[28]
2026-05-18 11:15:36
本篇为《南瑞继保RCS-9681CS变压器后备保护测控装置说明书》,主要介绍该产品的使用方法以及常见故障解决方案。
(共篇)
上一篇:
|
下一篇:
声明:
本网站引用、摘录或转载内容仅供网站访问者交流或参考,不代表本站立场,如存在版权或非法内容,请联系站长删除,联系邮箱:site.kefu@qq.com。
相关推荐
南瑞继保RCS-9681CS变压器后备保护测控装置说明书:[32]
阅读量:63
南瑞继保RCS-9681CS变压器后备保护测控装置说明书:[45]
阅读量:183
变压器有载分接开关测试仪使用方法
阅读量:115
变压器有载分接开关测试仪操作方法
阅读量:112
变压器满负载的测试方法
阅读量:37
猜你喜欢
dear怎么读
我国为什么买美国国债
韩语你好怎么说
茅台为什么那么贵
面包的做法和配方
口臭怎么办
电脑开机密码怎么设置
手机怎么连接电视
微信朋友圈怎么只发文字
口腔溃疡怎么办
猜你喜欢
烤箱烤鸡腿的做法
怎么生孩子
february怎么读
泰拉瑞亚肉山怎么召唤
雪花秀护肤品怎么样
怎么删除
苹果手机id怎么注册
恬怎么读
我的世界怎么做电梯
重庆为什么叫山城