指南生活
首页
美食营养
手工爱好
生活家居
返回
指南生活
首页
美食营养
游戏数码
手工爱好
生活家居
健康养生
运动户外
职场理财
情感交际
母婴教育
时尚美容
知识问答
生活知识
生活百科
搜索
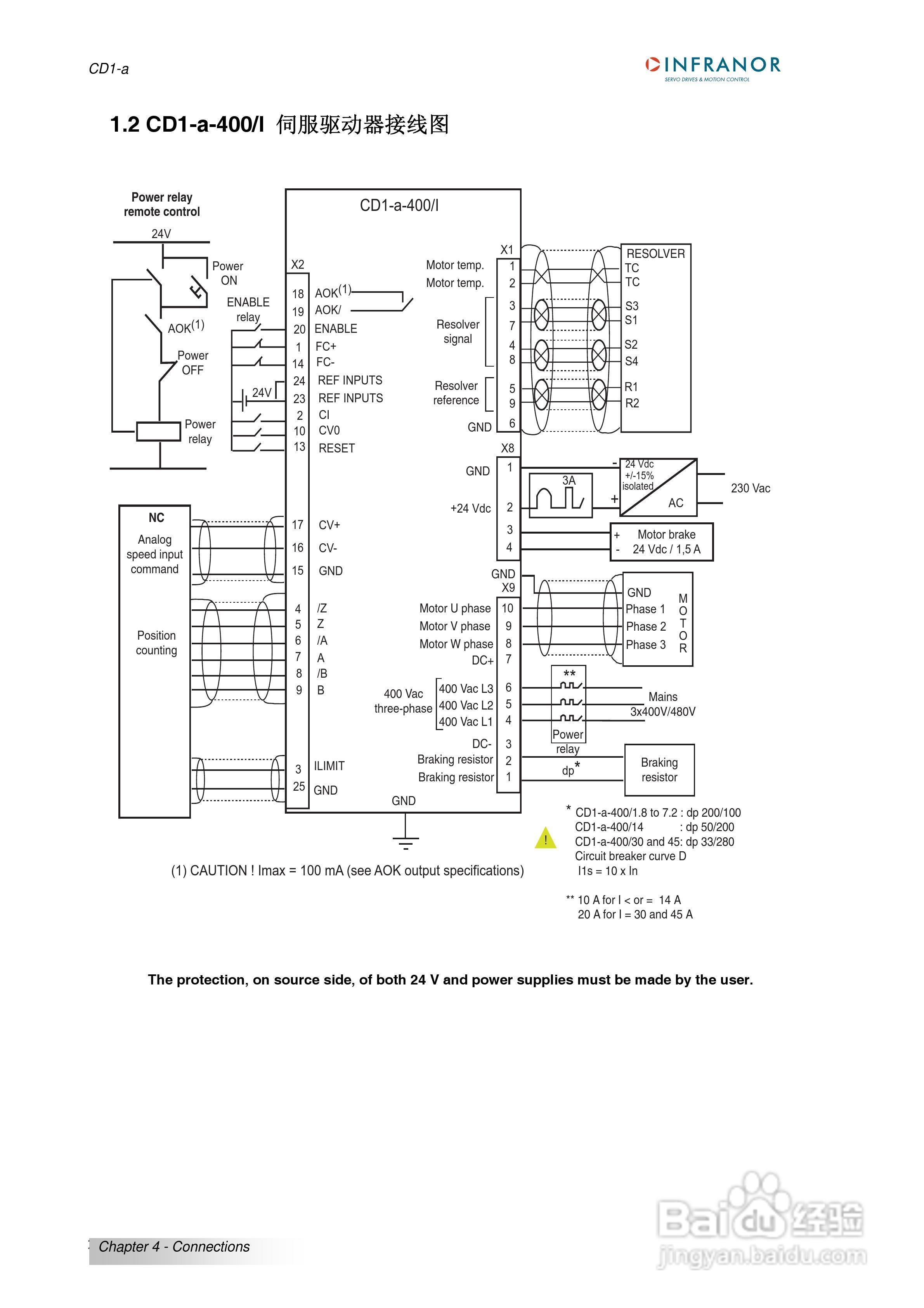
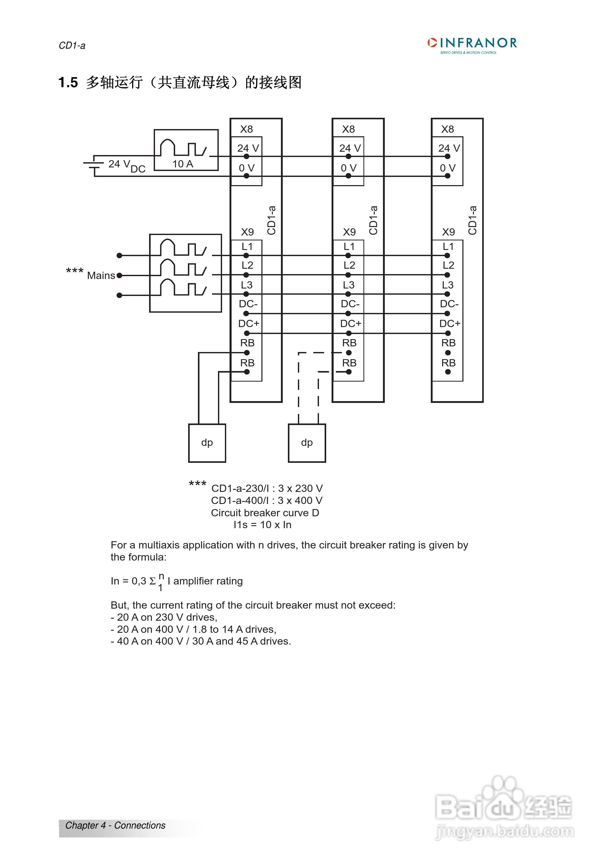
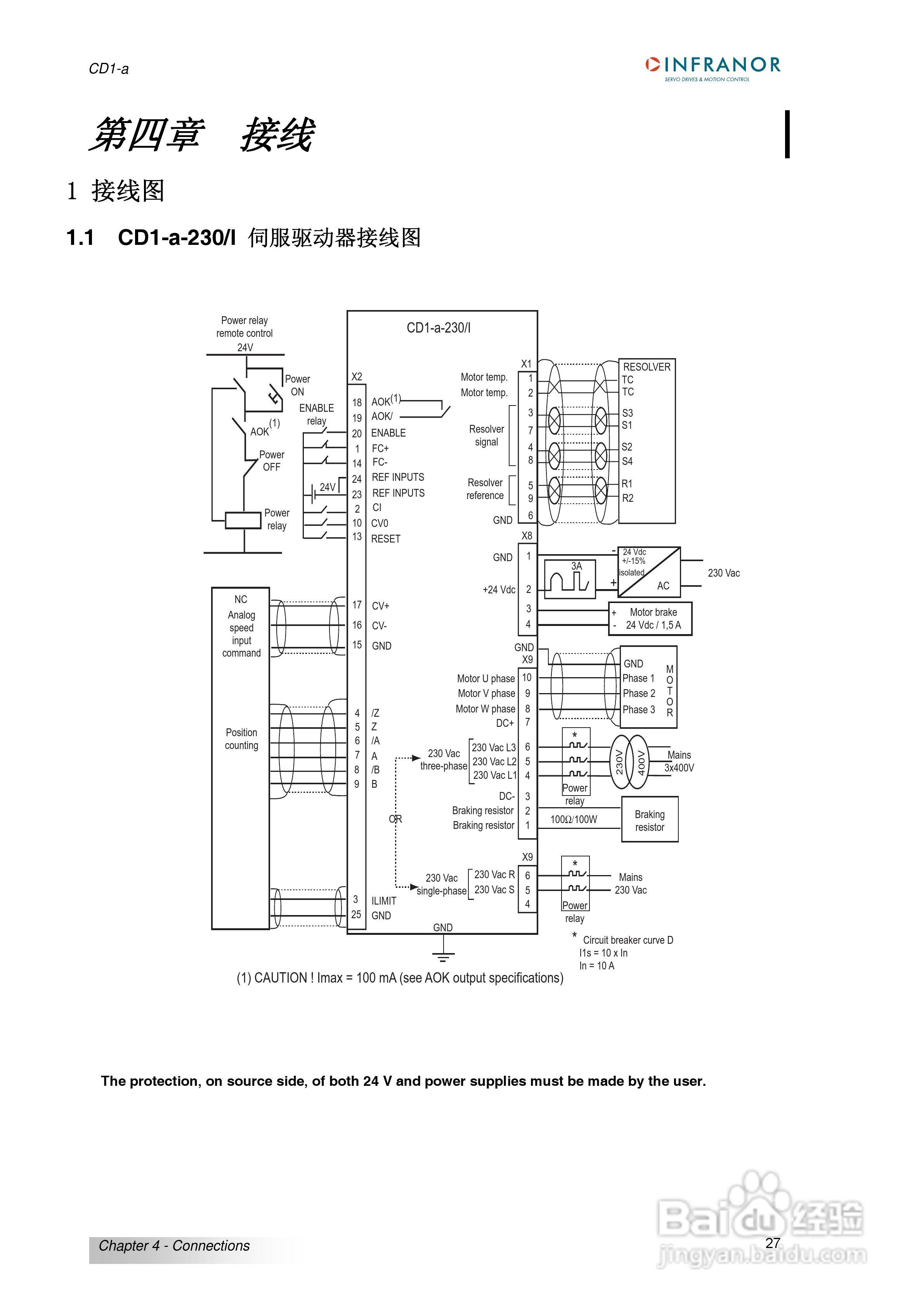
瑞诺通用型交流伺服驱动器CD1-A系列操作手册:[3]
2026-04-18 04:19:53
本篇为《瑞诺通用型交流伺服驱动器CD1-A系列操作手册》,主要介绍该产品的使用方法以及常见故障解决方案。
(共篇)
上一篇:
|
下一篇:
声明:
本网站引用、摘录或转载内容仅供网站访问者交流或参考,不代表本站立场,如存在版权或非法内容,请联系站长删除,联系邮箱:site.kefu@qq.com。
相关推荐
瑞诺通用型交流伺服驱动器CD1-A系列操作手册:[6]
阅读量:128
EDA系列伺服驱动器用户手册:[3]
阅读量:154
PSDD系列伺服驱动器使用手册:[3]
阅读量:131
PSDD系列伺服驱动器使用手册:[5]
阅读量:188
伺服驱动器的七个常见故障及其检修
阅读量:37
猜你喜欢
怎么才能瘦下来
按照的近义词
苏州博物馆简介
男生时尚发型
尤其的近义词
疲惫的近义词
感冒吃什么药好得快
怎么理财才能存钱
亲爱的英文怎么说
婉转的近义词
猜你喜欢
亲切的近义词是什么
怎么查手机序列号
办法的近义词是什么
会议记录怎么做
鲨鱼肉怎么做好吃
晶莹的近义词
柔顺的近义词
保险常识
头发干枯怎么办
小孩不吃饭怎么办