指南生活
首页
美食营养
手工爱好
生活家居
返回
指南生活
首页
美食营养
游戏数码
手工爱好
生活家居
健康养生
运动户外
职场理财
情感交际
母婴教育
时尚美容
知识问答
生活知识
搜索
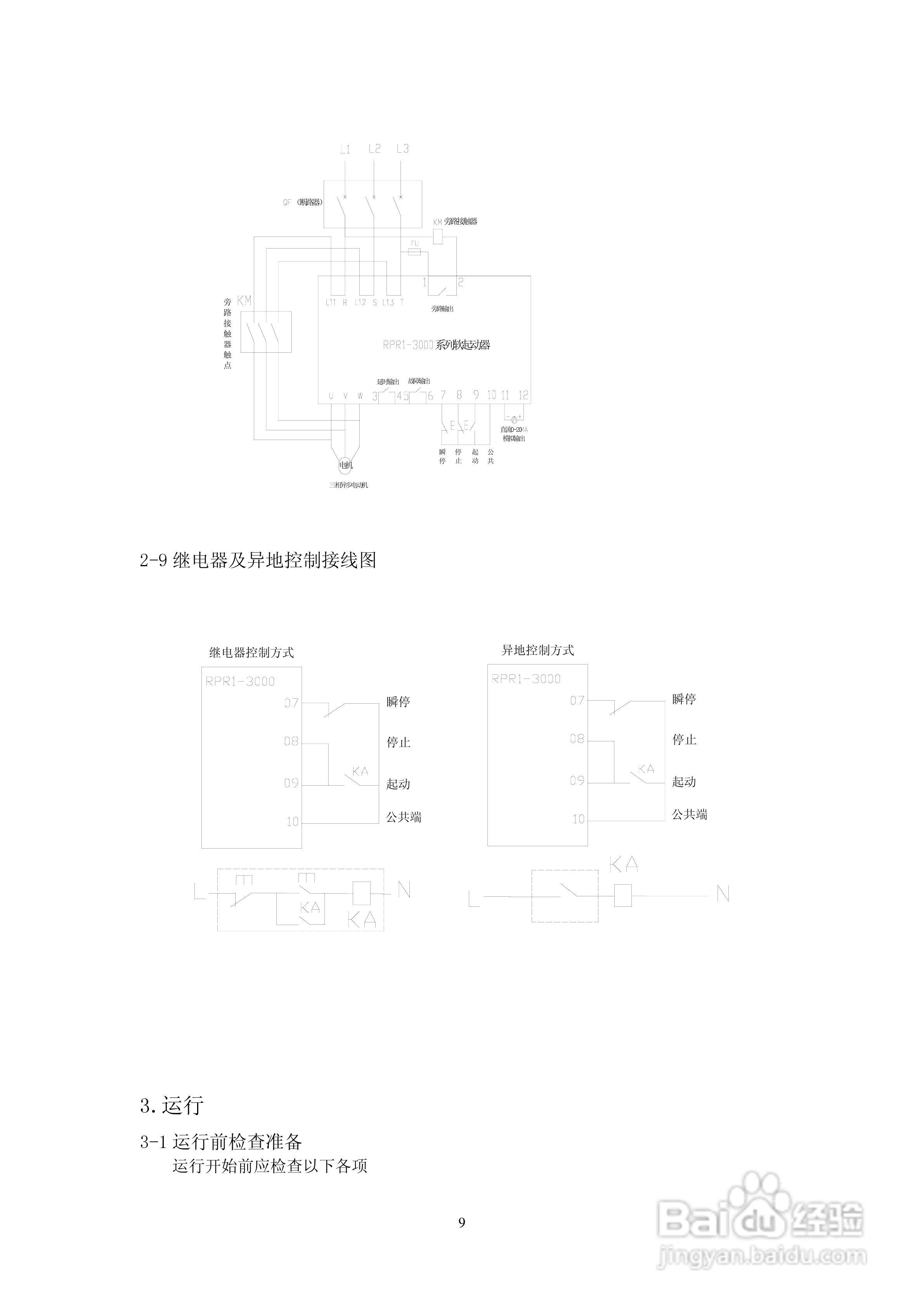
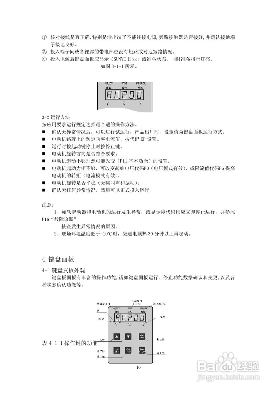
日业SYR1-3000电机软起动器用户使用说明书:[1]
2025-12-04 02:32:27
本篇为《日业SYR1-3000电机软起动器用户使用说明书》,主要介绍该产品的使用方法以及常见故障解决方案。
(共篇)
下一篇:
声明:
本网站引用、摘录或转载内容仅供网站访问者交流或参考,不代表本站立场,如存在版权或非法内容,请联系站长删除,联系邮箱:site.kefu@qq.com。
相关推荐
DNE-18使用方法
阅读量:115
D型多级泵要如何选型
阅读量:78
想提高拆迁补偿?先做好这八点!
阅读量:39
美味上海粢饭团
阅读量:137
如何弹奏歌曲《辞九门回忆》
阅读量:118
猜你喜欢
dpi是什么
dirty是什么意思
主语谓语宾语是什么
占有欲什么意思
涉警人员是什么意思啊
苹果se2什么时候上市
什么地说填空
什么车省油
只加一笔是什么字
肝硬化有什么症状
猜你喜欢
子午线轮胎是什么意思
主语谓语宾语是什么
无线桥接是什么意思
齐白石擅长画什么
扮猪吃老虎什么意思
人肉什么意思
飘扬的近义词是什么
c1能开什么车
beach是什么意思
碱性磷酸酶是什么