指南生活
首页
美食营养
手工爱好
生活家居
返回
指南生活
首页
美食营养
游戏数码
手工爱好
生活家居
健康养生
运动户外
职场理财
情感交际
母婴教育
时尚美容
知识问答
生活知识
生活百科
搜索
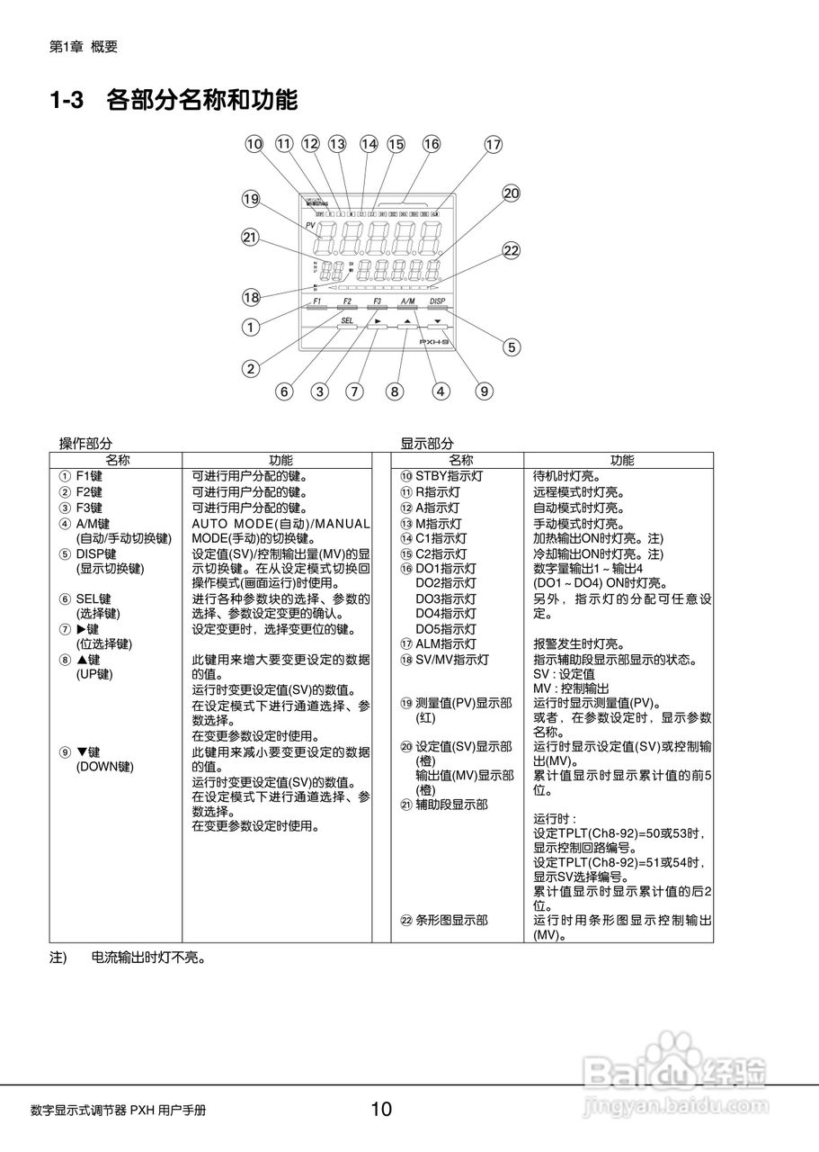
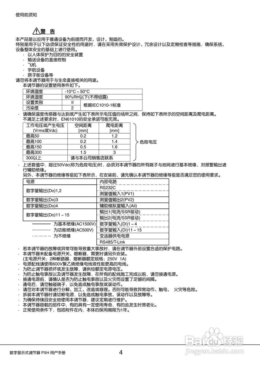
富士PXH加热/制冷控制型数字显示式调节器操作手册:[1]
2026-03-24 16:33:21
本篇为《富士PXH加热/制冷控制型数字显示式调节器操作手册》,主要介绍该产品的使用方法以及常见故障解决方案。
(共篇)
下一篇:
声明:
本网站引用、摘录或转载内容仅供网站访问者交流或参考,不代表本站立场,如存在版权或非法内容,请联系站长删除,联系邮箱:site.kefu@qq.com。
相关推荐
原油投资哪里好?
阅读量:38
旅游婚纱照拍摄流程
阅读量:78
SK-M6594VE6嵌入式多网口主板用户手册:[4]
阅读量:128
2018英国移民基本条件
阅读量:68
如何教孩子玩积木旋转陀螺
阅读量:128
猜你喜欢
coke什么意思
单相思什么意思
用既什么又什么造句
水草缸适合养什么鱼
运动裤品牌
甲鱼的功效与作用及禁忌
海马有什么功效
什么是剪力墙结构
运动会作文100字
水牛角的功效与作用
猜你喜欢
二甲双胍的作用和功效
白茅根的作用
凉薯的功效与作用
熊猫的知识资料大全
exo什么时候解散
lj什么意思
什么是脱产
猫须草的功效与作用
桑螵蛸的功效与作用
迷迭香精油的功效与作用