指南生活
首页
美食营养
手工爱好
生活家居
返回
指南生活
首页
美食营养
游戏数码
手工爱好
生活家居
健康养生
运动户外
职场理财
情感交际
母婴教育
时尚美容
知识问答
生活知识
搜索
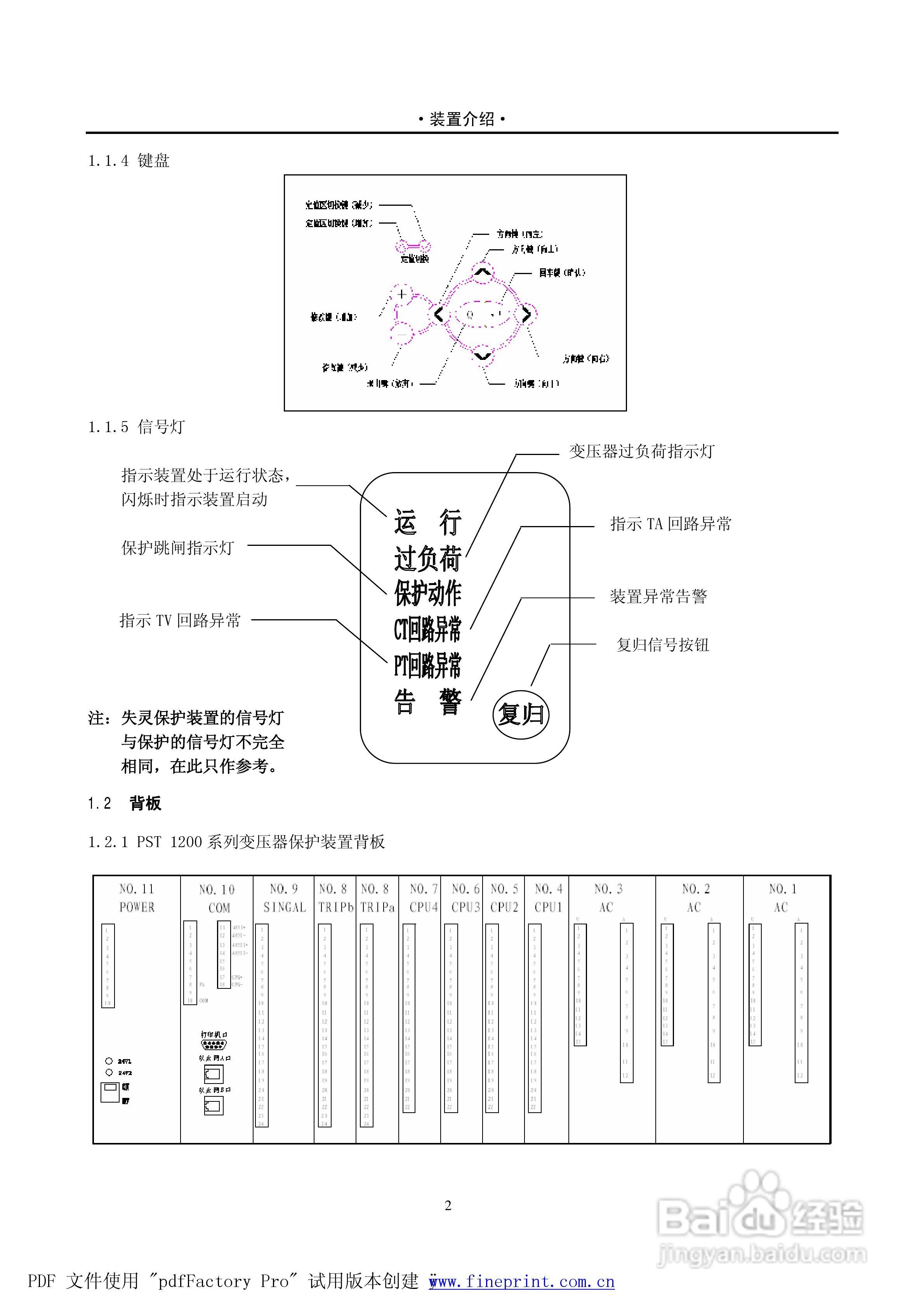
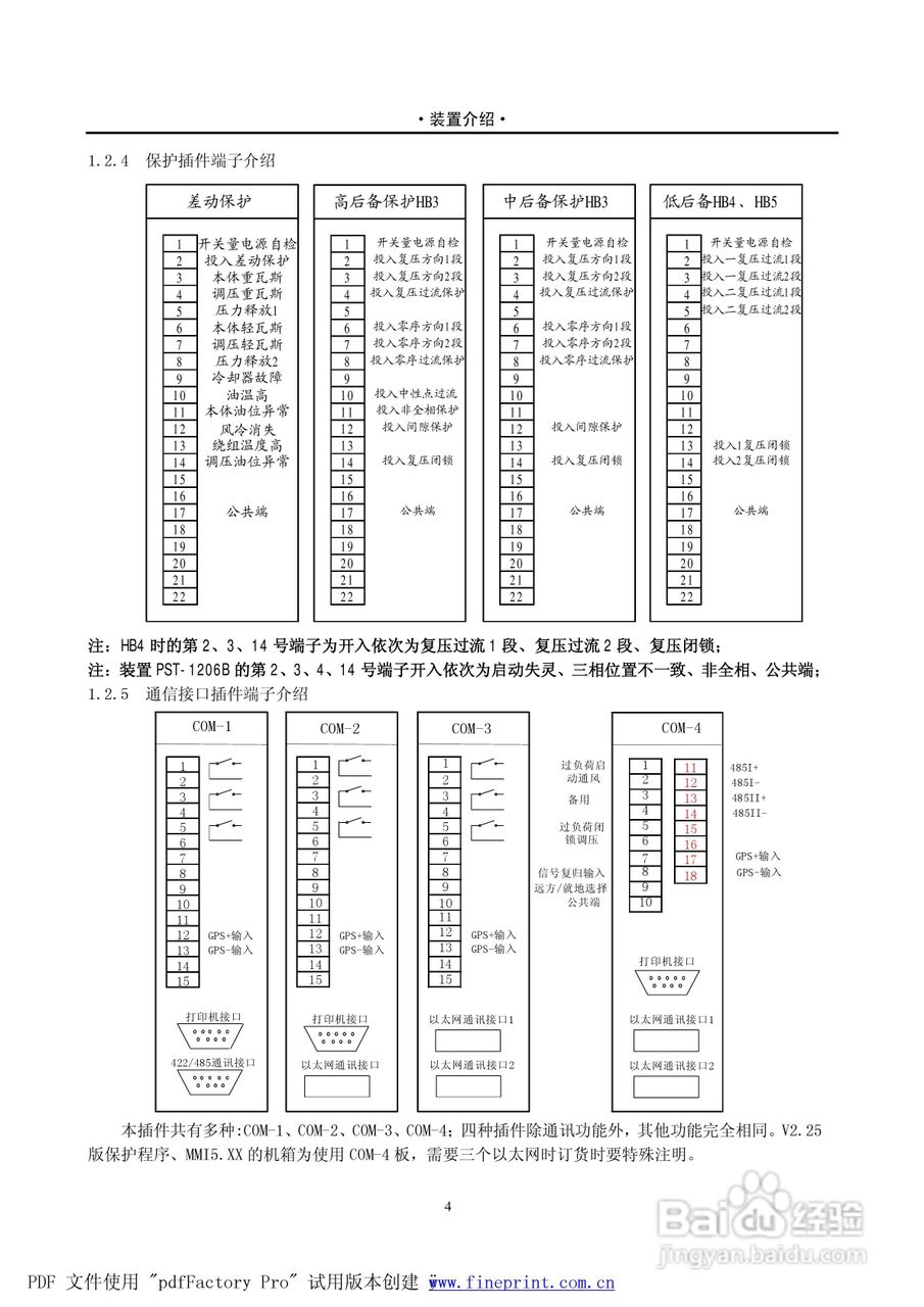
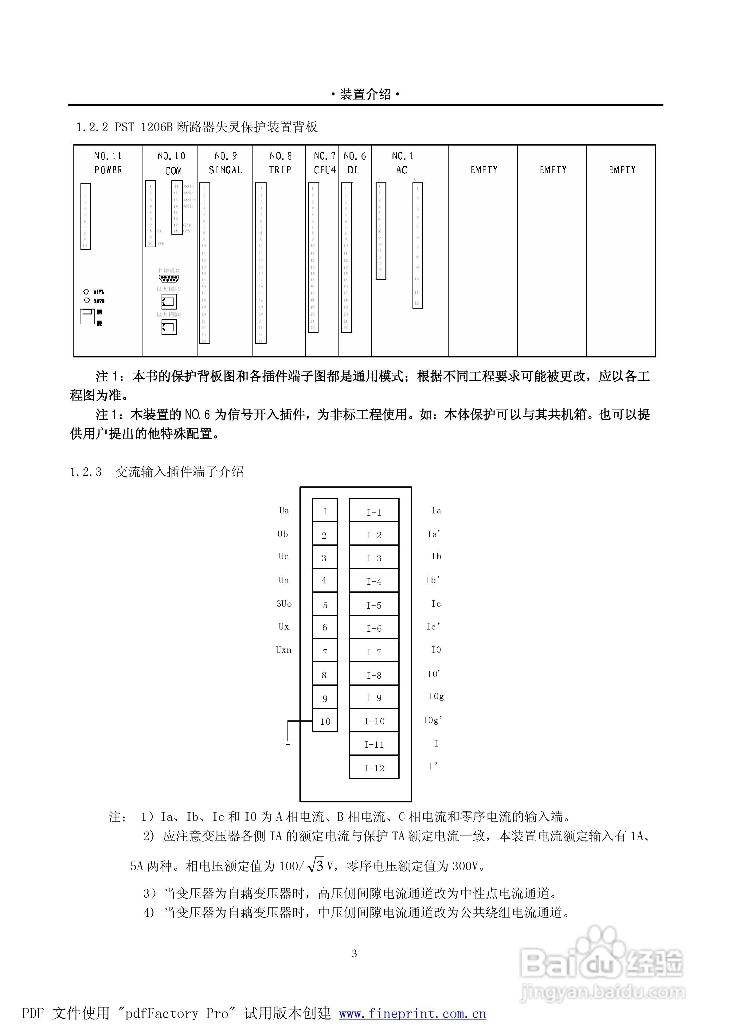
PST1200 220kV变压器保护说明书:[5]
2025-12-11 10:58:14
本篇为《PST1200 220kV变压器保护说明书》,主要介绍该产品的使用方法以及常见故障解决方案。
(共篇)
上一篇:
|
下一篇:
声明:
本网站引用、摘录或转载内容仅供网站访问者交流或参考,不代表本站立场,如存在版权或非法内容,请联系站长删除,联系邮箱:site.kefu@qq.com。
相关推荐
PST1200 220kV变压器保护说明书:[6]
阅读量:65
PST1200变压器保护装置说明书:[1]
阅读量:102
PST1200变压器保护装置说明书:[3]
阅读量:157
变压器怎样接地
阅读量:45
PST642U变压器保护测控装置技术说明书:[2]
阅读量:142
猜你喜欢
带鱼养殖
备孕要吃什么
mg是什么牌子的车
3d touch是什么
下一次阅兵是什么时候
迁户口需要什么证件
exo什么时候出道的
琅琊榜是什么意思
纷至沓来是什么意思
运动裤女
猜你喜欢
赴汤蹈火的汤是什么意思
牙齿发黄是什么原因
及物动词是什么
加油费计入什么科目
sunset是什么意思
事无巨细是什么意思
tcs是什么意思
锦鲤是什么意思
单枞茶属于什么茶
什么让生活更美好作文400字