指南生活
首页
美食营养
手工爱好
生活家居
返回
指南生活
首页
美食营养
游戏数码
手工爱好
生活家居
健康养生
运动户外
职场理财
情感交际
母婴教育
时尚美容
知识问答
生活知识
搜索
奥林巴斯X-100数码相机使用说明书:[13]
2025-12-26 20:15:03
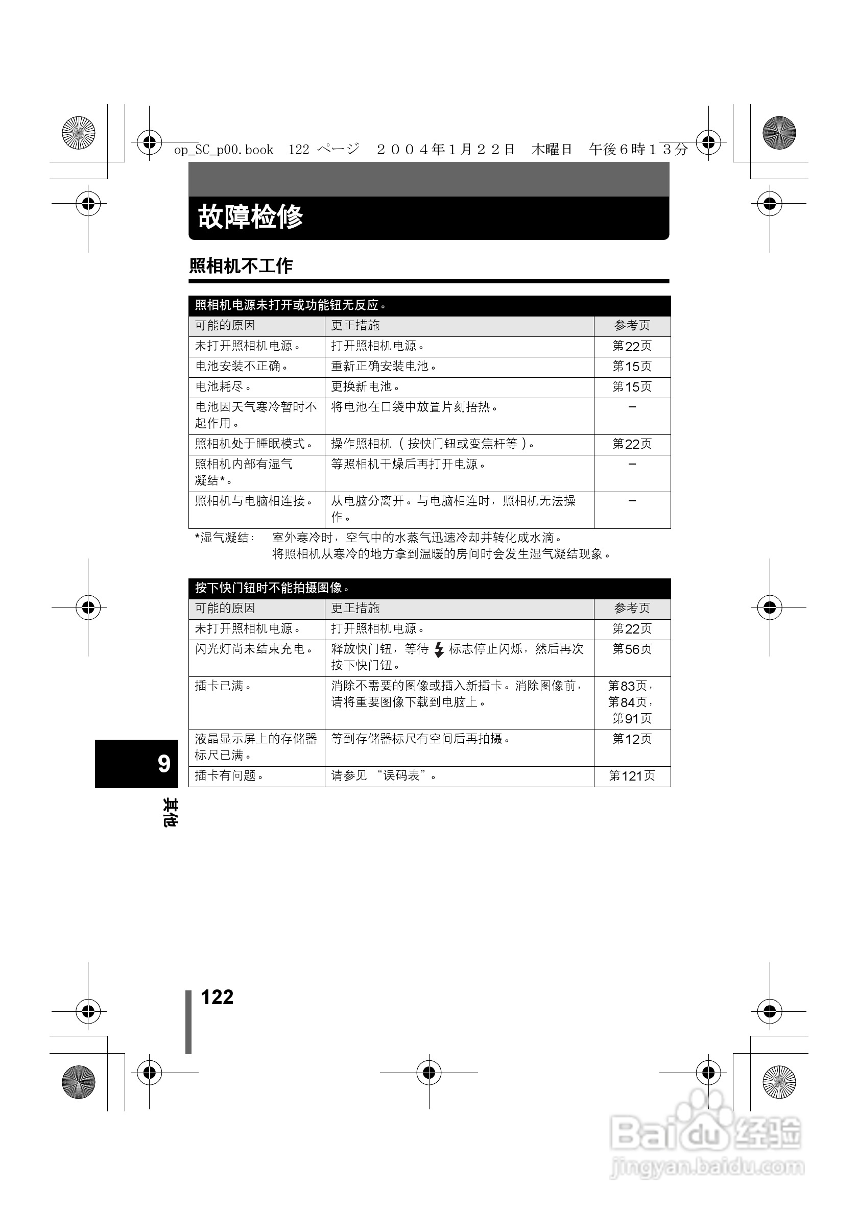
本篇为《奥林巴斯X-100数码相机使用说明书》,主要介绍该产品的使用方法以及常见故障解决方案。
(共篇)
上一篇:
|
下一篇:
声明:
本网站引用、摘录或转载内容仅供网站访问者交流或参考,不代表本站立场,如存在版权或非法内容,请联系站长删除,联系邮箱:site.kefu@qq.com。
相关推荐
Origin中怎么在表格中设置图的标题和单位
阅读量:166
怎么用origin软件绘图
阅读量:172
origin怎么撤回上一步操作
阅读量:138
Origin中怎么通过File将图导出为JPG格式的图片
阅读量:80
origin提取现有图的数据
阅读量:115
猜你喜欢
bend是什么意思
侃侃而谈是什么意思
小池古诗意思
异地审车需要什么手续
monster是什么意思
朴实的意思
北京的春节有什么习俗
暖气漏水用什么胶
斑秃忌什么
秦时明月汉时关的意思
猜你喜欢
什么是环境艺术设计
老人家生日送什么好
什么牌子的冲锋衣好
母亲节的祝福语
faq是什么意思
种田文是什么意思
日本有什么好买的
控制的意思
免疫组化是什么意思
dnf国庆套什么时候下架