指南生活
首页
美食营养
手工爱好
生活家居
返回
指南生活
首页
美食营养
游戏数码
手工爱好
生活家居
健康养生
运动户外
职场理财
情感交际
母婴教育
时尚美容
知识问答
生活知识
生活百科
搜索
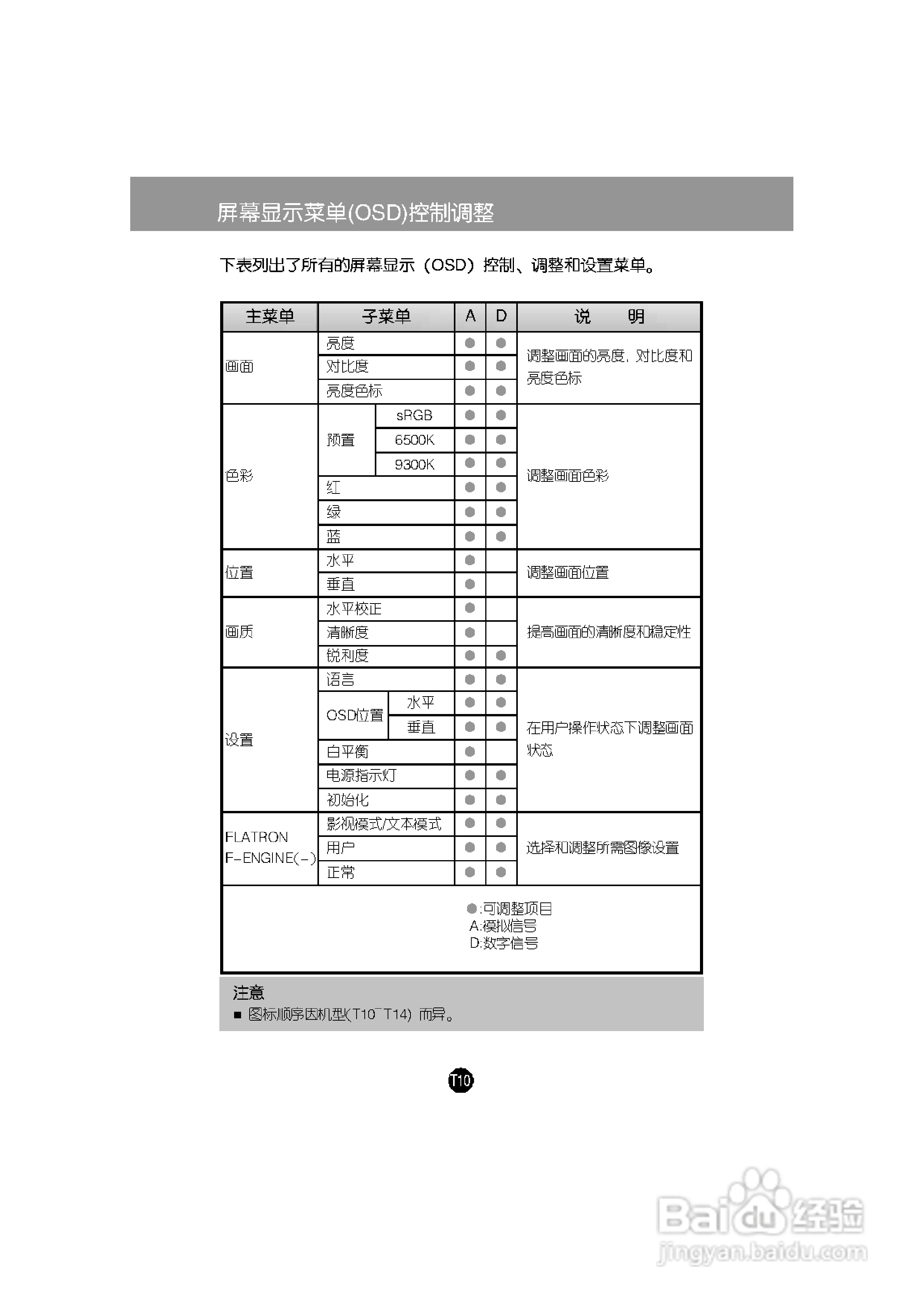
LG W206WTQ液晶显示器使用说明书:[2]
2026-04-21 03:53:11
(共篇)
上一篇:
|
下一篇:
声明:
本网站引用、摘录或转载内容仅供网站访问者交流或参考,不代表本站立场,如存在版权或非法内容,请联系站长删除,联系邮箱:site.kefu@qq.com。
相关推荐
LG W206WTQ液晶显示器使用说明书:[1]
阅读量:85
LG W206WTG液晶显示器使用说明书:[2]
阅读量:63
LG W206WTG液晶显示器使用说明书:[1]
阅读量:148
LG W206WTG液晶显示器使用说明书:[3]
阅读量:144
液晶显示器如何消磁
阅读量:149
猜你喜欢
六月初六是什么节日
家居生活馆
完美化妆品怎么样
窝沟封闭是什么意思
如何皈依
滑精怎么治疗
尿黄是什么原因
肺功能失常怎么调理
985大学是什么意思
滑档是什么意思
猜你喜欢
沦陷是什么意思
砖茶怎么弄开
如何安慰失恋的人
如何知道自己的星座
向往的生活4
女子监狱生活
如何节税
大于号小于号怎么打
脸上粉刺怎么去除
热带雨林的爆笑生活