指南生活
首页
美食营养
手工爱好
生活家居
返回
指南生活
首页
美食营养
游戏数码
手工爱好
生活家居
健康养生
运动户外
职场理财
情感交际
母婴教育
时尚美容
知识问答
生活知识
生活百科
搜索
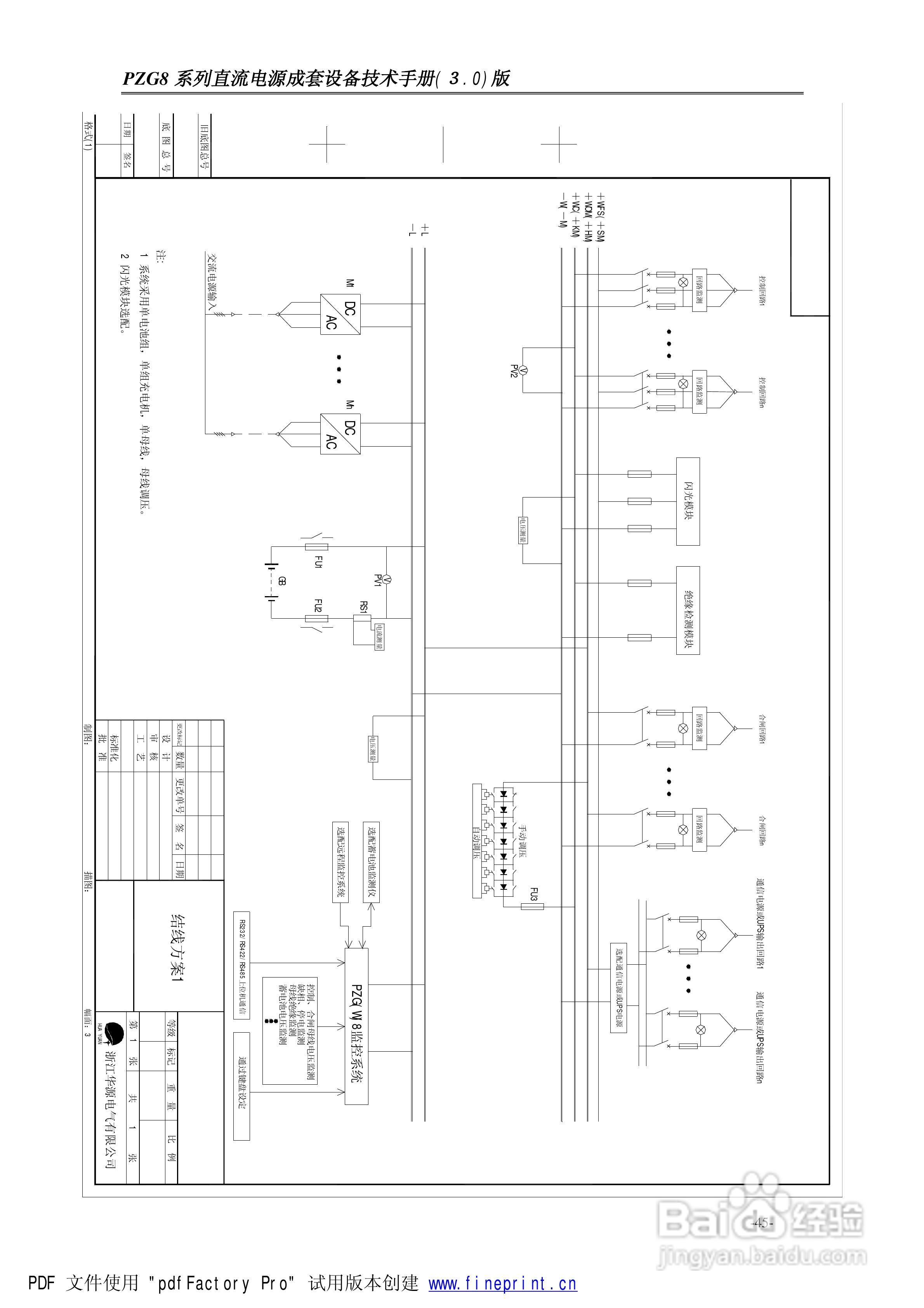
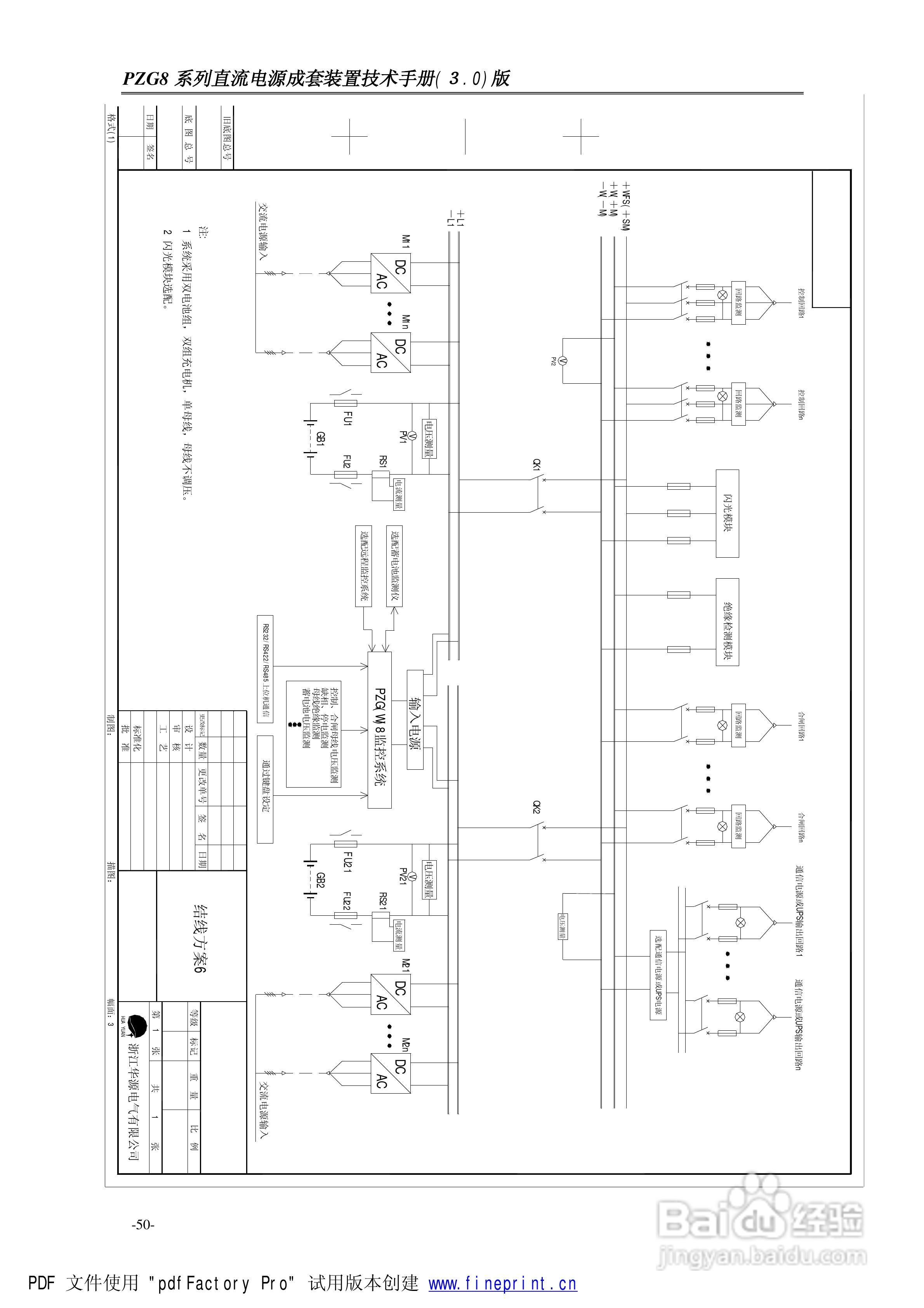
华源电气PZG8成套直流电源使用说明书:[5]
2026-03-23 08:20:41
本篇为《华源电气PZG8成套直流电源使用说明书》,主要介绍该产品的使用方法以及常见故障解决方案。
(共篇)
上一篇:
|
下一篇:
声明:
本网站引用、摘录或转载内容仅供网站访问者交流或参考,不代表本站立场,如存在版权或非法内容,请联系站长删除,联系邮箱:site.kefu@qq.com。
相关推荐
红外线体温计怎么设置
阅读量:41
百乐富红外线体温计使用方法
阅读量:193
红外体温计怎么校准
阅读量:137
可孚体温计设置方法
阅读量:72
红外线体温计怎么设置
阅读量:43
猜你喜欢
粥店加盟什么品牌好
充电热水袋什么牌子好
10万到15万买什么车好
adc是什么意思
有什么好玩的游戏单机
双引号是什么意思
翩翩起舞的意思是什么
无与伦比是什么意思
卜算子送鲍浩然之浙东的意思
choice是什么意思
猜你喜欢
有什么好玩的单机
头发厚适合什么发型
april是什么意思
情人节送男友什么礼物好
reach是什么意思
ctu是什么意思
中秋节送礼送什么
显卡什么牌子性价比高
smart意思
pv值是什么意思