指南生活
首页
美食营养
手工爱好
生活家居
返回
指南生活
首页
美食营养
游戏数码
手工爱好
生活家居
健康养生
运动户外
职场理财
情感交际
母婴教育
时尚美容
知识问答
生活知识
搜索
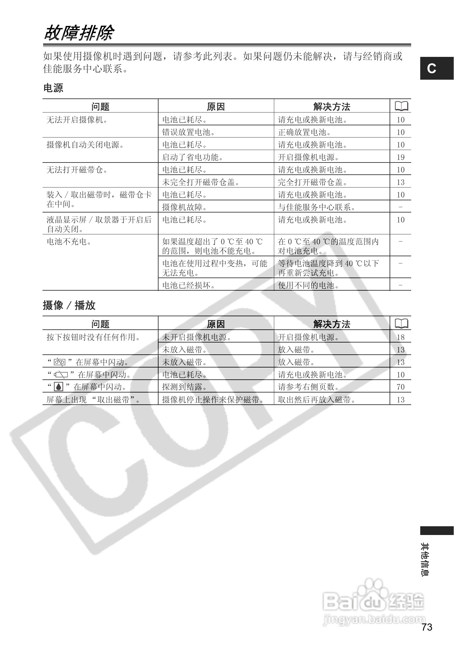
佳能MV901数码摄像机使用说明书:[8]
2026-01-15 17:02:41
本篇为《佳能MV901数码摄像机使用说明书》,主要介绍该产品的使用方法以及常见故障解决方案。
(共篇)
上一篇:
|
下一篇:
声明:
本网站引用、摘录或转载内容仅供网站访问者交流或参考,不代表本站立场,如存在版权或非法内容,请联系站长删除,联系邮箱:site.kefu@qq.com。
相关推荐
佳能MV880Xi数码摄像机使用说明书:[8]
阅读量:36
佳能MV530i数码摄像机使用说明书:[8]
阅读量:166
佳能相机5d单机如何使用
阅读量:136
佳能无线打印机怎么连接手机
阅读量:104
佳能5d4拍摄视频设置
阅读量:158
猜你喜欢
什么样的女人最好色
新生儿溶血是什么意思
常州有什么好玩的
气势磅礴的意思
孕妇多吃什么水果好
什么是半挂车
内部审计的作用
意思相反的词语
library是什么意思
hbsag是什么意思
猜你喜欢
如雷贯耳的意思
什么是m2
用什么洗脸会变白
鸡冠花什么时候开
什么牌子的dha好
冷暴力是什么意思
生长素的生理作用
舐犊情深的意思
有限公司是什么意思
现在养殖什么前景好