指南生活
首页
美食营养
手工爱好
生活家居
返回
指南生活
首页
美食营养
游戏数码
手工爱好
生活家居
健康养生
运动户外
职场理财
情感交际
母婴教育
时尚美容
知识问答
生活知识
生活百科
搜索
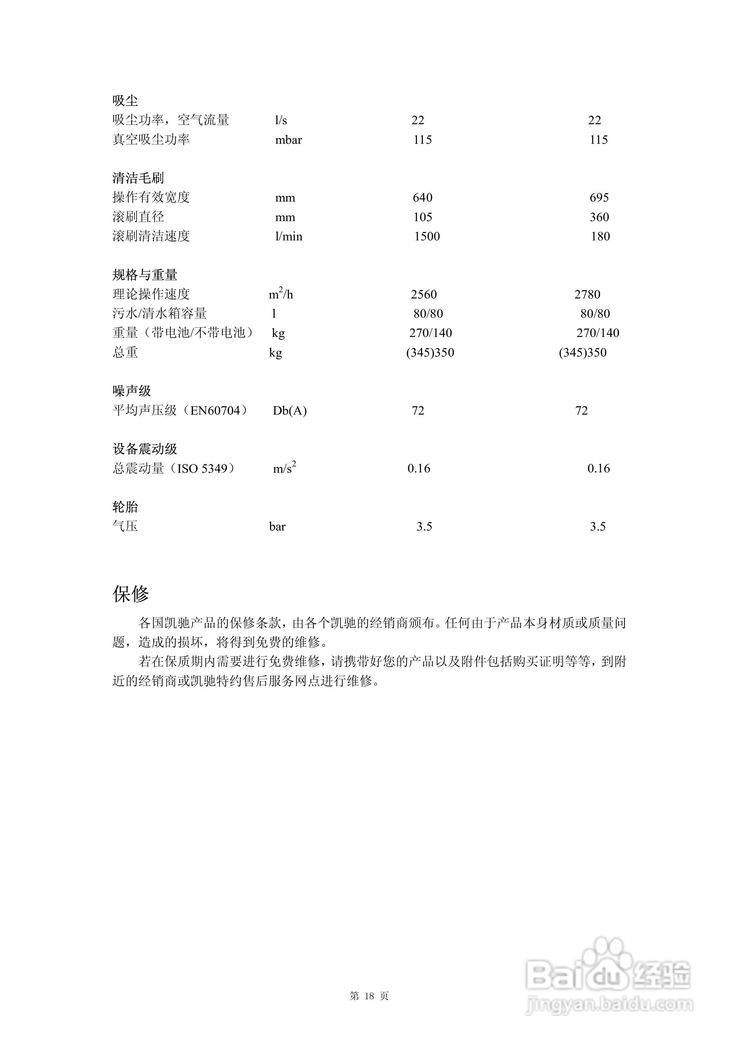
凯驰BD 750 BP全自动洗地机使用手册:[2]
2026-03-29 11:57:04
本篇为《凯驰BD 750 BP全自动洗地机使用手册》,主要介绍该产品的使用方法以及常见故障解决方案。
(共篇)
上一篇:
声明:
本网站引用、摘录或转载内容仅供网站访问者交流或参考,不代表本站立场,如存在版权或非法内容,请联系站长删除,联系邮箱:site.kefu@qq.com。
相关推荐
凯驰BD 530 BP吸尘器使用手册:[1]
阅读量:173
凯驰KSM 750-profi Pack手推式清扫车使用手册:[2]
阅读量:82
凯驰kmr1000t洗地机使用手册:[1]
阅读量:51
凯驰BD 90/140 R BP驾驶式自动刷地机使用手册:[1]
阅读量:154
凯驰KSM 750-profi Pack手推式清扫车使用手册:[1]
阅读量:62
猜你喜欢
怎么连接打印机
霉菌性阴道炎怎么治
为的笔顺怎么写
怎么删除qq好友
猪肺怎么做好吃
怎么找女朋友
我要怎么说我不爱你
怎么保护牙齿
山药痒怎么快速止痒
打印机卡纸怎么办
猜你喜欢
ipad怎么开机
退税怎么退
怎么去掉页眉
怎么查话费余额
电脑mac地址怎么查
鸭肠怎么做好吃
腮腺炎怎么治疗
实习总结怎么写
怎么判断椰棕床垫有没有甲醛
腮帮子疼怎么回事