指南生活
首页
美食营养
手工爱好
生活家居
返回
指南生活
首页
美食营养
游戏数码
手工爱好
生活家居
健康养生
运动户外
职场理财
情感交际
母婴教育
时尚美容
知识问答
生活知识
生活百科
搜索
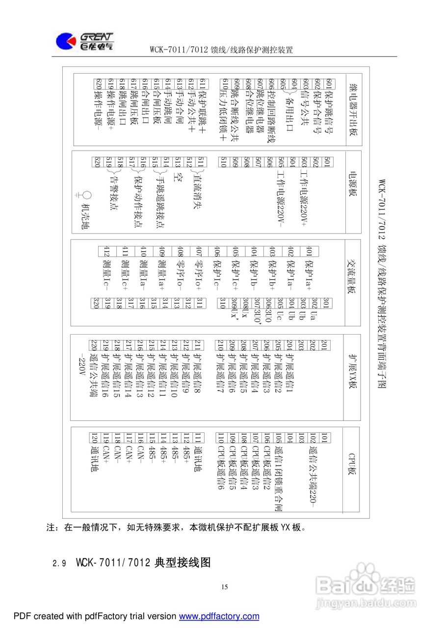
巨龙电气 WCK-7011/7012 馈线/线路保护测控装置说明书:[2]
2026-03-27 15:27:43
本篇为《巨龙电气 WCK-7011/7012 馈线/线路保护测控装置说明书》,主要介绍该产品的使用方法以及常见故障解决方案。
(共篇)
上一篇:
声明:
本网站引用、摘录或转载内容仅供网站访问者交流或参考,不代表本站立场,如存在版权或非法内容,请联系站长删除,联系邮箱:site.kefu@qq.com。
相关推荐
巨龙WCK-7022电容器保护测控装置说明书:[2]
阅读量:173
巨龙WCK-7051备用电源自投保护测控装置说明书:[2]
阅读量:98
NSP788(v2.0)馈线保护及测控装置技术说明书:[2]
阅读量:60
NSP788(v2.0)馈线保护及测控装置技术说明书:[3]
阅读量:63
NSP788(v2.0)馈线保护及测控装置技术说明书:[1]
阅读量:135
猜你喜欢
丰腴是什么意思
万人空巷是什么意思
光彩夺目的意思是什么
面目全非是什么意思
decade什么意思
头发打蜡是什么意思
愁怨的意思
觥筹交错什么意思
益母草膏什么时候吃
去韩国买什么
猜你喜欢
审驾照需要什么
风流人物的意思
flow是什么意思
初来乍到是什么意思
补差价是什么意思
粥店加盟什么品牌好
学生护眼灯什么牌子好
plain是什么意思
情人生日祝福语
买房按揭是什么意思