指南生活
首页
美食营养
手工爱好
生活家居
返回
指南生活
首页
美食营养
游戏数码
手工爱好
生活家居
健康养生
运动户外
职场理财
情感交际
母婴教育
时尚美容
知识问答
生活知识
生活百科
搜索
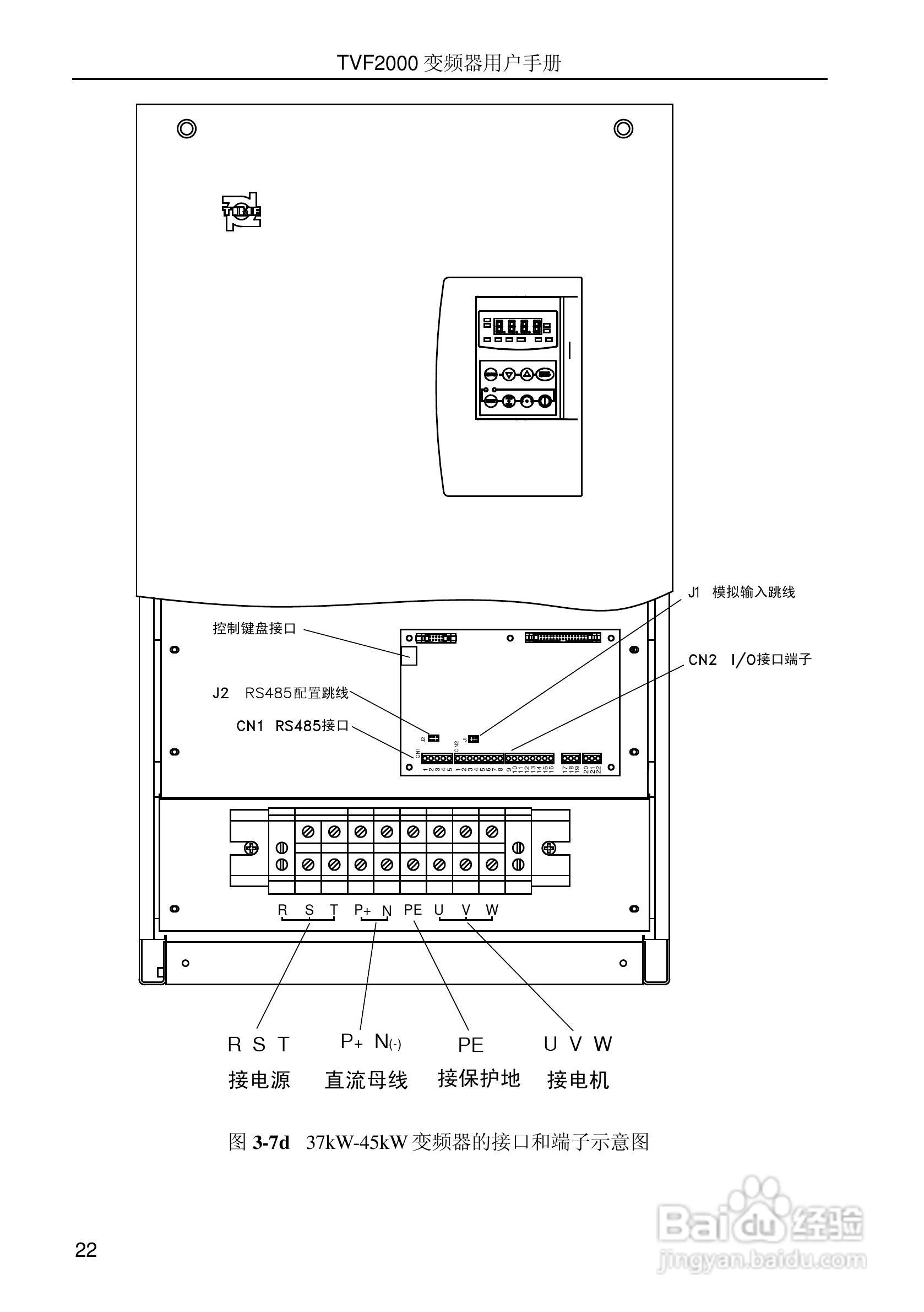
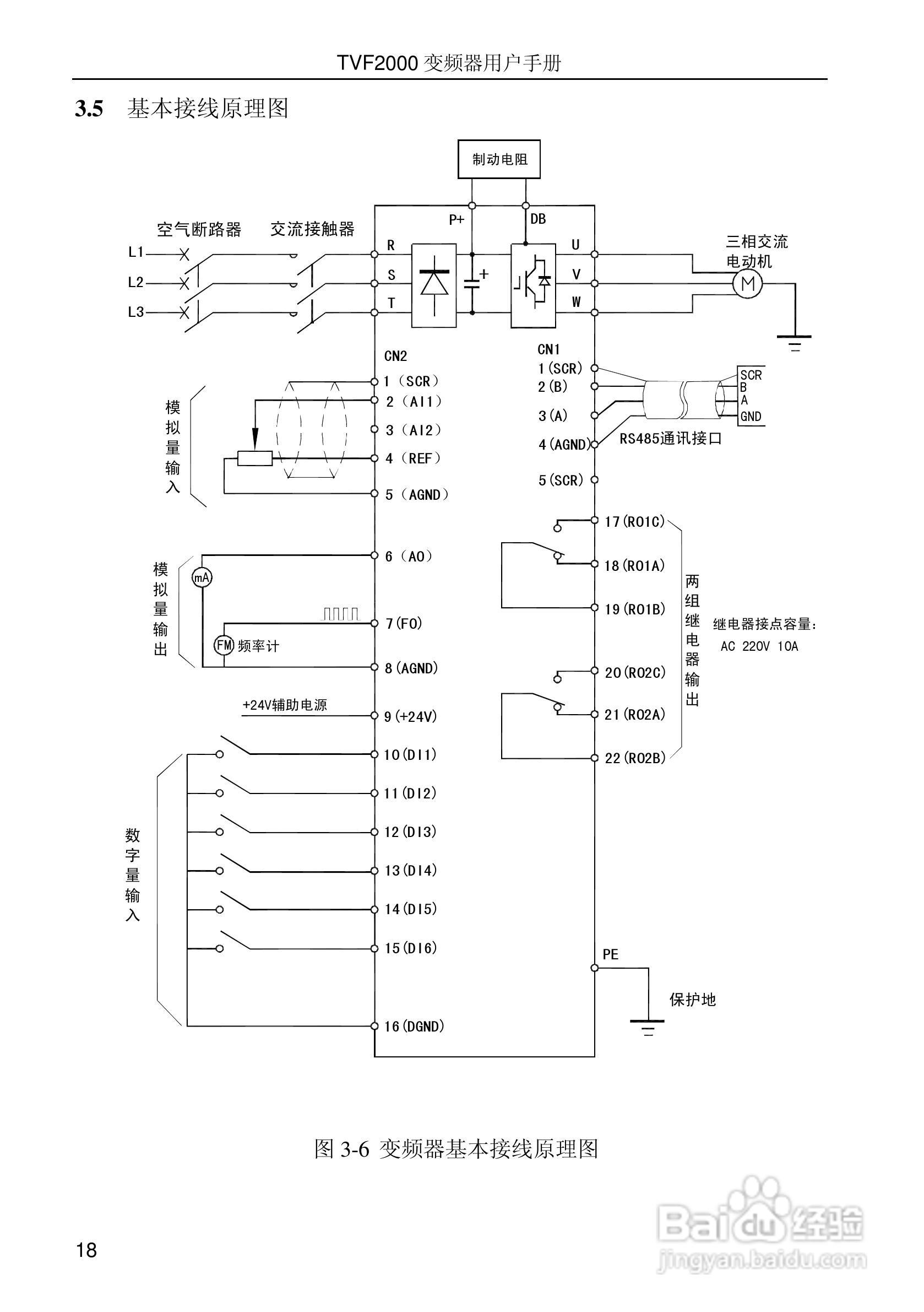
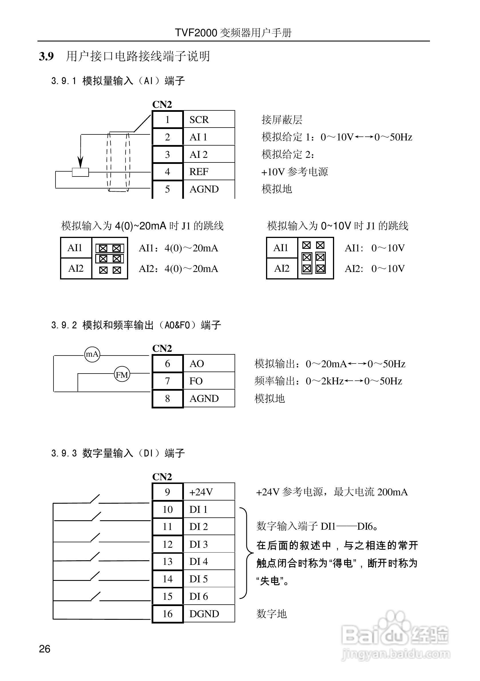
时代变频器TVF2750用户手册:[3]
2026-05-08 14:15:06
本篇为《时代变频器TVF2750用户手册》,主要介绍该产品的使用方法以及常见故障解决方案。
(共篇)
上一篇:
|
下一篇:
声明:
本网站引用、摘录或转载内容仅供网站访问者交流或参考,不代表本站立场,如存在版权或非法内容,请联系站长删除,联系邮箱:site.kefu@qq.com。
相关推荐
时代变频器TVF2750用户手册:[5]
阅读量:74
TVF5000系列变频调速器使用手册V2.2:[3]
阅读量:194
时代TVF7100-0015型变频器说明书:[2]
阅读量:133
时代TVF7100-0015型变频器说明书:[5]
阅读量:120
时代TVF7100-0015型变频器说明书:[1]
阅读量:175
猜你喜欢
肝囊肿是怎么回事
鸭子的做法大全家常
人死后为什么要穿寿衣
我为什么没有男朋友
腹语是怎么发出来的
为什么手机连不上wifi
轮胎生产日期怎么看
玫瑰糠疹怎么引起的
淘宝店铺怎么开
三星手机怎么截屏
猜你喜欢
怎么去除马赛克
高考成绩怎么查
雅士利奶粉怎么样
晋怎么读
烙饼怎么做又软又好吃
百分比怎么算
为什么有些网站打不开
显卡驱动怎么更新
鹿肉怎么做好吃
谈谈为什么要入党