指南生活
首页
美食营养
手工爱好
生活家居
返回
指南生活
首页
美食营养
游戏数码
手工爱好
生活家居
健康养生
运动户外
职场理财
情感交际
母婴教育
时尚美容
知识问答
生活知识
生活百科
搜索
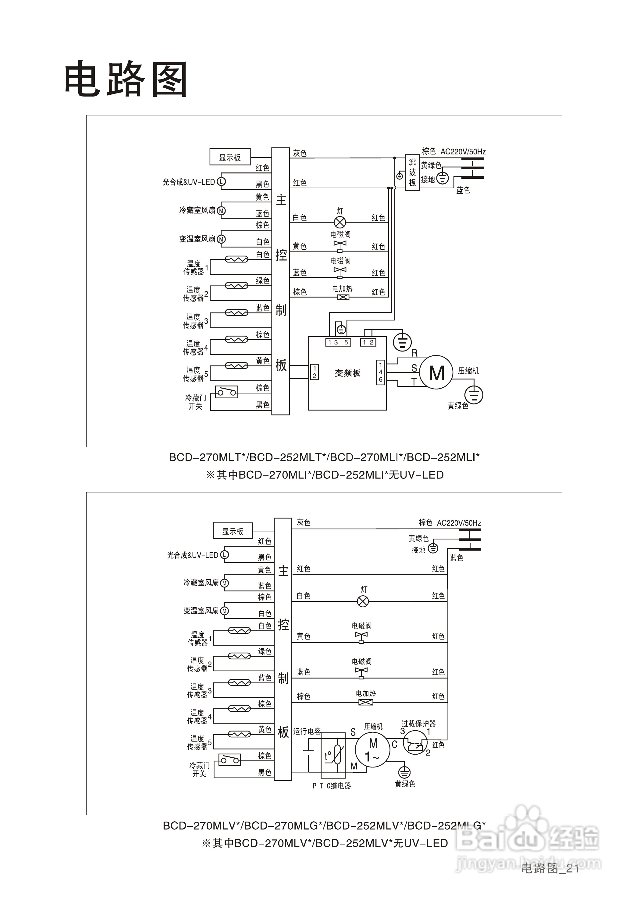
三星BCD-270MLI电冰箱使用说明书:[3]
2026-04-11 10:46:36
(共篇)
上一篇:
声明:
本网站引用、摘录或转载内容仅供网站访问者交流或参考,不代表本站立场,如存在版权或非法内容,请联系站长删除,联系邮箱:site.kefu@qq.com。
相关推荐
三星BCD-270MLTF电冰箱使用说明书:[3]
阅读量:52
三星BCD-270MLI电冰箱使用说明书:[1]
阅读量:150
三星BCD-270MLG电冰箱使用说明书:[3]
阅读量:159
三星BCD-270MLT电冰箱使用说明书:[2]
阅读量:131
三星BCD-252MLI电冰箱使用说明书:[1]
阅读量:115
猜你喜欢
巽寮湾怎么读
c53怎么算
苹果怎么设置黑名单
不想学习怎么办
苹果4s怎么升级系统
皮草怎么清洗
考后反思怎么写
定活两便利息怎么算
生日蛋糕怎么做
cad怎么算面积
猜你喜欢
默认浏览器怎么设置
你怎么舍得我难过歌词
焦糖怎么做
无线网卡驱动怎么安装
职务职称怎么填
扇贝肉怎么做
鲫鱼怎么做好吃又简单
怎么查微信聊天记录
怎么矫正近视眼
桂圆干怎么吃