指南生活
首页
美食营养
手工爱好
生活家居
返回
指南生活
首页
美食营养
游戏数码
手工爱好
生活家居
健康养生
运动户外
职场理财
情感交际
母婴教育
时尚美容
知识问答
生活知识
搜索
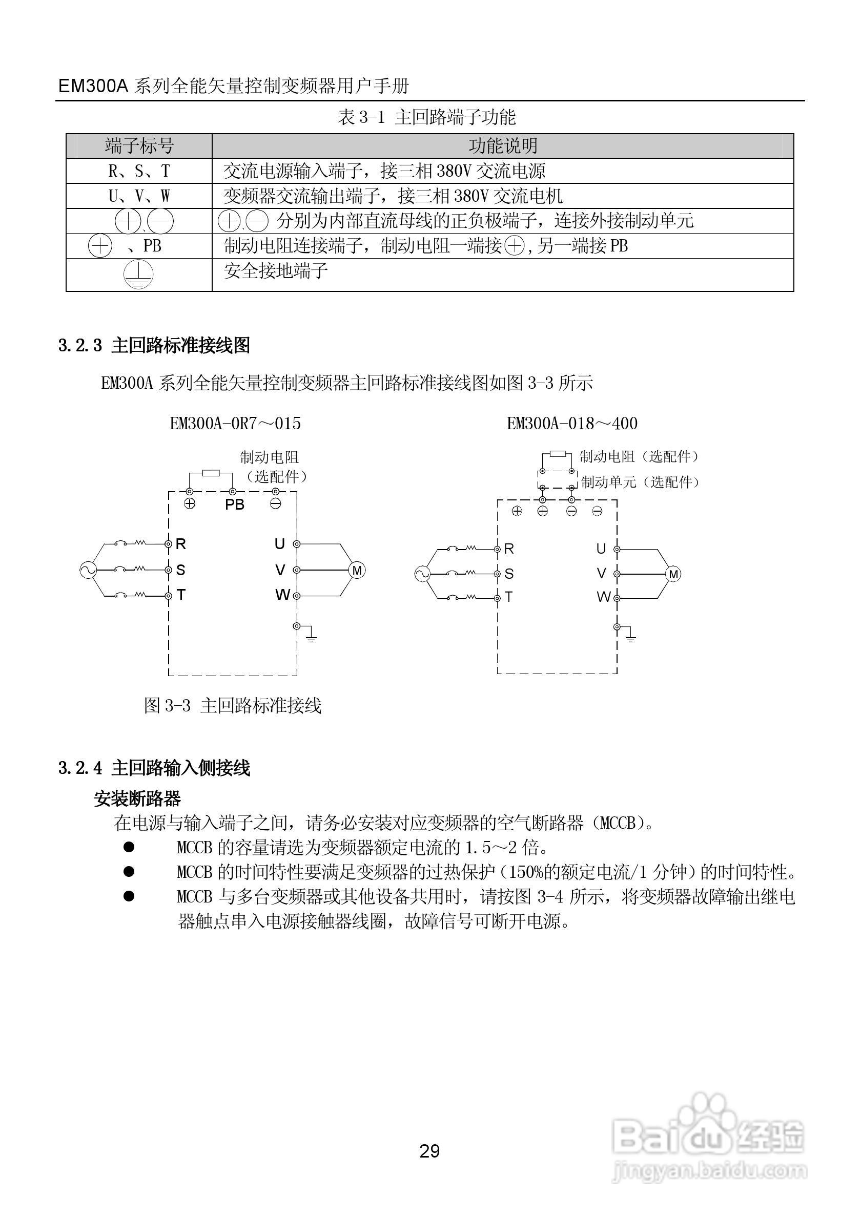
正弦电气EM300A-400-3A全能矢量控制变频器说明书:[3]
2026-02-22 05:24:41
本篇为《正弦电气EM300A-400-3A全能矢量控制变频器说明书》,主要介绍该产品的使用方法以及常见故障解决方案。
(共篇)
上一篇:
|
下一篇:
声明:
本网站引用、摘录或转载内容仅供网站访问者交流或参考,不代表本站立场,如存在版权或非法内容,请联系站长删除,联系邮箱:site.kefu@qq.com。
相关推荐
正弦电气EM300A-400-3A全能矢量控制变频器说明书:[4]
阅读量:167
正弦电气EM300A-400-3A全能矢量控制变频器说明书:[5]
阅读量:159
变频器调试接线教程
阅读量:74
正弦电气EM300A-400-3A全能矢量控制变频器说明书:[2]
阅读量:180
正弦电气EM300A-400-3A全能矢量控制变频器说明书:[6]
阅读量:187
猜你喜欢
掌中宝是什么
我浪费了最好的年华是什么歌
小便频繁是什么原因
鱼肝油什么牌子好
裸车是什么意思
西岳是什么山
活着的意义是什么
什么是心律不齐
1965年是什么命
刘备字什么
猜你喜欢
乳糖不耐受是什么意思
page是什么意思
什么的什组词
台账是什么
什么是素描
易企秀是什么
牛蒡是什么
subaru是什么车
honey是什么意思中文
恍然大悟的意思是什么