指南生活
首页
美食营养
手工爱好
生活家居
返回
指南生活
首页
美食营养
游戏数码
手工爱好
生活家居
健康养生
运动户外
职场理财
情感交际
母婴教育
时尚美容
知识问答
生活知识
生活百科
搜索
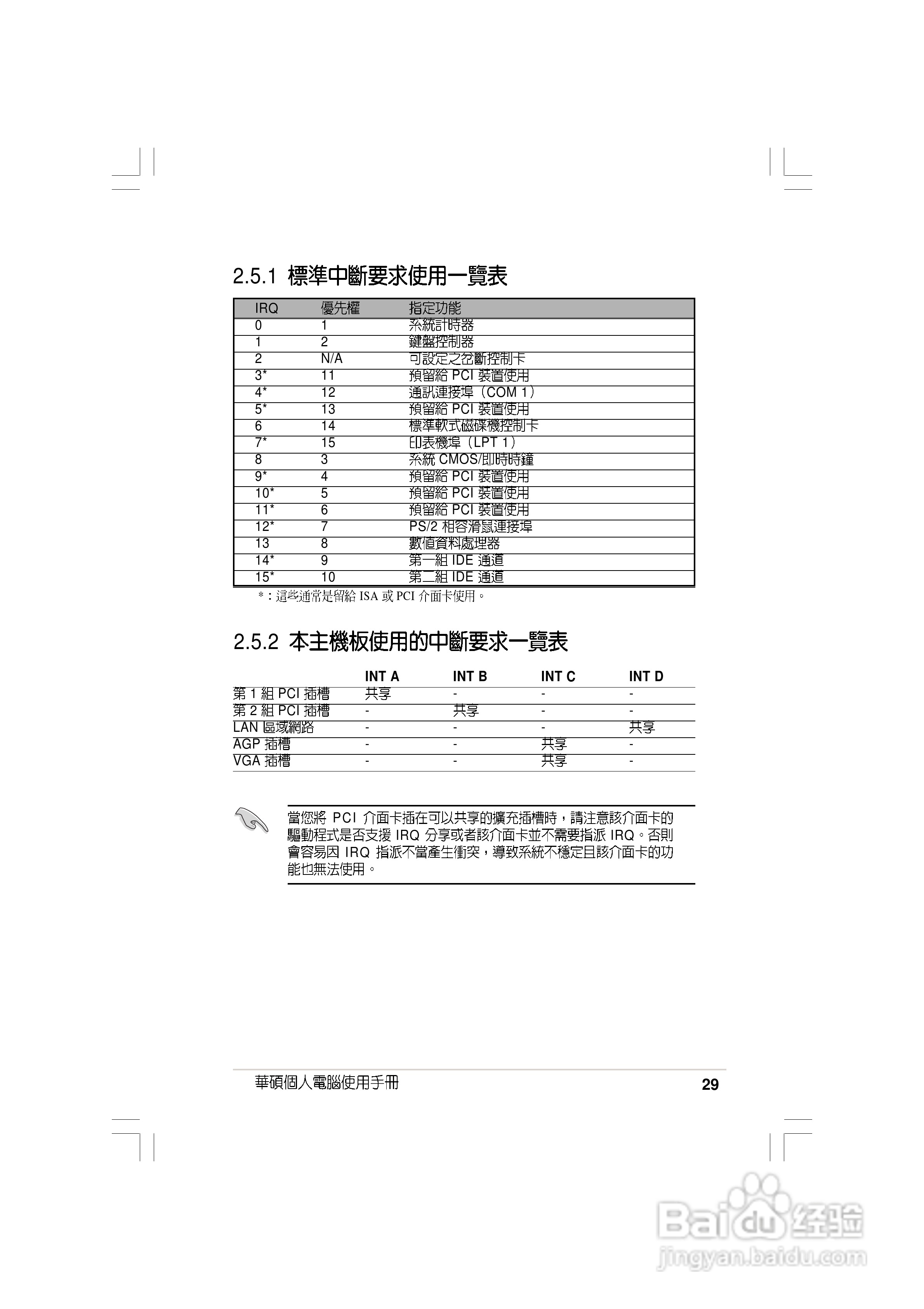
华硕AS-D830桌面型个人电脑使用手册:[3]
2026-04-21 20:01:39
本篇为《华硕AS-D830桌面型个人电脑使用手册》,主要介绍该产品的使用方法以及常见故障解决方案。
(共篇)
上一篇:
|
下一篇:
声明:
本网站引用、摘录或转载内容仅供网站访问者交流或参考,不代表本站立场,如存在版权或非法内容,请联系站长删除,联系邮箱:site.kefu@qq.com。
相关推荐
华硕AS-D770桌上型个人电脑使用手册:[3]
阅读量:23
华硕AS-D770桌上型个人电脑使用手册:[2]
阅读量:24
华硕AS-D770桌上型个人电脑使用手册:[9]
阅读量:83
华硕AS-D770桌上型个人电脑使用手册:[10]
阅读量:168
华硕路由器设置教程
阅读量:53
猜你喜欢
孕妇怕冷是怎么回事
厦门免税店在哪里
如何改变图片大小
睡眠不好如何食补
设置路由器密码
四川旅游局
海陵岛在哪里
tplink路由器重置
新闻怎么写范文
旅游管理就业方向
猜你喜欢
黄精泡水喝的功效
同城旅游网
丰胸哪里好
吉他尺寸怎么选
学生头发怎么扎好看
水星路由器怎么设置
上海杉达学院怎么样
陆风汽车怎么样
珠海到澳门怎么走
郑州旅游局