指南生活
首页
美食营养
手工爱好
生活家居
返回
指南生活
首页
美食营养
游戏数码
手工爱好
生活家居
健康养生
运动户外
职场理财
情感交际
母婴教育
时尚美容
知识问答
生活知识
生活百科
搜索
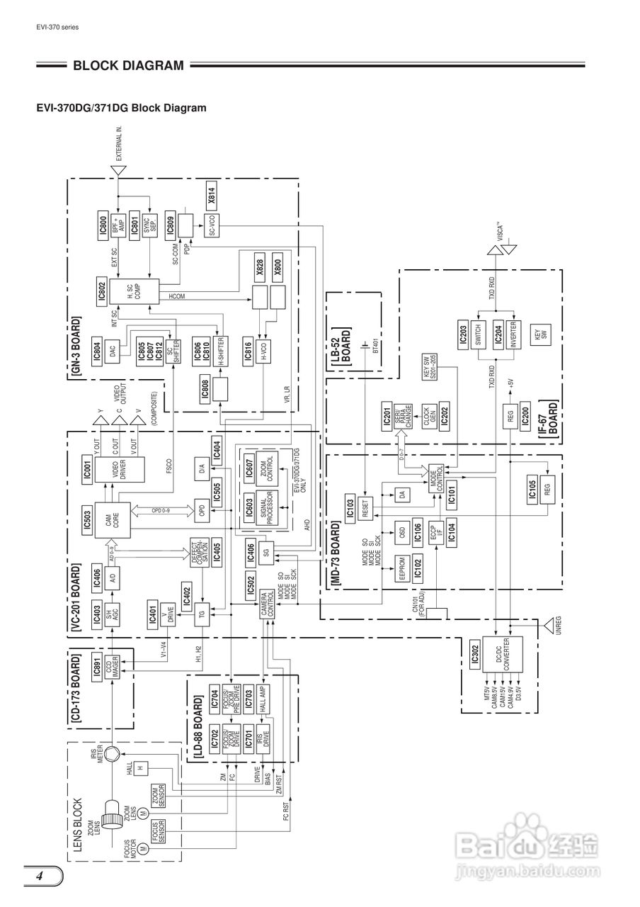
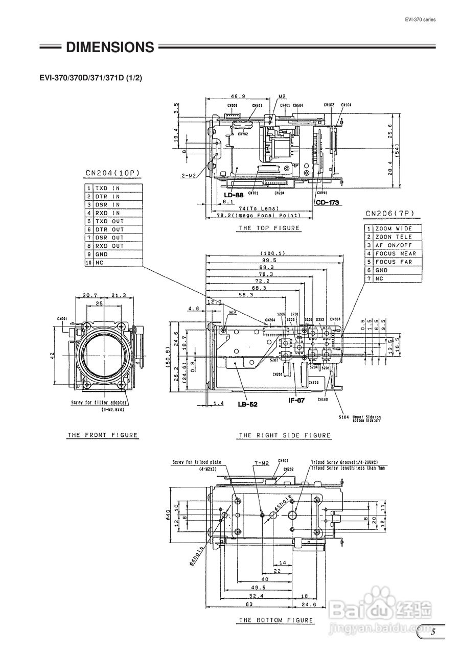
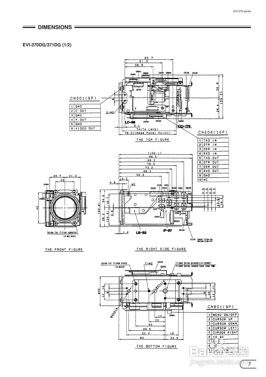
SONY EVI-370系列摄像机说明书:[1]
2026-03-23 21:40:27
本篇为《SONY EVI-370系列摄像机说明书》,主要介绍该产品的使用方法以及常见故障解决方案。
(共篇)
下一篇:
声明:
本网站引用、摘录或转载内容仅供网站访问者交流或参考,不代表本站立场,如存在版权或非法内容,请联系站长删除,联系邮箱:site.kefu@qq.com。
相关推荐
SONY EVI-D100视频摄像机说明书:[1]
阅读量:36
SONY EVI-D100视频摄像机说明书:[3]
阅读量:62
SONY EVI-D70P通讯型彩色摄像机使用说明书:[1]
阅读量:72
SONY EVI-D100视频摄像机说明书:[5]
阅读量:108
SONY EVI-D70P通讯型彩色摄像机使用说明书:[3]
阅读量:163
猜你喜欢
什么汽车性价比高
祝福留言
拨冗的意思
著作等身的意思
首当其冲是什么意思
欢欣鼓舞的意思
感染的意思
什么的音乐厅
玩游戏笔记本电脑什么牌子好
泛滥是什么意思
猜你喜欢
赤子之心的意思
随风潜入夜润物细无声的意思
洗米水洗脸有什么好处
中肯是什么意思
充电热水袋什么牌子好
亢奋是什么意思
什么视频软件最好用
周五祝福语
bcm是什么意思
小洲村有什么好玩的